Стиральная машина Teka LI2 1060 - инструкция пользователя по применению, эксплуатации и установке на русском языке. Мы надеемся, она поможет вам решить возникшие у вас вопросы при эксплуатации техники.
Если остались вопросы, задайте их в комментариях после инструкции.
"Загружаем инструкцию", означает, что нужно подождать пока файл загрузится и можно будет его читать онлайн. Некоторые инструкции очень большие и время их появления зависит от вашей скорости интернета.

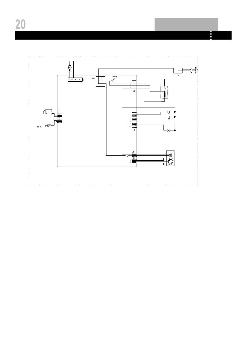
ПЛАТА
Фильтр
ДВЕРЦА
НАСОС
ЭЛЕКТРОДВИГАТЕЛЬ
ПОДКЛЮЧЕНИЕ
ЭЛЕКТРОДВИГАТЕЛЯ
ПИТАНИЕ
ЭЛЕКТРОДВИГАТЕЛЯ
ДАТЧИК УРОВНЯ ВОДЫ
ТЕХНИЧЕСКОЕ ОБСЛУЖИВАНИЕ
ЭЛЕКТРОСХЕМА
Motor-------------- Электродвигатель
PCB----------------Печатная плата
MR------------------Замок дверцы
R--------------------- Нагревательный элемент
PS-------------------Сливной насос
EVF,EVP----------- Электромагнитный клапан подачи воды
P---------------------- Реле давления
FA---------------------Система шумоподавления
NTC------------------Датчик температуры
Клапан предварительной стирки
Главный клапан
Характеристики
Остались вопросы?Не нашли свой ответ в руководстве или возникли другие проблемы? Задайте свой вопрос в форме ниже с подробным описанием вашей ситуации, чтобы другие люди и специалисты смогли дать на него ответ. Если вы знаете как решить проблему другого человека, пожалуйста, подскажите ему :)













