Стиральная машина Ariston LB 6 T(TX) - инструкция пользователя по применению, эксплуатации и установке на русском языке. Мы надеемся, она поможет вам решить возникшие у вас вопросы при эксплуатации техники.
Если остались вопросы, задайте их в комментариях после инструкции.
"Загружаем инструкцию", означает, что нужно подождать пока файл загрузится и можно будет его читать онлайн. Некоторые инструкции очень большие и время их появления зависит от вашей скорости интернета.

!
LB 6 T, LB 6 TX
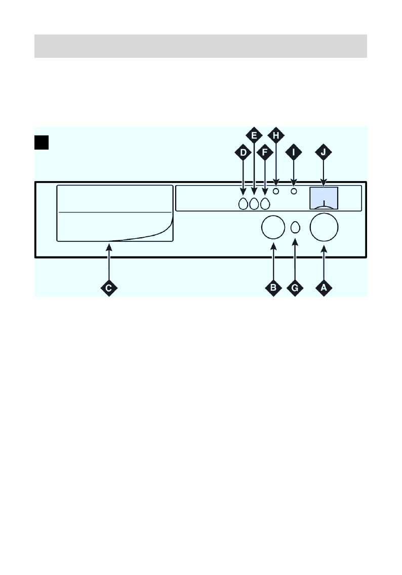
Ïàíåëü óïðàâëåíèÿ
Ðóêîÿòêè óïðàâëåíèÿ óòîïëåíû â ïàíåëü óïðàâëåíèÿ ìàøèíû.
Äëÿ ìàíèïóëÿöèè èìè íàæìèòå íà ñåðåäèíó ðóêîÿòêè ðóêîÿòêà
âûäâèíåòñÿ íàðóæó
16
A
Ðóêîÿòêà âûáîðà ïðîãðàìì
Â
Ðóêîÿòêà âûáîðà òåìïåðàòóðû
Ñ
Ðàñïðåäåëèòåëü ìîþùèõ ñðåäñòâ
D
Êíîïêà óäåðæàíèÿ ïîëîñêàíèÿ (îñòàíîâêè ñ âîäîé â ìàøèíå)
Å
Êíîïêà èñêëþ÷åíèÿ îòæèìà
F
Êíîïêà ýêîíîìè÷íîé ñòèðêè
G
Êíîïêà âêëþ÷åíèÿ / âûêëþ÷åíèÿ
Í
Êîíòðîëüíàÿ ëàìïî÷êà çàêðûòèÿ äâåðöû
I
Êîíòðîëüíàÿ ëàìïî÷êà âêëþ÷åíèÿ / âûêëþ÷åíèÿ
J
Îêîøêî ïðîãðàìì












