Стиральная машина Saturn ST-WM0622 - инструкция пользователя по применению, эксплуатации и установке на русском языке. Мы надеемся, она поможет вам решить возникшие у вас вопросы при эксплуатации техники.
Если остались вопросы, задайте их в комментариях после инструкции.
"Загружаем инструкцию", означает, что нужно подождать пока файл загрузится и можно будет его читать онлайн. Некоторые инструкции очень большие и время их появления зависит от вашей скорости интернета.

62
3. Пошкоджений
датчик води.
3. Замініть датчик
води.
Не працює
мотор
На РК-дисплеї
блимають
“Washing” і
“Spin”.
1. Погане з'єднання
між мотором і про-
водкою.
2. Спрацював за-
хист мотора від
перегріву.
3. Мотор пошко-
джений.
1. Перевірте з'єднання
та переконайтеся, що
воно надійне.
2. Перевірте, чи не
перевантажена ма-
шина. Вимкніть ма-
шину та знову уві-
мкніть її після охоло-
дження мотору.
3. Замініть мотор.
Несправність
ТЕНу
На РК-дисплеї
блимають
“Washing” і
“Rinse”.
1. Погане з'єднання
між ТЕНом і про-
водкою.
2. Пошкоджений
ТЕН.
1. Перевірте з'єднання
та переконайтеся, що
воно надійне.
2. Замініть ТЕН.
Несправність
температур-
ного датчика.
На РК-дисплеї
блимають
“Washing”,
“Rinse” і “Spin”.
1. Погане з'єднання
між температурним
датчиком і провод-
кою.
2. Пошкоджений
температурний дат-
чик.
1. Перевірте з'єднання
та переконаєтеся, що
воно надійне.
2. Замініть темпера-
турний датчик.
Примітка:
Дані можуть відрізнятися від номінальних значень в залежності від тиску води,
жорсткості води, температури води на вході, температури приміщення, типу та
об’єму завантаження, коливань електроенергії в мережі та інших факторів.
Пояснення символів
V
Вольт
ࡱ
Змінний струм
W
Ват
Hz
Герц
Випробування на
працездатність
Маркування ЄС
63
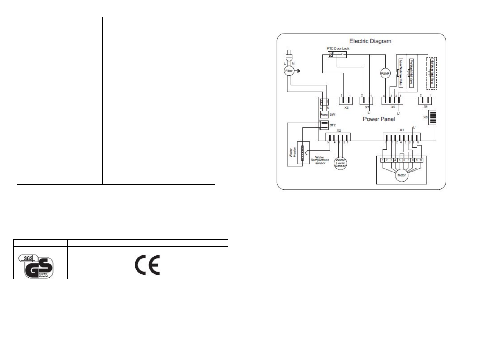
Електрична схема
Технічні характеристики
Модель
Параметри
ST-WM0622
Номінальна напруга
Номінальна сила струму
Номінальна частота
220-230 В
9.54 А
50 Гц
Максимальне завантаження
6.0 кг
Потужність
2100 Вт
Тиск води
0.02-0.8 МПа
