Стиральная машина Electrolux EWS 1076 CDS - инструкция пользователя по применению, эксплуатации и установке на русском языке. Мы надеемся, она поможет вам решить возникшие у вас вопросы при эксплуатации техники.
Если остались вопросы, задайте их в комментариях после инструкции.
"Загружаем инструкцию", означает, что нужно подождать пока файл загрузится и можно будет его читать онлайн. Некоторые инструкции очень большие и время их появления зависит от вашей скорости интернета.

4. ПАНЕЛЬ КЕРУВАННЯ
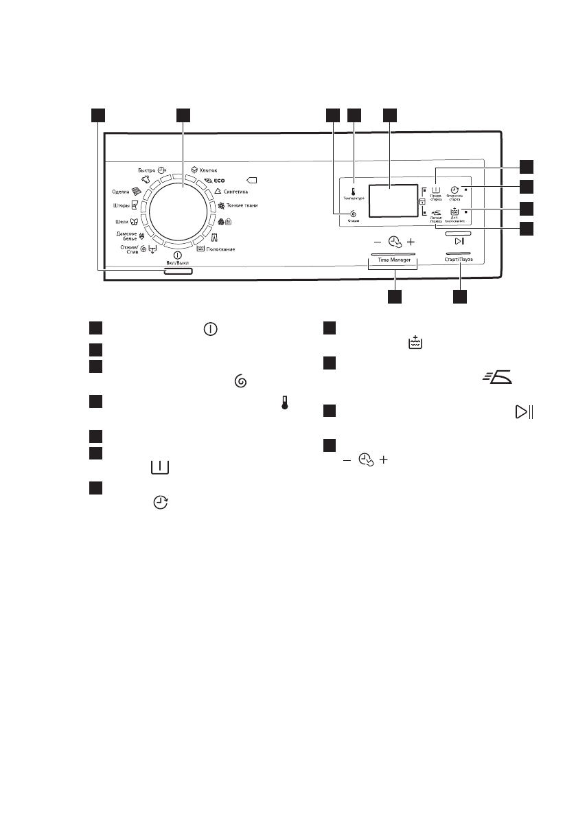
4.1 Опис панелі керування
Джинсы
Освежить
Шерсть/
Ручная стирка
Хлопoк
5
3
4
10
11
8
7
9
6
1
2
1
Кнопка Вкл/Вимк (Вкл/Выкл)
2
Перемикач програм
3
Сенсорна кнопка зменшення
швидкості віджимання (Отжим)
4
Сенсорна кнопка температури
(Температура)
5
Дисплей
6
Сенсорна кнопка попереднього
прання
(Предв. стирка)
7
Сенсорна кнопка відкладеного
запуску (Oтсрочка старта)
8
Сенсорна кнопка додаткового
полоскання (Доп. полоскание)
9
Сенсорна кнопка функції
полегшеного прасування
(Легкая глажка)
10
Сенсорна кнопка «Пуск/Пауза»
(Старт/Пауза)
11
Сенсорні кнопки управління часом
(TimeManager)
УКРАЇНСЬКА
37
Содержание
- 3 СВЕДЕНИЯ ПО ТЕХНИКЕ БЕЗОПАСНОСТИ; возможностями
- 4 Общие правила техники безопасности
- 5 УКАЗАНИЯ ПО БЕЗОПАСНОСТИ; электросети
- 7 Описание панели управления
- 12 Синий
- 13 ПОКАЗАТЕЛИ ПОТРЕБЛЕНИЯ
- 15 Менеджер времени
- 16 дополнительное полоскание; Звуковая сигнализация; ПЕРЕД ПЕРВЫМ ИСПОЛЬЗОВАНИЕМ; ЕЖЕДНЕВНОЕ ИСПОЛЬЗОВАНИЕ
- 17 Добавление средства; для стирки и добавок; Отделения дозатора; моющих средств; Жидкое или порошковое
- 19 Включение прибора; Запуск программы без; отсрочки пуска; Запуск программы с; отсрочкой пуска
- 20 Прерывание программы
- 21 АВТОМАТИЧЕСКИЙ переход
- 22 Средства для стирки и; добавки
- 23 Очистка наружных; поверхностей; Профилактическая; стирка; Уплотнитель дверцы
- 27 Меры против замерзания; ПОИСК И УСТРАНЕНИЕ НЕИСПРАВНОСТЕЙ
- 28 Возможные неисправности
- 31 ОХРАНА ОКРУЖАЮЩЕЙ СРЕДЫ












