Стиральная машина Daewoo DWD-MH8011 - инструкция пользователя по применению, эксплуатации и установке на русском языке. Мы надеемся, она поможет вам решить возникшие у вас вопросы при эксплуатации техники.
Если остались вопросы, задайте их в комментариях после инструкции.
"Загружаем инструкцию", означает, что нужно подождать пока файл загрузится и можно будет его читать онлайн. Некоторые инструкции очень большие и время их появления зависит от вашей скорости интернета.

18
Приложение
Защита окружающей среды
Утилизация электрического и электронного оборудования.
Данный символ на изделии, его комплектующих или упаковке означает, что данное
изделие подлежит обязательной утилизации. Пожалуйста, сдайте отработавшее
изделие в пункт приема электрического и электронного оборудования для
переработки. В некоторых странах, в т.ч. странах ЕС, разработаны специальные
схемы сбора единиц отработавшего электрического и электронного оборудования.
Соблюдая правила утилизации этого оборудования, Вы внесете свой вклад
в сохранение окружающей среды и здоровья человечества. Вторичная
переработка материалов сохраняет природные ресурсы. Поэтому, пожалуйста,
не выбрасывайте отработавшее оборудование вместе с бытовыми отходами.
Более подробную информацию о вторичной переработке оборудования Вы
можете получить в сервисе по переработке отходов или в торговой точке, где Вы
приобрели данное изделие.
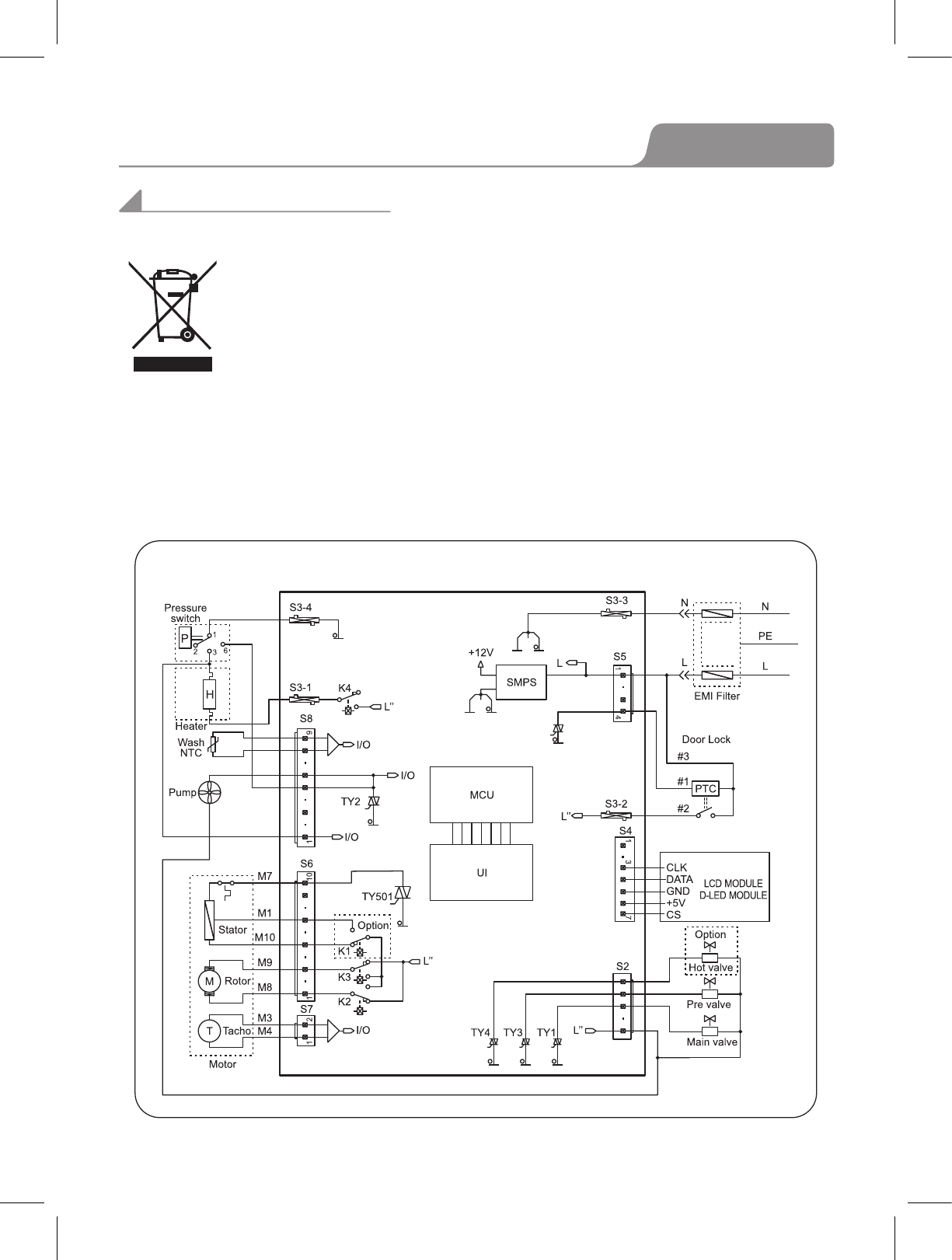
Схема электрических соединений
DWD-MH8011_8012_8013_러시아.indd 18
2013-07-04 오후 1:36:18









