Stiebel Eltron DHF 21 C - Инструкция по эксплуатации

Stiebel Eltron DHF 21 C

Водонагреватель Stiebel Eltron DHF 21 C - инструкция пользователя по применению, эксплуатации и установке на русском языке. Мы надеемся, она поможет вам решить возникшие у вас вопросы при эксплуатации техники.

Если остались дополнительные вопросы — свяжитесь с нами через контактную форму.

1 Страница 1
2 Страница 2
3 Страница 3
4 Страница 4
5 Страница 5
6 Страница 6
7 Страница 7
8 Страница 8
9 Страница 9
10 Страница 10
11 Страница 11
12 Страница 12
13 Страница 13
14 Страница 14
15 Страница 15
16 Страница 16
17 Страница 17
18 Страница 18
19 Страница 19
20 Страница 20
21 Страница 21
22 Страница 22
23 Страница 23
24 Страница 24
25 Страница 25
26 Страница 26
27 Страница 27
28 Страница 28
Страница: / 28
Загрузка инструкции

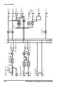
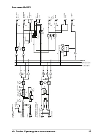
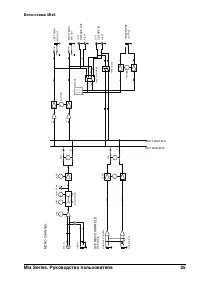
Mix 5 • Mix 8 • Mix 12 FX

Êîìïàêòíûå ìèêøåðíûå ïóëüòû

Ðóêîâîäñòâî ïîëüçîâàòåëÿ

Îôèöèàëüíûé äèñòðèáüþòåð íà òåððèòîðèè Ðîññèè - êîìïàíèÿ A&T Trade

www.attrade.ru

EQ

AUX

U

+15

O

O

80Hz

LOW

12kHz

HI

2.5kHz

MID

-15

U

+15

-15

U

+15

-15

U

+15

CR / PHONES

48V

MAIN MIX

MIC

MIC

BAL / UNBAL

BAL / UNBAL

BAL / UNBAL

BAL / UNBAL

BAL / UNBAL

BAL / UNBAL

BAL /

UNBAL

LINE IN

LINE IN

LINE IN

LINE IN

3/4

L

L

L

L

R

R

R

R

MAIN OUT

AUX

RETURN

AUX SEND

5/6

L

R

CR OUT

PHONES

1

2

U

MIC

G AIN

+50

-20dB

+30dB

GAIN

U

MIC

G AIN

+50

-20dB

+30dB

GAIN

L

R

IN

OUT

TO CR /

PHONES

TO MAIN

-20

0

+6

-OL

O

O

MAX

U

+15

AUX

MASTER

O

O

LEVEL

O

O

+10

EQ

AUX

U

+15

O

O

80Hz

LOW

12kHz

HI

2.5kHz

MID

-15

U

+15

-15

U

+15

-15

U

+15

LEVEL

O

O

+10

EQ

AUX

U

+15

O

O

80Hz

LOW

12kHz

HI

2.5kHz

MID

-15

U

+15

-15

U

+15

-15

U

+15

LEVEL

O

O

+10

EQ

AUX

U

+15

O

O

80Hz

LOW

12kHz

HI

2.5kHz

MID

-15

U

+15

-15

U

+15

-15

U

+15

LEVEL

O

O

+10

O

O

+10

U

U

48V

"Загрузка инструкции" означает, что нужно подождать пока файл загрузится и можно будет его читать онлайн. Некоторые инструкции очень большие и время их появления зависит от вашей скорости интернета.

Характеристики

Другие модели - Водонагреватели Stiebel Eltron

Все водонагреватели Stiebel Eltron