STATUS UniOne CTW 24Li 07125901 - Инструкция по эксплуатации

STATUS UniOne CTW 24Li 07125901

Шуруповерт STATUS UniOne CTW 24Li 07125901 - инструкция пользователя по применению, эксплуатации и установке на русском языке. Мы надеемся, она поможет вам решить возникшие у вас вопросы при эксплуатации техники.

Если остались дополнительные вопросы — свяжитесь с нами через контактную форму.

1 Страница 1
Страница: / 1
Загрузка инструкции

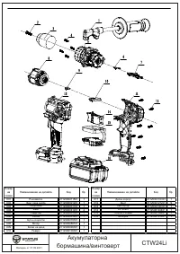
CTW24Li

Валиден от 01.09.2021

Акумулаторна

бормашина/винтоверт

Номер

на

схема

Наименование на детайла

Код

бр.

Номер

на

схема

Наименование на детайла

Код

бр.

001

Ръкохватка

27

1

25

90011

8

01

1

011

Десен корпус

27

1

25

90110

3

01

1

00

2

Винт лява резба

27

1

25

900

2

1

2

01

1

01

2

Винт

27

1

25

901

2

1

2

01

9

00

3

Патронник

27

1

25

900

3

1

7

01

1

01

3

Ляв корпус

27

1

25

901

3

0

3

01

1

00

4

Винт

27

1

25

900

4

1

2

01

4

01

4

Ел. ключ

27

1

25

901

4

0

4

01

1

00

5

Редуктор

27

1

25

900

5

1

3

01

1

01

5

Платка с клеми

27

1

25

901

5

0

4

01

1

00

6

Скоба

27

1

25

900

6

1

4

01

1

01

6

Батерия

27

1

25

901

6

1

8

01

1

00

7

Бутон скорости

27

1

25

900

7

0

3

01

1

00

8

Мотор

27

1

25

900

8

0101

1

009

Капак на диод

27

1

25

90090

3

01

1

010

Реверс

27

1

25

90100

3

01

1

"Загрузка инструкции" означает, что нужно подождать пока файл загрузится и можно будет его читать онлайн. Некоторые инструкции очень большие и время их появления зависит от вашей скорости интернета.

Характеристики

Другие модели - Шуруповерты STATUS

Все шуруповерты STATUS