Стабилизатор напряжения Ресанта АСН-200000/3-ЭМ - инструкция пользователя по применению, эксплуатации и установке на русском языке. Мы надеемся, она поможет вам решить возникшие у вас вопросы при эксплуатации техники.
Если остались вопросы, задайте их в комментариях после инструкции.
"Загружаем инструкцию", означает, что нужно подождать пока файл загрузится и можно будет его читать онлайн. Некоторые инструкции очень большие и время их появления зависит от вашей скорости интернета.

Ред. 9.2
5
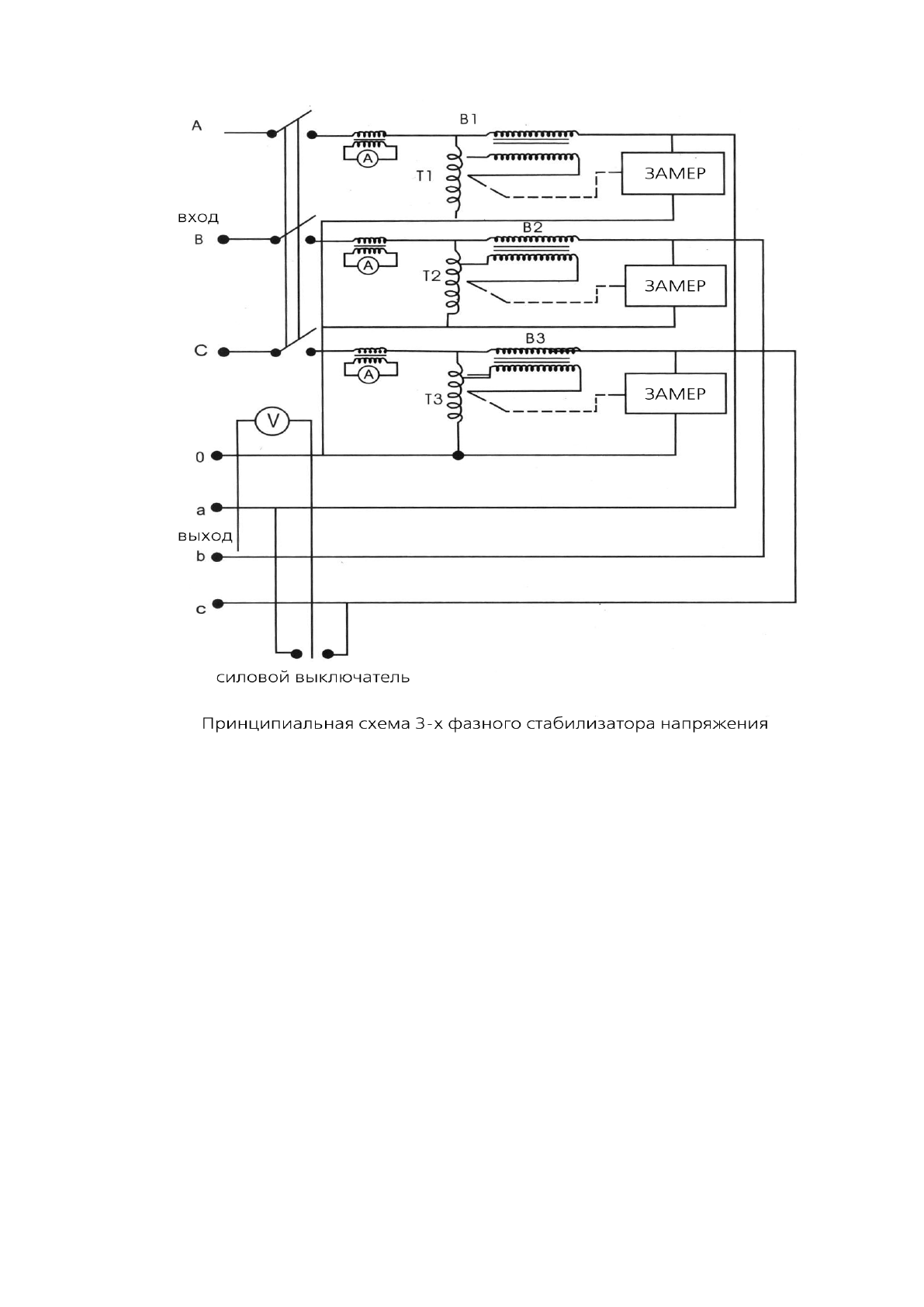
УСЛОВИЯ ЭКСПЛУАТАЦИИ
▪
Данный стабилизатор должен быть заземлён и установлен на
твёрдой горизонтальной поверхности.
▪
Место установки стабилизатора должно быть защищено от прямого
воздействия солнечных лучей.
▪
Прибор рассчитан на работу при температуре окружающей среды
+5
о
С …+40
о
С, относительная влажность воздуха, % <80 и
атмосферное давление, мм рт.ст. от 647 до 800
При эксплуатации стабилизатора при входном напряжении ниже 190 В
суммарная мощность нагрузки по каждой фазе должна быть уменьшена с
таким расчетом, что бы ток по фазе не превышал максимальный рабочий.
В случае несоблюдения этого требования гарантийный ремонт не
производится.
Содержание
- 4 Подключение стабилизатора осуществляется с помощью панели с
- 5 В случае несоблюдения этого требования гарантийный ремонт не
- 8 ТРАНСПОРТИРОВКА
- 9 ВОЗМОЖНЫЕ НЕПОЛАДКИ, ВОЗНИКАЮЩИЕ ПРИ РАБОТЕ; Неполадки
- 10 РЕКОМЕНДАЦИИ ПО ВЫБОРУ СТАБИЛИЗАТОРА; При выборе стабилизатора напряжения необходимо знать о
- 12 Полный актуальный список сервисных центров Вы так же можете
- 13 ГАРАНТИЙНЫЕ ОБЯЗАТЕЛЬСТВА
- 14 ФИО и подпись покупателя
Характеристики
Остались вопросы?Не нашли свой ответ в руководстве или возникли другие проблемы? Задайте свой вопрос в форме ниже с подробным описанием вашей ситуации, чтобы другие люди и специалисты смогли дать на него ответ. Если вы знаете как решить проблему другого человека, пожалуйста, подскажите ему :)