sonniger  GUARD100С CG0025 - Инструкция по эксплуатации

sonniger  GUARD100С CG0025

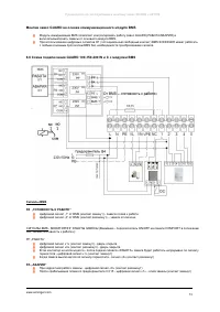
Обогреватель sonniger  GUARD100С CG0025 - инструкция пользователя по применению, эксплуатации и установке на русском языке. Мы надеемся, она поможет вам решить возникшие у вас вопросы при эксплуатации техники.

Если остались дополнительные вопросы — свяжитесь с нами через контактную форму.

1 Страница 1
2 Страница 2
3 Страница 3
4 Страница 4
5 Страница 5
6 Страница 6
7 Страница 7
8 Страница 8
9 Страница 9
10 Страница 10
11 Страница 11
12 Страница 12
13 Страница 13
14 Страница 14
15 Страница 15
16 Страница 16
17 Страница 17
18 Страница 18
19 Страница 19
20 Страница 20
Страница: / 20
Загрузка инструкции

Паспорт

Гарантийный талон




ООО СОННИГЕР

115201, Москва, ул. Котляковская д.3, стр.9

тел./факс +7 (495) 620 48 43

www.sonniger.ru, russia@sonniger.com


"Загрузка инструкции" означает, что нужно подождать пока файл загрузится и можно будет его читать онлайн. Некоторые инструкции очень большие и время их появления зависит от вашей скорости интернета.

Характеристики

Другие модели - Обогреватели sonniger

Все обогреватели sonniger