Соковыжималки Saturn ST-FP0073 - инструкция пользователя по применению, эксплуатации и установке на русском языке. Мы надеемся, она поможет вам решить возникшие у вас вопросы при эксплуатации техники.
Если остались вопросы, задайте их в комментариях после инструкции.
"Загружаем инструкцию", означает, что нужно подождать пока файл загрузится и можно будет его читать онлайн. Некоторые инструкции очень большие и время их появления зависит от вашей скорости интернета.

8
мотора
і
поверніть
його
за
годинниковою стрілкою до упору.
Після чого встановіть на місце фільтр і
накрийте його прозорою кришкою і
трохи натисніть, щоб спрацював
внутрішній фіксатор.
3. Потім поставте ємність для соку під
вихідний отвір для соку (стежте за
тим, щоб ємність була повернена
увігнутою стороною до блоку мотора).
4. Увімкніть живлення і встановіть
перемикач в положення 1, прилад
почне працювати.
5. Покладіть шматочок фрукта або
овоча в завантажувальну горловину і
проштовхніть за допомогою іншого
шматочка. Слідкуйте за тим, щоб
горловина була заповнена не більше,
ніж
на
одну
третину,
потім
проштовхуйте продукти штовхачем.
6. Вчасно очищуйте сепаратор від
м'якоті, в середньому кожні 500 г
перероблених фруктів або овочів.
7.
Забороняється
проштовхувати
фрукти або овочі пальцями, або
іншими предметами, використовуйте
для цього штовхач.
Захисні пристрої.
Мотор приладу обладнано захисним
блоком, який автоматично вимикає
прилад
при
перевантаженні
або
перегріві і знову вмикає його після
того як прилад достатньо охолоне.
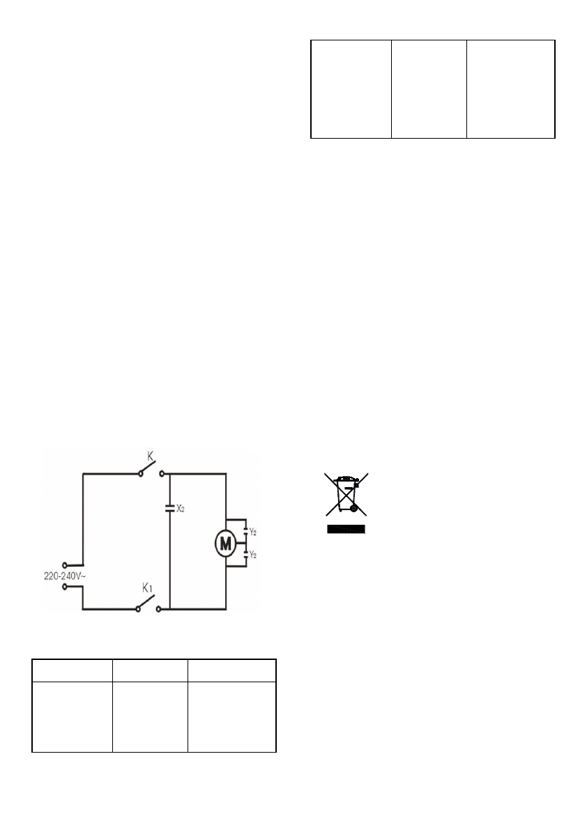
Принципова електросхема.
Усунення несправностей.
Несправ-
ність
Можл.
причина
Що
перевірити
Мотор не
працює
Фиксатор
не
спрацю-
вав
Встановіть
сепаратор і
кришку
правильно
Перегрів
мотору або
неприєм-
ний запах
Забагато
продуктів
або
задовгий
час
роботи
Зменшіть
к-сть
продуктів і
продовжуй-
те роботу
після того
як прилад
достатньо
охолоне
Обслуговування
1. Уникайте будь-яких ударів приладу,
інакше це може призвести до його
поломки або деформації.
2.
Після
кожного
використання
очищуйте частини приладу, після чого
протирайте їх чистою тканиною і
зберігайте в чистому і провітрюваному
місці.
Технічні характеристики
Потужність: 300 Вт
Номінальна напруга: 220-230 В
Номінальна частота: 50 Гц
Номінальний струм: 1.4 A
Комплектність
СОКОВИЖИМАЛКА 1 шт.
ІНСТРУКЦІЯ З ЕКСПЛУАТАЦІЇ
З ГАРНТІЙНИМ ТАЛОНОМ 1 шт.
УПАКОВКА 1 шт.
Охорона навколишнього
середовища. Утилізація
Ви можете допомогти в
охороні навколишнього
середовища!
Будьте ласка, виконуйте
місцеві норми:
передавайте непрацююче
електричне обладнання у
відповідний центр утилізації відходів.
Виробник залишає за собою право
вносити зміни в технічні
характеристики і дизайн виробів.