Системы видеонаблюдения Hikvision DS-2CD23 - инструкция пользователя по применению, эксплуатации и установке на русском языке. Мы надеемся, она поможет вам решить возникшие у вас вопросы при эксплуатации техники.
Если остались вопросы, задайте их в комментариях после инструкции.
"Загружаем инструкцию", означает, что нужно подождать пока файл загрузится и можно будет его читать онлайн. Некоторые инструкции очень большие и время их появления зависит от вашей скорости интернета.

Купольная IP-камера - краткое руководство пользователя
29
4)
Установите и затяните винты на крышке слота карты
памяти.
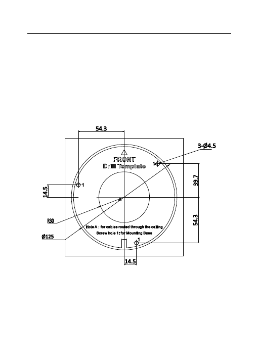
3.
Установите шаблон крепления на поверхность для установки
и просверлите отверстия для шурупов и кабеля в соответствии
с шаблоном.
Примечание:
Если камера устанавливается на деревянную поверхность,
достаточно будет использовать только саморезы.
Рисунок 2-25 Шаблон крепления
4.
Установите монтажную платформу на потолок и закрепите ее
с помощью прилагаемых шурупов.
Характеристики
Остались вопросы?Не нашли свой ответ в руководстве или возникли другие проблемы? Задайте свой вопрос в форме ниже с подробным описанием вашей ситуации, чтобы другие люди и специалисты смогли дать на него ответ. Если вы знаете как решить проблему другого человека, пожалуйста, подскажите ему :)