Системные блоки Lenovo ThinkCentre M630e - инструкция пользователя по применению, эксплуатации и установке на русском языке. Мы надеемся, она поможет вам решить возникшие у вас вопросы при эксплуатации техники.
Если остались вопросы, задайте их в комментариях после инструкции.
"Загружаем инструкцию", означает, что нужно подождать пока файл загрузится и можно будет его читать онлайн. Некоторые инструкции очень большие и время их появления зависит от вашей скорости интернета.
Загружаем инструкцию

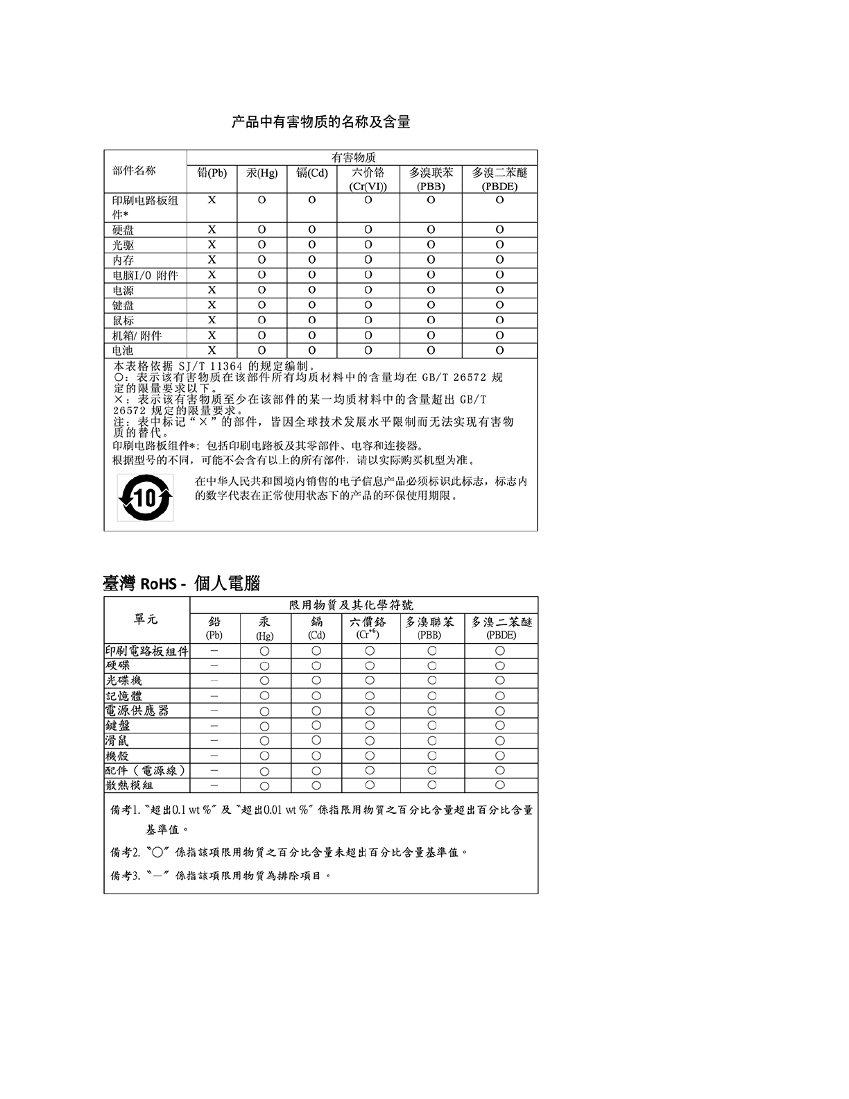
RoHS для материкового Китая
Директива с ограничениями по работе с опасными веществами (RoHS) для Тайваня (Китай)
Приложение C. Информация о соответствии
89
Содержание
- 3 Содержание
- 5 Об этой документации
- 7 Глава 1. Знакомство с компьютером; Вид спереди
- 9 Вид сзади
- 11 Материнская плата
- 13 Компоненты и спецификации
- 15 Глава 2. Начало работы с компьютером; Начало работы с Windows 10
- 16 Пользовательский интерфейс Windows
- 17 Подключение к сетям
- 18 Использование мультимедиа
- 19 Глава 3. Подробнее о компьютере; Управление питанием; Настройка плана электропитания; Передача данных
- 20 Использование мультимедийной карты (в некоторых моделях)
- 21 Приобретение аксессуаров
- 23 Глава 4. Защита компьютера и информации; Блокировка компьютера; Безопасный вход в систему компьютера
- 24 Использование программных решений обеспечения безопасности
- 26 Использование функции Intel BIOS guard
- 27 Изменение языка интерфейса UEFI BIOS
- 28 Установка системной даты и времени; Изменение последовательности загрузки
- 29 Включение и отключение функции управления включением
- 30 Изменение режима производительности ICE
- 31 Обновление UEFI BIOS
- 33 Основная процедура устранения проблем компьютера; Устранение неполадок
- 35 Проблемы с воспроизведением звука
- 36 Проблемы с сетью
- 38 Проблемы производительности
- 39 Проблемы, связанные с устройствами хранения данных
- 40 Проблемы с разъемом последовательного порта
- 41 Проблемы с устройством USB; Проблемы с программным обеспечением; Диагностика
- 42 Восстановление файлов из резервной копии; Переустановка компьютера; Использование дополнительных параметров
- 44 Обновление драйверов устройств
- 45 Что такое CRU
- 46 Замена CRU; Адаптер питания и шнур питания
- 48 Вертикальная подставка
- 49 Пылезащитный колпак
- 51 Кожух компьютера
- 52 Устройство хранения данных
- 57 Вентилятор компьютера
- 58 Нижний кожух
- 59 Модули памяти
- 61 Твердотельный диск M.2
- 65 Глава 8. Справка и поддержка; Ресурсы для самостоятельного устранения неполадок
- 67 Приобретение дополнительных услуг
- 69 Замечания по технике безопасности; Состояния, требующие немедленных действий
- 70 Обслуживание и модернизация
- 72 Шнуры и адаптеры питания; Замечание о шнурах питания
- 73 Удлинители и связанные устройства
- 74 Электрические вилки и розетки; Заявление в отношении источника питания
- 75 Замечание о плоской круглой литиевой батарейке
- 76 Тепловыделение и вентиляция
- 78 Замечание о жидкокристаллическом дисплее (ЖКД); Наушники, головные телефоны или гарнитура
- 79 Замечание об опасности удушения; Замечания по пластиковым пакетам; Замечание по стеклянным компонентам
- 80 Примечания о местонахождении компьютера; Положение об опасной энергии; Комфорт для глаз
- 81 Замечание об опасности опрокидывания; Удаленное управление
- 82 Условия эксплуатации; Очистка и обслуживание
- 85 Информация о специальных возможностях
- 87 Эргономичность работы
- 89 Приложение C. Информация о соответствии; Заявление о соответствии радиочастот
- 91 Важная информация о WEEE; Заявление об утилизации для Японии
- 92 Информация по утилизации для Бразилии; Информация об утилизации аккумуляторов для Европейского союза
- 93 Информация об утилизации для Китая
- 96 Замечания об электромагнитном излучении
- 98 Этикетки с нормативной информацией
- 101 Приложение D. Замечания и товарные знаки












