Системные блоки Lenovo IdeaCentre T540-15ICB Gaming - инструкция пользователя по применению, эксплуатации и установке на русском языке. Мы надеемся, она поможет вам решить возникшие у вас вопросы при эксплуатации техники.
Если остались вопросы, задайте их в комментариях после инструкции.
"Загружаем инструкцию", означает, что нужно подождать пока файл загрузится и можно будет его читать онлайн. Некоторые инструкции очень большие и время их появления зависит от вашей скорости интернета.
Загружаем инструкцию

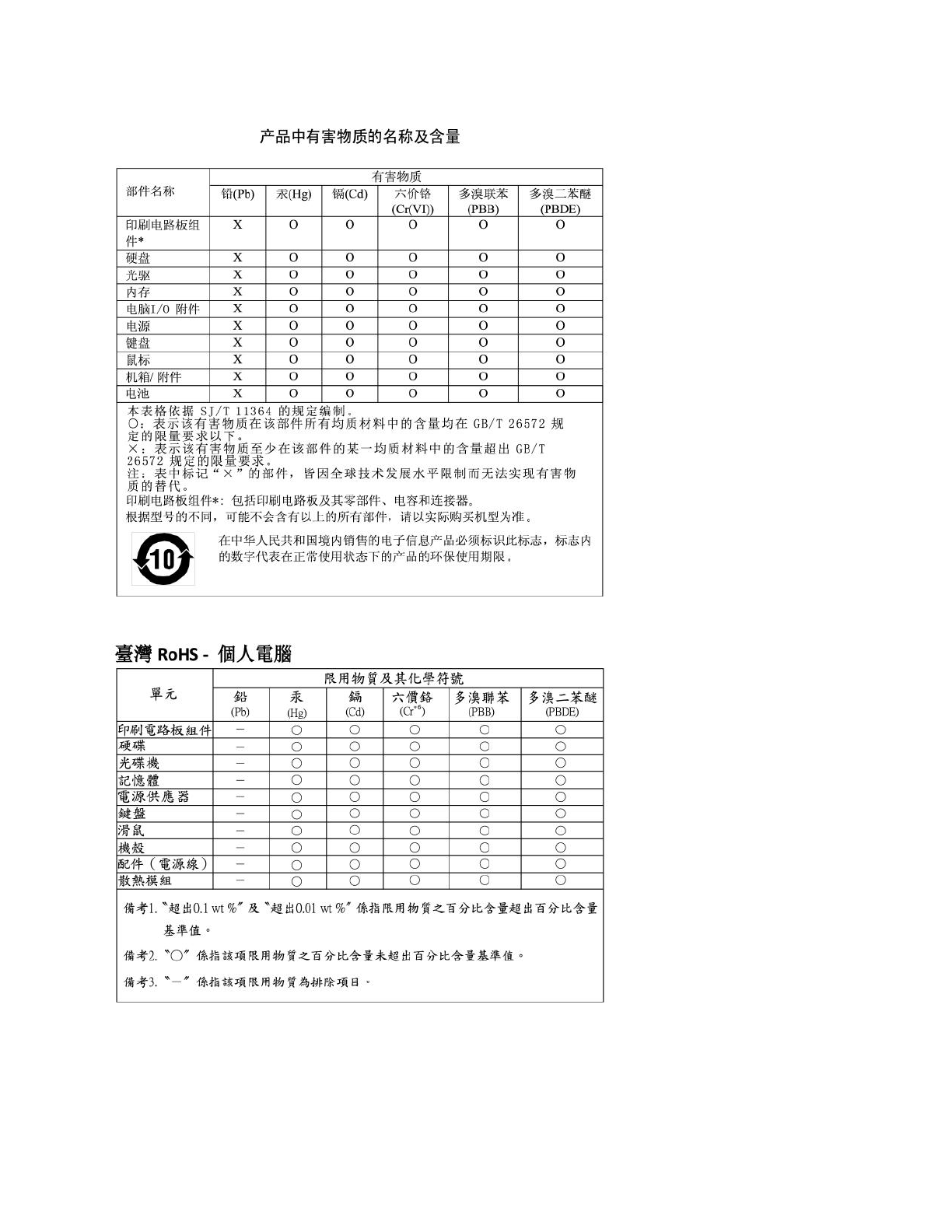
RoHS для материкового Китая
Директива с ограничениями по работе с опасными веществами (RoHS) для Тайваня (Китай)
Приложение C. Информация о соответствии
71
Содержание
- 3 Содержание
- 5 Об этой документации; iii
- 7 Глава 1. Знакомство с компьютером; Вид спереди
- 9 Вид сзади
- 11 Глава 2. Начало работы с компьютером; Подключение к сетям; Доступ к Lenovo Vantage; Lenovo Vantage; Ключевые функции
- 12 Работоспособность и поддержка; Безопасность Lenovo Wi-Fi; Приобретение аксессуаров
- 13 Основная процедура устранения проблем компьютера; Предварительное требование; Устранение неполадок
- 15 Проблемы с воспроизведением звука
- 16 Проблемы с сетью
- 18 Проблемы производительности
- 19 Проблемы, связанные с устройствами хранения данных; Проблемы с разъемом последовательного порта
- 20 Проблемы с программным обеспечением; Восстановление; Восстановление файлов из резервной копии; Переустановка компьютера
- 22 Обновление драйверов устройств
- 23 Что такое CRU; Узлы CRU самообслуживания.; Замена CRU
- 24 Шнур питания; Процедура замены
- 25 Кожух компьютера
- 26 Лицевая панель
- 27 Модули памяти
- 30 Устройство хранения данных
- 34 Карта PCI Express
- 36 Твердотельный диск M.2
- 39 Крепежная скоба твердотельного диска M.2
- 40 Блок питания
- 43 Плоская круглая батарейка
- 47 Глава 5. Справка и поддержка; Ресурсы для самостоятельного устранения неполадок
- 48 Телефоны
- 49 Услуги, не предусмотренные условиями гарантии; Приобретение дополнительных услуг
- 51 Замечания по технике безопасности; Состояния, требующие немедленных действий
- 52 Обслуживание и модернизация
- 54 Шнуры и адаптеры питания; ОПАСНО; Замечание о шнурах питания
- 55 Удлинители и связанные устройства
- 56 Электрические вилки и розетки; Заявление в отношении источника питания
- 57 Замечание о плоской круглой литиевой батарейке; Тепловыделение и вентиляция
- 60 Сведения о лазерной безопасности; Наушники, головные телефоны или гарнитура
- 61 Замечание об опасности удушения; Замечания по пластиковым пакетам; Замечание по стеклянным компонентам
- 62 Положение об опасной энергии; Замечание об опасности опрокидывания; Удаленное управление
- 63 Условия эксплуатации; Температура; Относительная влажность; Очистка и обслуживание; Основные рекомендации по обслуживанию
- 65 Чистка поверхности компьютера; Чистка клавиатуры
- 67 Информация о специальных возможностях
- 69 Эргономичность работы
- 71 Приложение C. Информация о соответствии; Заявление о соответствии радиочастот; Для моделей компьютеров с беспроводными радиоустройствами:; Для моделей компьютеров без беспроводных радиоустройств:
- 73 Важная информация о WEEE; Информация о WEEE для Венгрии; Заявление об утилизации для Японии; Collecting and recycling a disused Lenovo computer or monitor
- 75 Утилизация аккумуляторов из продуктов Lenovo; Информация об утилизации для Китая
- 78 Замечания об электромагнитном излучении
- 79 Соответствие директиве по электромагнитной совместимости
- 80 Название продукта; Типы компьютеров; Этикетки с нормативной информацией
- 81 Power; Enabled; Disabled
- 82 Информация о моделях ENERGY STAR
- 85 Приложение D. Замечания и товарные знаки; Замечания
- 86 Товарные знаки