СИБРТЕХ ИН-802, 230В, 800 Вт 96456 - Инструкция по эксплуатации

СИБРТЕХ ИН-802, 230В, 800 Вт 96456

Обогреватель СИБРТЕХ ИН-802, 230В, 800 Вт 96456 - инструкция пользователя по применению, эксплуатации и установке на русском языке. Мы надеемся, она поможет вам решить возникшие у вас вопросы при эксплуатации техники.

Если остались дополнительные вопросы — свяжитесь с нами через контактную форму.

1 Страница 1
2 Страница 2
3 Страница 3
4 Страница 4
5 Страница 5
6 Страница 6
7 Страница 7
8 Страница 8
9 Страница 9
10 Страница 10
11 Страница 11
12 Страница 12
13 Страница 13
14 Страница 14
15 Страница 15
16 Страница 16
17 Страница 17
18 Страница 18
19 Страница 19
20 Страница 20
Страница: / 20
Загрузка инструкции

РУКОВОДСТВО

ПО ЭКСПЛУАТАЦИИ

ИНФРАКРАСНЫЙ ОБОГРЕВАТЕЛЬ

ВНИМАНИЕ

Прочитайте данное

руководство перед

эксплуатацией

изделия и сохраните

его для дальнейшего

использования.

ВАЖНО!

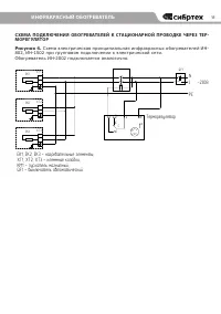
В данном руководстве рассмотрены правила эксплуатации

и технического обслуживания инфракрасных обогревателей

«

Сибртех

»

. Пожалуйста, обратите особое внимание

на предупреждающие надписи. Нарушение инструкции

может привести к поломке оборудования или травме.

Данное изделие является технически сложным товаром.

96456 (ИН-802)

96457 (ИН-1502)

96458 (ИН-2002)

Code–128

"Загрузка инструкции" означает, что нужно подождать пока файл загрузится и можно будет его читать онлайн. Некоторые инструкции очень большие и время их появления зависит от вашей скорости интернета.

Характеристики

Другие модели - Обогреватели СИБРТЕХ

Все обогреватели СИБРТЕХ