Швейная машина Janome Memory Craft 3500 - инструкция пользователя по применению, эксплуатации и установке на русском языке. Мы надеемся, она поможет вам решить возникшие у вас вопросы при эксплуатации техники.
Если остались вопросы, задайте их в комментариях после инструкции.
"Загружаем инструкцию", означает, что нужно подождать пока файл загрузится и можно будет его читать онлайн. Некоторые инструкции очень большие и время их появления зависит от вашей скорости интернета.

13
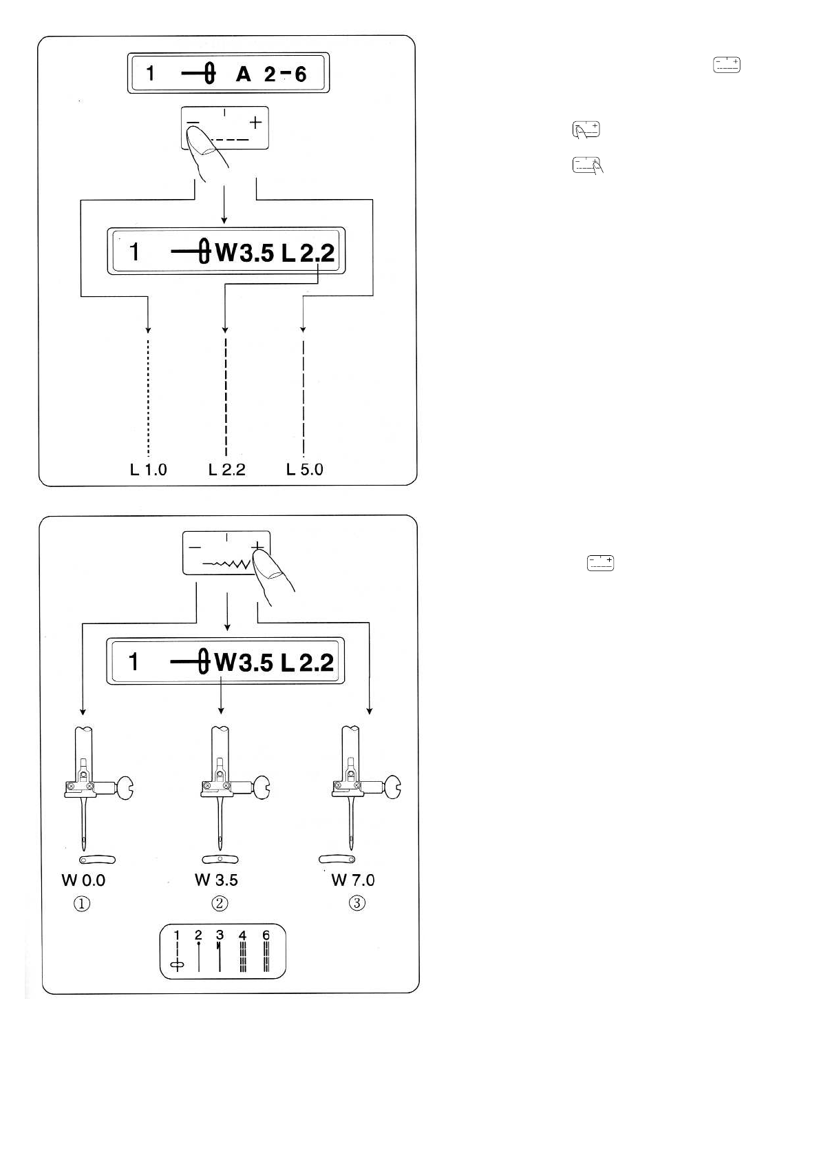
· Регулировка длины стежка вручную
При нажатии клавиши ширины стежка
запрограммированная установка (2.2) появится на
экране.
Ее возможно устанавливать от 0 до 5.
Нажмите клавишу . Цифра на экране
уменьшится, а длина стежка станет короче.
Нажмите клавишу . Цифра на экране
увеличится, а длина стежка станет длиннее.
*
Длину обратного стежка нельзя установить
больше 2,5 мм.
· Различные положения иглы
При выборе образцов, приведенных ниже, и
нажатии на клавишу положения иглы можно
изменить положение иглы по Вашему выбору.
|
Левое
~
Серединное
¡
Правое












