Швейная машина Astralux 9800 - инструкция пользователя по применению, эксплуатации и установке на русском языке. Мы надеемся, она поможет вам решить возникшие у вас вопросы при эксплуатации техники.
Если остались вопросы, задайте их в комментариях после инструкции.
"Загружаем инструкцию", означает, что нужно подождать пока файл загрузится и можно будет его читать онлайн. Некоторые инструкции очень большие и время их появления зависит от вашей скорости интернета.

Замена лампочки
Внимание: Отсоедините машину от питания, выдернув штепсель из розетки, и
подождите, пока лампочка остынет!
Примите во внимание:
-
Лампу 5Ватт может поменять сам пользователь.
- Светодиодную лампу 240мВатт пользователь не должен менять сам.
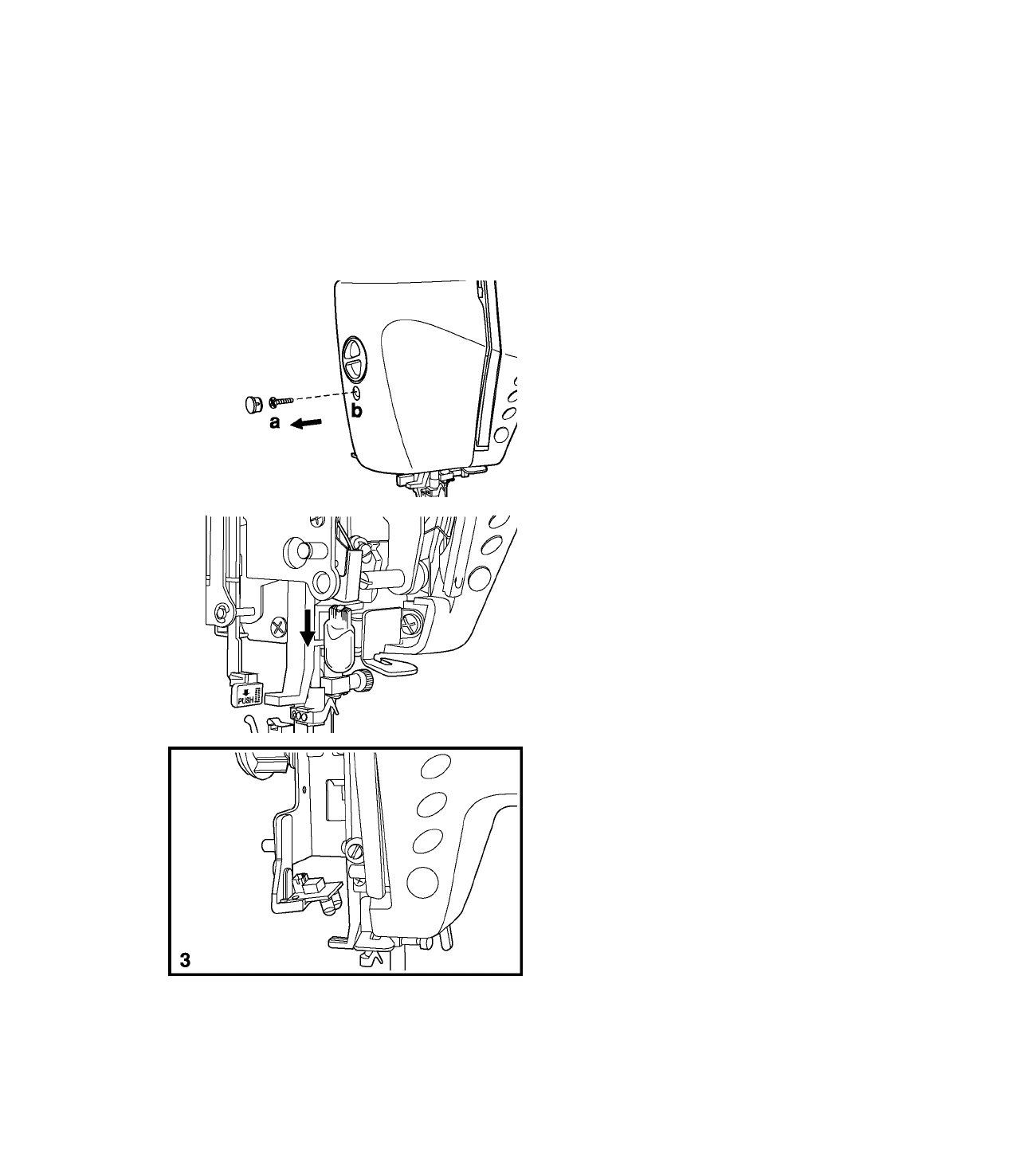
1. Ослабьте винт (а) на левой стороне
передней панели и снимите переднюю
панель (Ь).
2. Если машина оснаш;ена лампочкой 5Вт,
то выполните следующую процедуру:
- потяните лампочку вниз, чтобы ее
вынуть;
- замените ее на новую;
- верните на место переднюю панель и
закрутите винт.
3.
Если машина оснащена лампочкой
240мВт, то для ее замены Н
5
жю
обратиться к производителю или к
местному дилеру.
66
