Roda RI-4.0 R0010805 - Инструкция по эксплуатации

Roda RI-4.0 R0010805

Обогреватель Roda RI-4.0 R0010805 - инструкция пользователя по применению, эксплуатации и установке на русском языке. Мы надеемся, она поможет вам решить возникшие у вас вопросы при эксплуатации техники.

Если остались дополнительные вопросы — свяжитесь с нами через контактную форму.

1 Страница 1
2 Страница 2
3 Страница 3
4 Страница 4
5 Страница 5
6 Страница 6
7 Страница 7
8 Страница 8
9 Страница 9
10 Страница 10
11 Страница 11
12 Страница 12
13 Страница 13
14 Страница 14
15 Страница 15
16 Страница 16
17 Страница 17
18 Страница 18
19 Страница 19
20 Страница 20
21 Страница 21
Страница: / 21
Загрузка инструкции

Инструкция
по эксплуатации

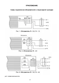
Инфракрасный обогреватель Roda RI-4.0 R0010805

Цены на товар на сайте:

http://www.vseinstrumenti.ru/klimat/obogrevateli/infrakrasnye/roda/ri-4.0-r0010805/

Отзывы и обсуждения товара на сайте:

http://www.vseinstrumenti.ru/klimat/obogrevateli/infrakrasnye/roda/ri-4.0-r0010805/#tab-Responses

"Загрузка инструкции" означает, что нужно подождать пока файл загрузится и можно будет его читать онлайн. Некоторые инструкции очень большие и время их появления зависит от вашей скорости интернета.

Характеристики

Другие модели - Обогреватели Roda