Roda JSD20-B1 Atmo белая (на сжиженном газе) - Инструкция по эксплуатации

Roda JSD20-B1 Atmo белая (на сжиженном газе)

Водонагреватель Roda JSD20-B1 Atmo белая (на сжиженном газе) - инструкция пользователя по применению, эксплуатации и установке на русском языке. Мы надеемся, она поможет вам решить возникшие у вас вопросы при эксплуатации техники.

Если остались дополнительные вопросы — свяжитесь с нами через контактную форму.

1 Страница 1
2 Страница 2
3 Страница 3
4 Страница 4
5 Страница 5
6 Страница 6
7 Страница 7
8 Страница 8
9 Страница 9
10 Страница 10
11 Страница 11
12 Страница 12
13 Страница 13
14 Страница 14
Страница: / 14

Содержание:

  • Страница 6 – Подключение труб холодной и горячей воды.
  • Страница 7 – облегчит дальнейшее обслуживание прибора.; Подключение газовых труб.; Данный водонагреватель не предназначен для работы на; Внимание; . Подключение к газовой магистрали выполняют только; Установка дымохода для отвода продуктов сгорания.
  • Страница 8 – Дымоходная труба должна иметь внутренний диаметр не менее 110 мм.; Правильно
  • Страница 9 – Подготовка перед включением:; Открыть кран подачи газа на водонагреватель; Регулирование температуры горячей воды.; Для регулирования температуры горячей воды:; Защита от замерзания.; Полностью удалить воду из водонагревателя.
  • Страница 11 – Типичные проблемы и их решения.
  • Страница 14 – Технические характеристики.
Загрузка инструкции

1

Мы благодарим Вас за то, что Вы выбрали газовые водонагреватели

RODA

.

Водонагреватели

RODA

производятся по передовым технологиям в соответствии с

профессиональными стандартами. Перед началом эксплуатации, пожалуйста,

внимательно прочтите инструкцию по установке и использованию. Сохраняйте данное

руководство для последующего использования.

ВНИМАНИЕ!

ГОСУДАРСТВЕННЫЙ КОМИТЕТ РОССИЙСКОЙ ФЕДЕРАЦИИ ПО СТРОИТЕЛЬСТВУ И

ЖИЛИЩНО-КОММУНАЛЬНОМУ КОМПЛЕКСУ ПОСТАНОВЛЕНИЕ от 27 сентября 2003г. №

170 ОБ УТВЕРЖДЕНИИ ПРАВИЛ И НОРМ ТЕХНИЧЕСКОЙ ЭКСПЛУАТАЦИИ ЖИЛИЩНОГО

ФОНДА:

5.5.2. Монтаж и демонтаж газопроводов, установка газовых приборов, аппаратов и

другого газоиспользующего оборудования, присоединение их к газопроводам,

системам

поквартирного

водоснабжения

и

теплоснабжения

производится

специализированными организациями.

5.5.3. Самовольная перекладка газопроводов, установка дополнительного и

перестановка имеющегося газоиспользующего оборудования не допускается. Работы

при установке дополнительного оборудования выполняет специализированная

организация по согласованию с газоснабжающей организацией.

СОДЕРЖАНИЕ:

Особенности

1

Меры предосторожности

2

Установка водонагревателя

5

Эксплуатация

9

Ежедневный уход

10

Типичные проблемы и их решение

11

Сервисное обслуживание

12

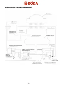
Функциональная схема водонагревателя

13

Технические характеристики

14

Примечание:

Содержание данного руководства может отличаться от характеристик

Вашего изделия.

Предупреждение:

Данный водонагреватель должен быть установлен вне ванной комнаты в

проветриваемом месте.

Подключение к коммуникациям и дымоходу должно

проводиться с соблюдением местных норм и правил, а также требований

данного документа

. Данный водонагревательный прибор соответствует

ДСТУ 2356-

94 (Украина) и ГОСТу 19910-94. (Россия)

Номер лицензии на производство: ХК00-102015 8

Особенности:

В газовом проточном водонагревателе "RODA" в качестве топлива используется

природный газ. Он может быстро нагреть воду для ванной комнаты и кухни.

Простота эксплуатации

. В газовом проточном водонагревателе "RODA" отсутствует

постоянно горящий фитиль. Розжиг горелки происходит автоматически при

открывании крана горячей воды. Для розжига используются запальные электроды и

блок розжига. Источником питания служат две батареи 1,5 В.

Безопасность и надежность:

В водонагревателе присутствуют все защитные устройства предусмотренные

нормативными документами.

Защита от попадания продуктов сгорания в помещение

. Для предотвращения

"Загрузка инструкции" означает, что нужно подождать пока файл загрузится и можно будет его читать онлайн. Некоторые инструкции очень большие и время их появления зависит от вашей скорости интернета.

Краткое содержание

Страница 6 - Подключение труб холодной и горячей воды.

6 1. При выборе высоты установки прибора располагайте его таким образом, чтобы смотровое окно наличия пламени было на уровне глаз. 2. Расстояния с боков и сверху должны давать легкий доступ к аппарату для его обслуживания. 3. Убедитесь, что аппарат будет вывешен вертикально. 4. Для крепления прибора...

Страница 7 - облегчит дальнейшее обслуживание прибора.; Подключение газовых труб.; Данный водонагреватель не предназначен для работы на; Внимание; . Подключение к газовой магистрали выполняют только; Установка дымохода для отвода продуктов сгорания.

7 облегчит дальнейшее обслуживание прибора. Устанавливайте прибор таким образом, чтобы была возможность слить из него воду. Для подключения к патрубкам прибора желательно использовать соединение с помощью накидной гайки и плоской прокладки. Не прикладывайте чрезмерных усилий чтобы не повредить прибо...

Страница 8 - Дымоходная труба должна иметь внутренний диаметр не менее 110 мм.; Правильно

8 дымоходом. Дымоходная труба должна иметь внутренний диаметр не менее 110 мм. Для надежного отвода продуктов сгорания минимальная длина вертикального участка дымохода (прямой участок после водонагревателя) должна быть не менее 500 мм. Соединение аппарата с дымоотводящей трубой должно быть герметичн...

Характеристики

Другие модели - Водонагреватели Roda

Все водонагреватели Roda