РемоКолор ДУ-500 95-2-010 - Инструкция по эксплуатации

РемоКолор ДУ-500 95-2-010

Шуруповерт РемоКолор ДУ-500 95-2-010 - инструкция пользователя по применению, эксплуатации и установке на русском языке. Мы надеемся, она поможет вам решить возникшие у вас вопросы при эксплуатации техники.

Если остались дополнительные вопросы — свяжитесь с нами через контактную форму.

1 Страница 1
2 Страница 2
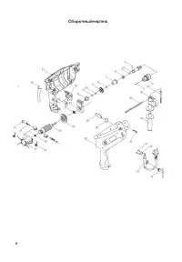
3 Страница 3
4 Страница 4
5 Страница 5
6 Страница 6
7 Страница 7
8 Страница 8
9 Страница 9
10 Страница 10
11 Страница 11
12 Страница 12
13 Страница 13
14 Страница 14
Страница: / 14
Загрузка инструкции

Производитель/ендiрушi: Чжецзян ЗЕК Импорт анд Экспорт Ко., Лтд, Адрес: 258 Баиши Роад, Ханчжоу, Чжецзян, Китай,

тел: +86-571-88398337, e-mail: info@zecgroup.com.

Официальный Импортер в Россию: ООО «ПрофСнаб-СПб», Россия, г. Санкт-Петербург, 192012, пр-кт Обуховской Обороны,

д. № 271, литера А, помещение 1201/1, тел.: +7 (921) 374-37-36, e-mail: torg@profsnab-spb.ru

Организация, принимающая претензии в РФ/наразылықтарды қабылдайтын ұйым: ООО «МИЛТЕКС», 140005, Россия,

Московская область, г. Люберцы, ул.Красная, д.1, пом.23, тел.: +7 (495) 668-13-64, е-mail: miltekc1@gmail.com

Kz: Казақстан Республикасының наразылық кабылдайтың ұйым/жеткiзушi ЖШС «ОРМИС», Казахстан Республикасы, 020202,

Ақмола облысы, Аршалы ауданы, Жiбек Жолы ауылы Бipлiк к-ci, 39, тел: +7(7172) 49-73-60, e-mail: treidford2003@mail.ru.

"Загрузка инструкции" означает, что нужно подождать пока файл загрузится и можно будет его читать онлайн. Некоторые инструкции очень большие и время их появления зависит от вашей скорости интернета.

Характеристики

Другие модели - Шуруповерты РемоКолор