Redverg RD-EHR2R 6659860 - Инструкция по эксплуатации

Redverg RD-EHR2R 6659860

Обогреватель Redverg RD-EHR2R 6659860 - инструкция пользователя по применению, эксплуатации и установке на русском языке. Мы надеемся, она поможет вам решить возникшие у вас вопросы при эксплуатации техники.

Если остались дополнительные вопросы — свяжитесь с нами через контактную форму.

1 Страница 1
2 Страница 2
3 Страница 3
4 Страница 4
5 Страница 5
6 Страница 6
7 Страница 7
8 Страница 8
9 Страница 9
10 Страница 10
11 Страница 11
12 Страница 12
13 Страница 13
14 Страница 14
15 Страница 15
Страница: / 15
Загрузка инструкции

ИНСТРУКЦИЯ

ПО ЭКСПЛУАТАЦИИ

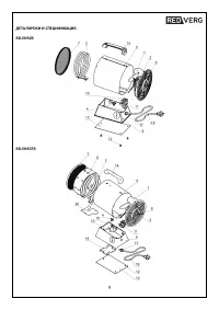
ВОЗДУХОНАГРЕВАТЕЛИ

ЭЛЕКТРИЧЕСКИЕ

REDVERG

RD-EHR2R

RD-EHR3TR

"Загрузка инструкции" означает, что нужно подождать пока файл загрузится и можно будет его читать онлайн. Некоторые инструкции очень большие и время их появления зависит от вашей скорости интернета.

Характеристики

Другие модели - Обогреватели Redverg

Все обогреватели Redverg