Redverg RD-EHR15/380ТR 6659864 - Инструкция по эксплуатации
Обогреватель Redverg RD-EHR15/380ТR 6659864 - инструкция пользователя по применению, эксплуатации и установке на русском языке. Мы надеемся, она поможет вам решить возникшие у вас вопросы при эксплуатации техники.
Если остались дополнительные вопросы — свяжитесь с нами через контактную форму.
1
2
3
4
5
6
7
8
9
10
11
12
13
14
15
16
17
Содержание:
Страница 2 – НАЗНАЧЕНИЕ УСТРОЙСТВА.; Модель
Страница 3 – Наименование; УКАЗАНИЯ ПО ТЕХНИКЕ БЕЗОПАСНОСТИ.
Страница 4 – ЭКСПЛУАТАЦИЯ ВОЗДУХОНАГРЕВАТЕЛЯ.; ОБЩИЙ ВИД ВОЗДУХОНАГРЕВАТЕЛЯ
Страница 6 – ТЕХНИЧЕСКОЕ ОБСЛУЖИВАНИЕ
Страница 7 – ВОЗМОЖНЫЕ НЕИСПРАВНОСТИ И МЕТОДЫ ИХ УСТРАНЕНИЯ.
Страница 8 – СЛУЧАИ УТРАТЫ ГАРАНТИЙНЫХ ОБЯЗАТЕЛЬСТВ
Страница 10 – QF
Страница 13 – RD-EHR15/380TR
Загрузка инструкции
ИНСТРУКЦИЯ
ПО ЭКСПЛУАТАЦИИ
ВОЗДУХОНАГРЕВАТЕЛИ
ЭЛЕКТРИЧЕСКИЕ
REDVERG
RD-EHR15/380TR
"Загрузка инструкции" означает, что нужно подождать пока файл загрузится и можно будет его читать онлайн. Некоторые инструкции очень большие и время их появления зависит от вашей скорости интернета.
Краткое содержание
Страница 2 - НАЗНАЧЕНИЕ УСТРОЙСТВА.; Модель
2 1. ОБЩАЯ ИНФОРМАЦИЯ. Настоящее руководство по эксплуатации предназначено для изучения воздухонагревателя RD-EHR15/380TR ; (далее по тексту воздухонагреватель ). В связи с постоянной работой по совершенствованию изделия, повышающей его надежность и улучшающей условия эксплуатации, в конструкции мог...
Страница 3 - Наименование; УКАЗАНИЯ ПО ТЕХНИКЕ БЕЗОПАСНОСТИ.
3 Воздухонагреватель имеет термостат, отключающий нагреватели при возникновении ненормального режима работы (перегрев вследствие остановки электродвигателя, перекрытия входного или выходного отверстия). Установленный срок службы – 2 года . Номинальный режим работы тепловентилятора – продолжительный,...
Страница 4 - ЭКСПЛУАТАЦИЯ ВОЗДУХОНАГРЕВАТЕЛЯ.; ОБЩИЙ ВИД ВОЗДУХОНАГРЕВАТЕЛЯ
4 5. ЭКСПЛУАТАЦИЯ ВОЗДУХОНАГРЕВАТЕЛЯ. 5.1. ОБЩИЙ ВИД ВОЗДУХОНАГРЕВАТЕЛЯ RD- EHR15/380TR Конструктивно воздухонагреватель представляет металлический корпус, в котором размещены электродвигатель с крыльчаткой и электронагревательные элементы (далее ТЭНы ). Переключатель ( 8) на четыре положения предна...
Страница 6 - ТЕХНИЧЕСКОЕ ОБСЛУЖИВАНИЕ
6 терморегулятор вновь включает нагрев. Данный цикл повторяется периодически, обеспечивая автоматическое поддержание достигнутой температуры. 5.4. ВЫКЛЮЧЕНИЕ. • Установить переключатель режимов работы ( 8) в режим вентилятора « 1» . В этом режиме крыльчатка будет вращаться, а ТЭН будет отключен . • ...
Страница 7 - ВОЗМОЖНЫЕ НЕИСПРАВНОСТИ И МЕТОДЫ ИХ УСТРАНЕНИЯ.
7 6.3. ТЕКУЩИЙ РЕМОНТ . Общие указания . Ремонт тепловентилятора должен производиться только в специализированных мастерских . 7. ВОЗМОЖНЫЕ НЕИСПРАВНОСТИ И МЕТОДЫ ИХ УСТРАНЕНИЯ. Перечень возможных неисправностей и методы их устранения приведены в таблице 1. Таблица 1 Неисправность Вероятная причина ...
Страница 8 - СЛУЧАИ УТРАТЫ ГАРАНТИЙНЫХ ОБЯЗАТЕЛЬСТВ
8 8. ХРАНЕНИЕ . • Хранить воздухонагреватель рекомендуется в закрытых или других помещениях с естественной вентиляцией при температуре от плюс 5 до плюс 40 °С. • Максимальное значение относительной влажности воздуха при хранении не более 80% при температуре 25 °С. • Длительно хранить воздухонагреват...
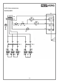
Страница 10 - QF
10 ПРИЛОЖЕНИЯ Схема А: подключение электровентилятора . А1 - распределительное устройство; А2 - электротепловентилятор; QF- выключатель автоматический; ХР - вилка кабеля питания; XS - розетка из комплекта поставки. Основные параметры QF , необходимые для подключения электротепловентилятора, приведен...
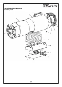
Страница 13 - RD-EHR15/380TR
13 СПЕЦИФИКАЦИЯ ВОЗДУХОНАГРЕВАТЕЛЯ. № Наименование RD-EHR15/380TR 1 Корпус ТТ 18.04.000 2 Решетка выходная ТТ 18.02.000 3 Решетка входная ТТ 18.02.000 4 Ручка для переноски 33273 А (05.24.00) 33273 А (05.24.00) 5 Ложемент ТТ 18.06.000 6 Дно ТТ 18.00.002 7 Ручка на переключатель и капиллярный термост...