Redverg RD-DHD20T 6667353 - Инструкция по эксплуатации

Redverg RD-DHD20T 6667353

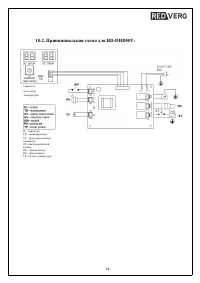
Обогреватель Redverg RD-DHD20T 6667353 - инструкция пользователя по применению, эксплуатации и установке на русском языке. Мы надеемся, она поможет вам решить возникшие у вас вопросы при эксплуатации техники.

Если остались дополнительные вопросы — свяжитесь с нами через контактную форму.

1 Страница 1
2 Страница 2
3 Страница 3
4 Страница 4
5 Страница 5
6 Страница 6
7 Страница 7
8 Страница 8
9 Страница 9
10 Страница 10
11 Страница 11
12 Страница 12
13 Страница 13
14 Страница 14
15 Страница 15
16 Страница 16
17 Страница 17
18 Страница 18
19 Страница 19
20 Страница 20
21 Страница 21
22 Страница 22
Страница: / 22
Загрузка инструкции

ИНСТРУКЦИЯ

ПО ЭКСПЛУАТАЦИИ

ДИЗЕЛЬНЫЙ

В

ОЗДУХОНАГРЕВАТЕЛЬ

REDVERG

RD-DHD

20T

RD-DHD30T

RD-DHD50T

"Загрузка инструкции" означает, что нужно подождать пока файл загрузится и можно будет его читать онлайн. Некоторые инструкции очень большие и время их появления зависит от вашей скорости интернета.

Характеристики

Другие модели - Обогреватели Redverg

Все обогреватели Redverg