Проигрыватели Sony DVP-NS36 - инструкция пользователя по применению, эксплуатации и установке на русском языке. Мы надеемся, она поможет вам решить возникшие у вас вопросы при эксплуатации техники.
Если остались вопросы, задайте их в комментариях после инструкции.
"Загружаем инструкцию", означает, что нужно подождать пока файл загрузится и можно будет его читать онлайн. Некоторые инструкции очень большие и время их появления зависит от вашей скорости интернета.

16
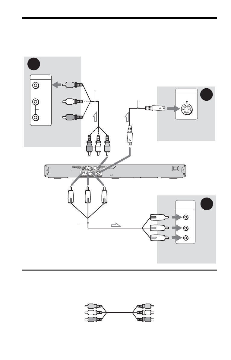
Пункт 3: Подсоединение видеокабелей
Подключите проигрыватель к телевизору, проектору или усилителю (ресиверу) AV с
помощью видеокабеля. Выберите одну из схем -
A
-
C
- в зависимости от входного
разъема на телевизоре, проекторе или усилителе (ресивере) AV.
A
Подключение к видеовходу
Подсоедините желтый штекер соединительного аудио-/видеокабеля (не
прилагается) к желтому гнезду (видео). Получится изображение стандартного
качества.
A
VIDEO
AUDIO
INPUT
L
R
C
P
R
/C
R
P
B
/C
B
Y
COMPONENT
VIDEO IN
B
INPUT
S VIDEO
Аудио-/
видеокабель
(
не
прилагается)
(желтый)
Телевизор, проектор или
усилитель (ресивер) AV
к гнезду LINE OUT (VIDEO)
l
: Направление сигнала
Проигрыватель CD/DVD
(желтый)
Кабель S VIDEO
(не прилагается)
Телевизор, проектор или
усилитель (ресивер) AV
к гнезду S VIDEO OUT
Телевизор, проектор или
усилитель (ресивер) AV
к гнездам COMPONENT VIDEO OUT
Кабель
компонентного
видеосигнала
(не прилагается)
(зеленый)
(синий)
(красный)
(зеленый)
(красный)
(синий)
Желтый
Белый (левый - L)
Красный (правый - R)
Желтый
Белый (левый - L)
Красный (правый - R)
Содержание
- 4 Содержание; Воспроизведение VIDEO CD дисков с функциями PBC
- 5 Просмотр фильмов в формате DivX
- 6 О данном руководстве; •Термин “DVD” используется как общий для дисков форматов DVD VIDEO,; Значки; изображений JPEG и видео в формате DivX*
- 7 Код региона; Формат дисков
- 8 DVD VIDEO диски со знаком; Примечания; • Примечания относительно дисков; Авторские права
- 9 Указатель деталей и органов управления; Дополнительные сведения см. на страницах, указанных в скобках.; Передняя панель; Кнопка; Задняя панель
- 10 Дисплей передней панели; При воспроизведении DVD VIDEO/диск в режиме DVD-VR
- 11 Пульт дистанционного управления; На кнопке; wj
- 12 Дисплей меню управления; Отключение дисплея; Нажмите кнопку DISPLAY.; ВЫКЛ; PLAY; ПРОГРАММА
- 13 Перечень элементов меню управления; Элемент Имя элемента, функция
- 14 Совет; Выбор альбома, содержащего видеофайл DivX, который необходимо
- 15 Подключения; Подключение проигрывателя; в соответствии с метками внутри батарейного отсека.
- 16 Пункт 3: Подсоединение видеокабелей; помощью видеокабеля. Выберите одну из схем -; Подключение к видеовходу
- 17 Подключение к входу S VIDEO; При подключении к стандартному телевизору с экраном 4:3
- 18 Пункт 4: Подсоединение аудиокабелей; Выберите один из образцов
- 19 Подключение к; или MPEG, а также цифровой
- 20 предыдущей настройке нажмите кнопку; Нажмите кнопку
- 21 Если используется; Будет выбрано значение “DTS”.
- 23 Воспроизведение дисков; Проигрыватель включится.; При использовании
- 24 Примечание; Дополнительные операции; Цель; CLEAR
- 25 Скорость изменяется при нажатии
- 27 Появится меню управления.
- 28 • PLAY LIST: воспроизведение; Нажмите кнопку ENTER.
- 29 Для возврата в меню; • Произвольное воспроизведение
- 30 При воспроизведении DVD; При воспроизведении VIDEO; для выбора
- 31 и нажмите кнопку
- 32 • ДОРОЖКИ; Советы
- 35 Поиск сцены; сканирование, замедленное
- 38 Если допущена ошибка; В пункте 2 выберите элемент
- 39 Поиск по сцене; DISPLAY
- 40 Просмотр информации о диске
- 41 при воспроизведении диска
- 44 Настройка звука; При воспроизведении диск в
- 46 SUR
- 47 Для отмены параметра; ДИНАМИЧЕСКИЙ ТЕАТР TVS
- 48 L:Передний громкоговоритель
- 49 Просмотр фильмов; Смена ракурсов; Появится следующий дисплей.
- 50 Выберите отображаемый язык.; Для отключения субтитров; Выберите “ВЫКЛ” в пункте 2.
- 52 Выберите “ВЫКЛ” в пункте 3.
- 53 Звуковые дорожки MP3 или
- 54 Структура содержания диска
- 55 Выбор альбома; Нажимая кнопки; Остановка воспроизведения
- 56 Выбор звуковой дорожки MP3
- 57 Вращение изображения JPEG; При однократном нажатии копки
- 58 MENU
- 59 Можно указать продолжительность
- 61 DivX
- 62 Включение или выключение дисплея
- 64 Блокировка дисков; Общая защита от просмотра; Если пароль не введен
- 67 Изменение пароля; TV
- 68 Коды управляемых телевизоров; Производитель Код
- 69 Установки и настройки
- 70 Выберите “БЫСТРАЯ” в пункте 3.; МЕНЮ (только DVD VIDEO
- 72 ЗАСТАВКА
- 73 АВТОСТАРТ
- 74 Установки для звука; ОСЛАБЛЕНИЕ
- 75 “DOLBY DIGITAL” выбрано; АНАЛОГОВЫЙ ВЫХ (только; в том случае, если для элемента; Выбор типа сигнала Dolby Digital.
- 76 Выбор типа сигнала MPEG audio.; DTS
- 77 Дополнительная информация; Питание; Питание не включается.; Изображение; Повреждены соединительные кабели.; Звук; Соединительный кабель поврежден.
- 78 Низкий уровень громкости.; Действие; Не воспроизводится диск.; Звуковая дорожка MP3 не имеет
- 79 Не удается изменить ракурсы.; ” загорается на
- 80 на дисплее появляются буквы/
- 81 Глоссарий; E XX
- 84 Технические характеристики; Система; полупроводниковый лазер; Звуковые характеристики; DVD; Выходы; более 10килоом; Общие
- 86 Указатель; ЧИСЛЕННЫЕ
- 88 Sony Corporation Printed in Malaysia












