Проигрыватели LG DKS-6005KZ - инструкция пользователя по применению, эксплуатации и установке на русском языке. Мы надеемся, она поможет вам решить возникшие у вас вопросы при эксплуатации техники.
Если остались вопросы, задайте их в комментариях после инструкции.
"Загружаем инструкцию", означает, что нужно подождать пока файл загрузится и можно будет его читать онлайн. Некоторые инструкции очень большие и время их появления зависит от вашей скорости интернета.

èéÑÉéíéÇäÄ
9
èÓ‰ÍÎ
˛
˜ÂÌËÂ
èÓ‰ÍÎ
˛
˜ÂÌËÂ Í ‰
Û„ÓÏÛ Ó·Ó
Û‰Ó‚‡ÌË
˛
èÓ‰ÍÎ
˛
˜ÂÌË Ô
Ë ÔÓÏÓ
˘
Ë ‡Ì‡ÎÓ„Ó‚Ó„Ó
‰‚Û
ı
͇̇θÌÓ„Ó ÒÚÂ
ÂÓ ËÎË Dolby Pro Logic ll/
Pro Logic
èÓ‰ÒÓ‰ËÌËڠ΂
˚
È Ë Ô
‡‚
˚
È ‚
˚ı
Ó‰
˚
AUDIO OUT
‡ÔÔ‡
‡Ú‡ Í Î‚ÓÏÛ Ë Ô
‡‚ÓÏÛ Á‚ÛÍÓ‚ÓÏÛ ‚
ı
Ó‰Û
ÛÒËÎËÚÂÎ
fl
,
ÂÒË‚Â
‡ ËÎË ÒÚÂ
ÂÓÒËÒÚÂÏ
˚
Ô
Ë ÔÓÏÓ
˘
Ë
Ô
Ë·„‡ÂÏ
˚ı
‡Û‰ËÓ͇·ÂÎÂÈ
(A)
.
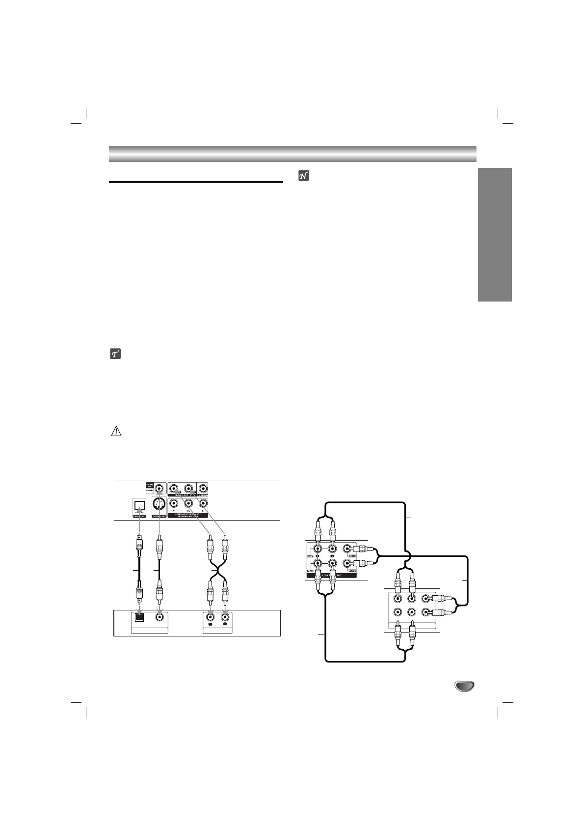
èÓ‰ÍÎ
˛
˜ÂÌËÂ Í ÛÒËÎËÚÂÎ
˛
Ô
Ë ÔÓÏÓ
˘
Ë ˆËÙ
Ó‚Ó„Ó
‰‚Û
ı
͇̇θÌÓ„Ó ÒÚÂ
ÂÓ (PCM) ËÎË Í ‡Û‰ËÓ/‚ˉÂÓ
ÂÒË‚Â
Û, Ó·Ó
Û‰Ó‚‡ÌÌÓÏÛ ÏÌÓ„Ó͇̇θÌ
˚
Ï
‰ÂÍÓ‰Â
ÓÏ (Dolby Digital™, MPEG 2 ËÎË DTS)
ëÓ‰ËÌËÚ ӉËÌ ËÁ ‚
˚ı
Ó‰Ì
˚ı
‡Á
˙
ÂÏÓ‚ DIGITAL AUDIO
OUT ‡ÔÔ‡
‡Ú‡ (OPTICAL
O
ËÎË COAXIAL
X
) Ò
ÒÓÓÚ‚ÂÚÒÚ‚Û
˛˘
ËÏ ‚
ı
Ó‰Ì
˚
Ï
‡Á
˙
ÂÏÓÏ ÛÒËÎËÚÂÎ
fl
.
ÇÓÒÔÓθÁÛÈÚÂÒ¸ ‰ÓÔÓÎÌËÚÂθÌ
˚
Ï Á‚ÛÍÓ‚
˚
Ï ˆËÙ
Ó‚
˚
Ï
͇·ÂÎÂÏ (ÓÔÚ˘ÂÒÍËÏ
O
ËÎË ÍÓ‡ÍÒˇθÌ
˚
Ï
X
).
ñËÙ
Ó‚ÓÈ ÏÌÓ„Ó͇̇θÌ
˚
È Á‚ÛÍ
ñËÙ
Ó‚Ó ÏÌÓ„Ó͇̇θÌÓ ÒÓ‰ËÌÂÌË ӷÂÒÔ˜˂‡ÂÚ
̇ËÎÛ˜¯Â ͇˜ÂÒÚ‚Ó Á‚Û͇. ÑÎ
fl
ÏÌÓ„Ó͇̇θÌÓ„Ó
ÒÓ‰ËÌÂÌË
fl
ÌÂÓ·
ı
Ó‰ËÏÓ ËÏÂÚ¸ ÏÌÓ„Ó͇̇θÌ
˚
È
‡Û‰ËÓ/‚ˉÂÓ
ÂÒË‚Â
, ÍÓÚÓ
˚
È ÔÓ‰‰Â
ÊË‚‡ÂÚ Ó‰ËÌ ËÁ
Á‚ÛÍÓ‚
˚ı
ÙÓ
χÚÓ‚ ‰‡ÌÌÓ„Ó Ô
Ë·Ó
‡ (MPEG 2, Dolby
Digital ËÎË DTS). ëÏÓÚ
ËÚÂ
ÛÍÓ‚Ó‰ÒÚ‚Ó ÔÓθÁÓ‚‡ÚÂÎ
fl
ÂÒË‚Â
‡ Ë ÎÓ„ÓÚËÔ
˚
̇ ÔÂ
‰ÌÂÈ Ô‡ÌÂÎË
ÂÒË‚Â
‡..
éÒÚÓ
ÓÊÌÓ:
Ç ÒÓÓÚ‚ÂÚÒÚ‚ËË Ò ÎˈÂÌÁËÓÌÌ
˚
Ï Òӄ·¯ÂÌËÂÏ DTS, ‚
ÂÊËÏ DTS Á‚ÛÍ Ì‡ ˆËÙ
Ó‚ÓÈ ‚
˚ı
Ó‰ ·Û‰ÂÚ ÔÓ‰‡‚‡Ú¸Ò
fl
‚
ÙÓ
χÚ DTS.
è
ËϘ‡ÌË
fl
– ÖÒÎË Á‚ÛÍÓ‚ÓÈ ÙÓ
Ï‡Ú ˆËÙ
Ó‚Ó„Ó ‚
˚ı
Ó‰‡ ÌÂ
ÒÓÓÚ‚ÂÚÒÚ‚ÛÂÚ ‚ÓÁÏÓÊÌÓÒÚ
fl
Ï
ÂÒË‚Â
‡,
ÂÒË‚Â
ÏÓÊÂÚ
‚ÓÒÔ
ÓËÁ‚Ó‰ËÚ¸ Á‚ÛÍ Ò ËÒ͇ÊÂÌË
fl
ÏË ËÎË ÌÂ
‚ÓÒÔ
ÓËÁ‚Ó‰ËÚ¸ Â„Ó ÒÓ‚ÒÂÏ.
– òÂÒÚË͇̇θ̇
fl
ÒËÒÚÂχ Digital Surround Sound Ò
ˆËÙ
Ó‚
˚
Ï ÔÓ‰ÍÎ
˛
˜ÂÌËÂÏ ‰ÂÈÒÚ‚ÛÂÚ ÚÓθÍÓ ‚ ÚÓÏ
ÒÎÛ˜‡Â, ÂÒÎË Ô
ËÂÏÌËÍ Ó·Ó
Û‰Ó‚‡Ì ÏÌÓ„Ó͇̇θÌ
˚
Ï
ˆËÙ
Ó‚
˚
Ï ‰ÂÍÓ‰Â
ÓÏ.
– ÑÎ
fl
ÚÓ„Ó, ˜ÚÓ·
˚
ۂˉÂÚ¸ Á‚ÛÍÓ‚ÓÈ ÙÓ
χÚ
ÛÒÚ‡ÌÓ‚ÎÂÌÌÓ„Ó ‰ËÒ͇ ̇
˝
Í
‡ÌÂ, ̇ÊÏËÚ ÍÌÓÔÍÛ
AUDIO.
Ä̇ÎÓ„Ó‚Ó ÔÓ‰ÍÎ
˛
˜ÂÌËÂ Í ÏÌÓ„Ó͇̇θÌÓÏÛ
Ô
ËÂÏÌËÍÛ Ò 6-͇̇θÌ
˚
ÏË
‡Á
˙
ÂχÏË
(Dolby Digital, DTS)
чÌÌ
˚
È DVD ÔÎÂÂ
ËÏÂÂÚ ÏÌÓ„Ó͇̇θÌ
˚
È ‰ÂÍÓ‰Â
.
ùÚÓ ÔÓÁ‚ÓÎ
fl
ÂÚ ‚ÓÒÔ
ÓËÁ‚Ó‰ËÚ¸ ˆËÙ
Ó‚
˚
 ‚ˉÂÓÁ‡ÔËÒË,
҉·ÌÌ
˚
 ‚ ÏÌÓ„Ó͇̇θÌÓÏ
ÂÊËÏÂ, ·ÂÁ
‰ÓÔÓÎÌËÚÂθÌÓ„Ó ‰ÂÍÓ‰Â
‡.
1
ëÓ‰ËÌËÚÂ
‡Á
˙
ÂÏ
˚
CENTER Ë WOOFER
ˆÂÌÚ
‡Î¸ÌÓ„Ó Í‡Ì‡Î‡ Ë Ò‡·‚ÛÙÂ
‡
(C)
Ò
ÒÓÓÚ‚ÂÚÒÚ‚Û
˛˘
ËÏË ‚
ı
Ó‰Ì
˚
ÏË
‡Á
˙
ÂχÏË Ô
ËÂÏÌË͇.
2
ëÓ‰ËÌËÚÂ
‡Á
˙
ÂÏ
˚
ÎÂ‚Ó„Ó Ë Ô
‡‚Ó„Ó Ù
ÓÌڇθÌ
˚ı
͇̇ÎÓ‚
(F)
Ò ÒÓÓÚ‚ÂÚÒÚ‚Û
˛˘
ËÏË ‚
ı
Ó‰Ì
˚
ÏË
‡Á
˙
ÂχÏË Ô
ËÂÏÌË͇.
33
ëÓ‰ËÌËÚÂ
‡Á
˙
ÂÏ
˚
ÎÂ‚Ó„Ó Ë Ô
‡‚Ó„Ó Ú
˚
ÎÓ‚
˚ı
͇̇ÎÓ‚
(R)
Ò ÒÓÓÚ‚ÂÚÒÚ‚Û
˛˘
ËÏË ‚
ı
Ó‰Ì
˚
ÏË
‡Á
˙
ÂχÏË Ô
ËÂÏÌË͇.
4
ë‰Â·ÈÚ ÌÂÓ·
ı
Ó‰ËÏ
˚
 ̇ÒÚ
ÓÈÍË ‚
‡Á‰ÂΠÏÂÌ
˛
Sound settings (Á‚ÛÍÓ‚
˚
 ̇ÒÚ
ÓÈÍË) ‚ ÒÚ
Ó͇
ı
Analog Output (‡Ì‡ÎÓ„Ó‚
˚
È ‚
˚ı
Ó‰) Ë Speaker Settings
(̇ÒÚ
ÓÈÍË ‡ÍÛÒÚ˘ÂÒÍË
ı
ÒËÒÚÂÏ). èÓ‰
Ó·ÌÓÒÚË
Ô
˂‰ÂÌ
˚
̇ ÒÚ
‡Ìˈ 13.
Amplifier (Receiver)
Rear of DVD player
A
X
O
R
L
AUDIO INPUT
DIGITAL INPUT
OPTICAL
COAXIAL
ANALOG 5.1CH AUDIO INPUT
Rear R
Rear L
Front R
Front L
Subwoofer
Center
Amplifier
(Receiver)
Rear of
DVD player
F
C
R
ᇉÌ
flfl
Ô‡ÌÂθ ÒËÒÚÂÏ
˚
ìÒËÎËÚÂθ (
ÂÒË‚Â
)
ᇉÌ
flfl
Ô‡ÌÂθ
ÒËÒÚÂÏ
˚
ìÒËÎËÚÂθ
(
ÂÒË‚Â
)












