Проигрыватели Lenco L-91 - инструкция пользователя по применению, эксплуатации и установке на русском языке. Мы надеемся, она поможет вам решить возникшие у вас вопросы при эксплуатации техники.
Если остались вопросы, задайте их в комментариях после инструкции.
"Загружаем инструкцию", означает, что нужно подождать пока файл загрузится и можно будет его читать онлайн. Некоторые инструкции очень большие и время их появления зависит от вашей скорости интернета.

5
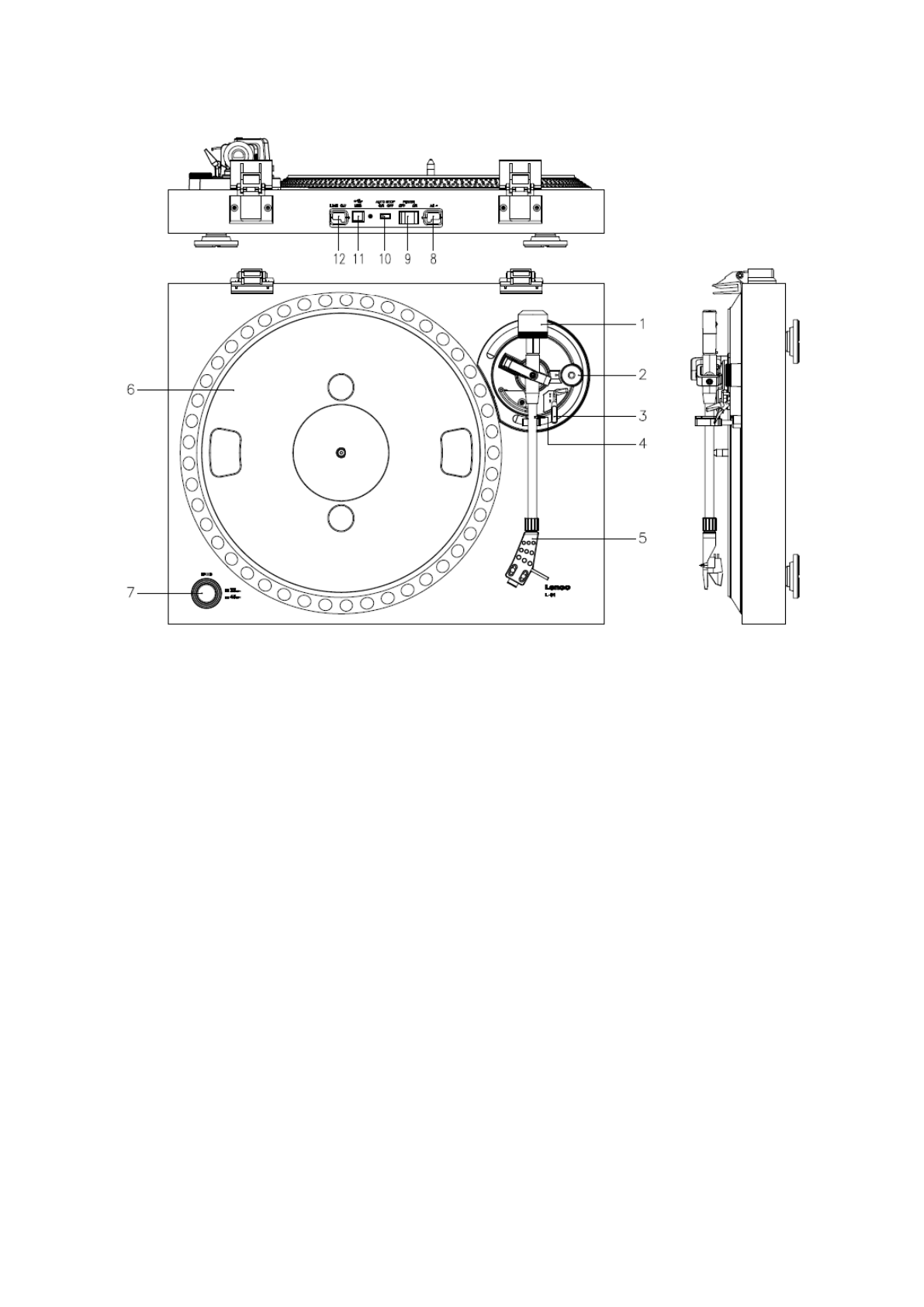
1. ОПИСАНИЕ УСТРОЙСТВА
1.
Противовес: используйте противовес для балансировки тонарма.
2.
Регулятор антискейтинга: устанавливает антискейтинг. Используйте антискейтинг, чтобы
тонарм не смещался к центру.
3.
Подъемник тонарма: опускает или поднимает тонарм.
4.
Зажим тонарма: блокирует тонарм, когда виниловый проигрыватель не используется.
5.
Головка звукоснимателя: держит съемную иглу. Когда виниловый проигрыватель не
используется, рекомендуется надеть на иглу съемную защитную крышку.
6.
Опорный диск: место размещения пластинки перед ее воспроизведением.
7.
Переключатель на 33/45 об./мин.: устанавливает скорость воспроизведения.
8.
Шнур питания: подключает виниловый проигрыватель к розетке.
9.
Главный выключатель питания: включает или выключает питание.
10.
Переключатель автостопа: эта функция предназначена только для пластинок на 33
об./мин. По окончании воспроизведения пластинки опорный диск автоматически
перестает вращаться.
11.
USВ-кабель: служит для подключения винилового проигрывателя к компьютеру.
12.
Линейный аналоговый стереовыход звука: служит для подключения винилового
проигрывателя к микшеру или аудиосистеме.
Важное примечание:
данный проигрыватель имеет встроенный усилитель, чтобы
избежать повреждения проигрывателя или аудиосистемы. Не подключайте этот
проигрыватель к аудиосистеме через телефонный вход, так как этот вход также
имеет усиление.
Характеристики
Остались вопросы?Не нашли свой ответ в руководстве или возникли другие проблемы? Задайте свой вопрос в форме ниже с подробным описанием вашей ситуации, чтобы другие люди и специалисты смогли дать на него ответ. Если вы знаете как решить проблему другого человека, пожалуйста, подскажите ему :)












