Проекторы NEC VT49 - инструкция пользователя по применению, эксплуатации и установке на русском языке. Мы надеемся, она поможет вам решить возникшие у вас вопросы при эксплуатации техники.
Если остались вопросы, задайте их в комментариях после инструкции.
"Загружаем инструкцию", означает, что нужно подождать пока файл загрузится и можно будет его читать онлайн. Некоторые инструкции очень большие и время их появления зависит от вашей скорости интернета.

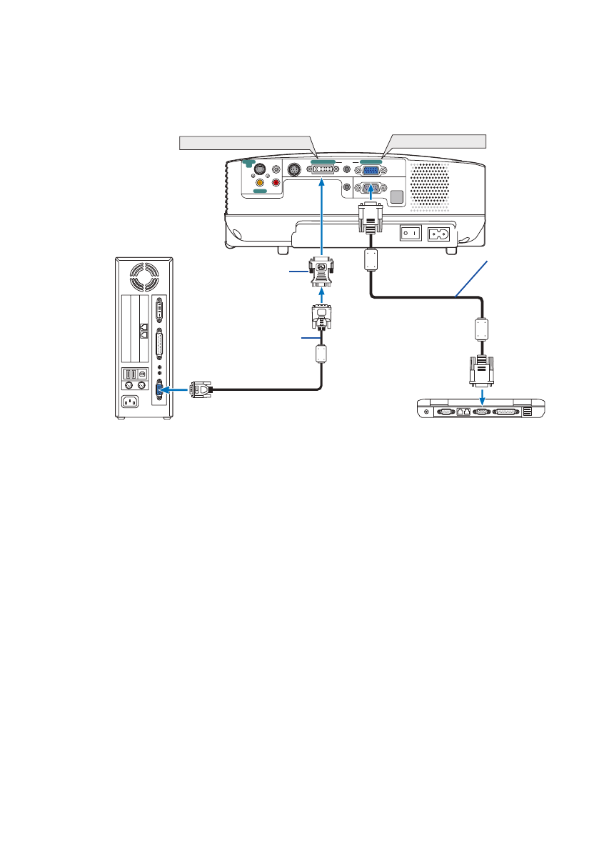
Одновременное подключение к двум аналоговым входам COMPUTER
(только для VT695/VT595)
При необходимости одновременного подключения к двум аналоговым входам
COMPUTER, подсоедините сигнальный кабель VGA как показано на рисунке.
Примечание
Если адаптер DVI - VGA не используется длительное время, отключите его от проек
-
тора во избежание повреждения разъема.
!5$)//54
!5$)/).
-/.)4/2/54#/-0
#/-054%2).
#/-054%2$6)) ).
!5$)/).
36)$%/
).
6)$%/).
0##42,
,
2
#/-054%2).
#/-054%2$6)) ).
IBM VGA или совместимые
(ноутбуки), Macintosh
IBM VGA или совместимые
(ноутбуки), Macintosh (ноутбуки)
Сигнальный
кабель VGA
Адаптер DVI-VGA
Сигнальный кабель
VGA (не входит в
комплект)