Проекторы NEC PX800XG2 - инструкция пользователя по применению, эксплуатации и установке на русском языке. Мы надеемся, она поможет вам решить возникшие у вас вопросы при эксплуатации техники.
Если остались вопросы, задайте их в комментариях после инструкции.
"Загружаем инструкцию", означает, что нужно подождать пока файл загрузится и можно будет его читать онлайн. Некоторые инструкции очень большие и время их появления зависит от вашей скорости интернета.

164
6. Установка и подключение
COMPUTER 2 IN
COMPUTER 3 IN
COMPUTER 1 IN
Компьютерный кабель (VGA) (вхо-
дит в комплект поставки)
Подключается к разъему mini
D-Sub 15-pin на проекторе. Если
используется кабель передачи
сигнала длиннее кабеля, входящего
в комплект поставки, рекомен-
дуется использовать серийный
усилитель-распределитель.
ПРИМЕЧАНИЕ: Для подключения к порту видеосигнала компьютера Macintosh рекомен-
дуется использовать доступный на рынке последовательный штырьковый адаптер
(в комплект поставки не входит).
Кабель RGB-к-BNC (приобре-
тается дополнительно)
❷
Подключение
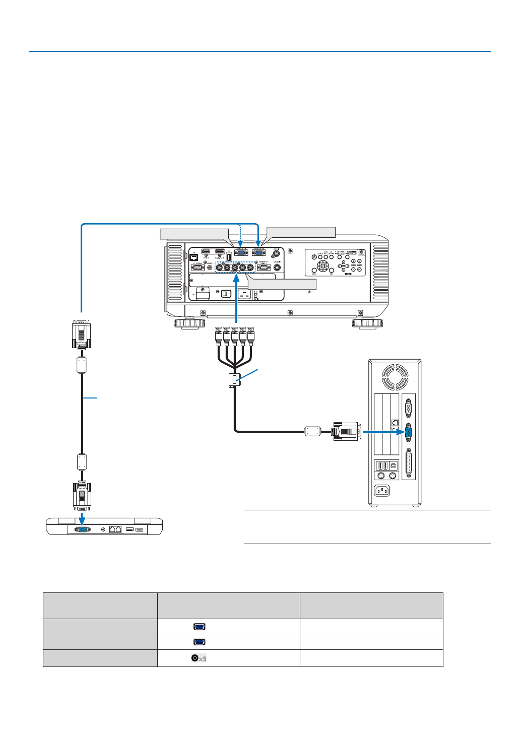
Проектор можно подключить к компьютеру при помощи компьютерного кабеля, 5 х BNC кабеля, кабеля HDMI или
кабеля DisplayPort.
Для подключения подготовьте имеющиеся в продаже кабели.
Аналоговое соединение RGB сигнала
• С помощью компьютерного кабеля соедините выходной разъем монитора компьютера (mini D-Sub 15-pin) с разъ-
емом видео входа проектора КОМПЬЮТЕР 1 или КОМПЬЮТЕР 2.
• При подключении выходного разъема экрана компьютера (mini D-Sub 15-pin) и входного разъема видео входа
проектора КОМПЬЮТЕР 3 используйте кабель BNC (5 жильный)
→
переходной кабель mini D-Sub 15-pin.
• Для вывода аудио из компьютера используйте имеющиеся в продаже аудиоустройства.
• После включения проектора выберите имя источника для соответствующего входного разъема.
Входной разъем
Кнопка SOURCE на корпусе про-
ектора
Кнопка на пульте дистанционно-
го управления
COMPUTER 1 IN
КОМПЬЮТЕР 1
COMPUTER 1
COMPUTER 2 IN
КОМПЬЮТЕР 2
COMPUTER 2
COMPUTER 3 IN
КОМПЬЮТЕР 3
COMPUTER 3
Содержание
- 3 Важная информация; Предостережения относительно безопасности; Меры предосторожности; ВНИМАНИЕ; Утилизация использованного изделия; ПРЕДУПРЕЖДЕНИЕ
- 4 ii; Важные меры безопасности; • Не устанавливайте проектор в следующих условиях:; Местонахождение и режим вентилятора
- 5 iii; Меры пожарной и электрической безопасности; Соблюдайте осторожность, когда поднимаете проектор.
- 6 iv; которых может оказаться чрезмерным.; водя к телесным повреждениям.
- 7 лампа перегорела, вниз могут упасть фрагменты стекла.; Свободное пространство для установки проектора
- 8 Информация о режиме работы на большой высоте; эксплуатации внутренних деталей, например лампы.
- 9 vii; ОБ АВТОРСКИХ ПРАВАХ НА ОРИГИНАЛЬНЫЕ ПРОЕЦИРУЕМЫЕ ИЗОБРАЖЕНИЯ.
- 10 viii; Оглавление
- 11 ix
- 12 Подключение к другому оборудованию
- 13 xi
- 14 xii
- 15 Комплектация; Крепление/снятие пылезащитной крышки
- 16 Знакомство с проектором; Поздравляем с покупкой проектора!; ходящий к конкретным условиям эксплуатации
- 17 Об этом руководстве пользователя
- 18 Название деталей проектора; Лицевая/верхняя часть
- 19 Тыльная часть
- 20 Панель управления/Индикаторы
- 21 Элементы панели разъемов; приведены типичные коды управления с ПК.
- 22 Элементы пульта дистанционного управления; та дистанционного управления
- 23 Правила обращения с пультом дистанционного управления; дистанционного датчика, расположенного на корпусе проектора.; Установка элемента питания; Вставьте новые элементы
- 25 Рабочая среда для программного обеспечения, которое; Служба загрузки обновлений
- 26 Операционная среда
- 27 Порядок проецирования изображения; - Автоматическая оптимизация сигнала компьютера (
- 28 затем подключите другой штепсель к розетке.
- 29 Закрепите силовой кабель с помощью фиксатора силового кабеля.; Подвиньте зажим к краю силового кабеля.
- 31 Включение проектора; • Включение проектора:; Снимите крышку объектива.
- 32 Выполнение калибровки объектива
- 33 Примечание об экране запуска (экран выбора языка меню); Для выбора языка меню выполните следующие действия:; С помощью кнопки
- 34 Перестаньте нажимать кнопку ORIENTATION.
- 35 Выбор источника сигнала; Выбор компьютера или источника видеосигнала; На экране отобразится меню.
- 36 Регулировка размера и положения изображения; можно выбрать один тестовый рисунок. Чтобы закрыть
- 37 Настройка с помощью кнопок на корпусе проектора; Нажмите одну из кнопок LENS SHIFT
- 38 Настройка с помощью пульта дистанционного управления; Откроется окно сдвига объектива.
- 43 Настройка ножек для регулирования наклона; ция вертикальных трапецеидальных искажений» (
- 44 Коррекция трапецеидальных искажений; На экране появится окно «Трапеция».
- 46 Автоматическая оптимизация сигнала компьютера; Настройка изображения с помощью автоматической настройки
- 47 Выключение проектора; Чтобы выключить проектор:; Сначала нажмите на кнопку; результаты коррекции и настройки могут быть потеряны.
- 48 После использования
- 49 Выключение светосигнала лампы; кнопку SHUTTER на пульте дистанционного управления.; Отключение изображения
- 50 Увеличение картинки; Увеличение картинки возможно до четырехкратного размера.
- 51 Изменение ЭКО режима/Проверка энергосберегающего эффекта; Описание
- 52 Проверка энергосберегающего эффекта [ИЗМЕРЕНИЕ СО2]; с начала эксплуатации до настоящего времени. Вы
- 53 Коррекция горизонтального и вертикального трапецеидального; Угловая коррекция; Отобразится экран настройки угловой коррекции.
- 56 Отображение двух изображений одновременно; или
- 57 Просмотр двух изображений; Нажмите кнопку PIP/FREEZE на пульте дистанционного управления.
- 58 Предупреждение несанкционированного использования; Чтобы включить функцию безопасности:
- 60 Чтобы отключить функцию БЕЗОПАСНОСТЬ:
- 61 Сохранение изменений для сдвига объектива, масштабирования; вызвать появление тени на экране.; Пример использования
- 65 Отображение изображения при помощи [СМЕШИВАНИЕ КРАЕВ]; Пример: Размещение двух проекторов параллельно
- 66 Нажмите кнопку ENTER.
- 68 Регулировка уровня черного; Используйте кнопку
- 69 сегментированных участков для настройки уровня черного; Центральная часть проектора
- 70 Управление проектором с помощью браузера HTTP; Общий обзор; ошибке будут отправлены по электронной почте.; Подготовка перед началом работы
- 71 POWER: служит для управления питанием проектора.
- 73 WIRED или WIRELESS
- 75 верьте правильность сетевых настроек.
- 76 • NETWORK SERVICE; ПРИМЕЧАНИЕ: Если Вы забыли пароль, обратитесь за помощью к дилеру.; Совместимость с CRESTRON ROOMVIEW
- 77 Применяемые ОС; Настройки проектора для работы в качестве сетевого проектора; При включенном проекторе нажмите кнопку SOURCE.
- 79 Проецирование изображения в режиме сетевого проектора; В области «Доступные проекторы» появится «PX750U Series».
- 80 Выход из режима сетевого проектора; Режим сетевого проектора отключен.
- 81 Использование проектора для управления компьютером через; тера на проекционный экран по сети.
- 83 Настройка пароля для учетной записи Windows 7; К записи «Администратор» добавлена запись [Защищена паролем].; Настройка удаленного доступа
- 84 Запуск режима удаленного рабочего стола
- 86 Выход из режима удаленного рабочего стола; Работа в режиме удаленного рабочего стола закончена.
- 87 Использование режима «Просмотр»; Возможности режима ПРОСМОТР; Поддерживаемые графические форматы; Требования к воспроизведению:
- 88 формы и примечания – не будут отображаться.; Поддерживаемые файлы в формате PowerPoint
- 89 отображается экран Слайд или экран Миниатюры.
- 90 Подготовка материалов для презентации; • Информацию о поддерживаемых форматах файлов см. на стр.; • Использование команды печати; окно вставки шрифтов.
- 91 Показ изображений с запоминающего устройства USB; Начало работы режима «Просмотр»; Вставьте запоминающее устройство USB в порт USB
- 92 для выбора «USB1» и нажмите кнопку
- 93 • Видеофайл
- 94 Извлеките запоминающее устройство USB из проектора.; Выход из режима «Просмотр»
- 95 Отображает список устройств, подсоединенных к проектору.; Опции меню; • Воспользуйтесь кнопкой; Опции окна со списком устройств; , чтобы переместить курсор на список устройств.
- 96 Функции
- 98 Работа панели элементов управления
- 99 Функции панели элементов управления для видео
- 101 при поиске он обнаруживался первым.
- 103 Воспроизведение данных, находящихся в папке с общим доступом; Подготовка; Подключение проектора к папке с общим доступом; Нажмите кнопку VIEWER на пульте дистанционного управления.
- 105 Нажмите кнопку
- 107 Отображение данных при использовании медиасервера; Настройка функции «Media Sharing» для Windows Media Player 11; Откроется диалоговое окно «Общий доступ к файлам мультимедиа».
- 108 Отобразится список доступных устройств.
- 109 Появится окно «Разрешить всем медиаустройствам».
- 110 server» на экране миниатюр.
- 112 Ограничения отображаемых файлов; Некоторые ограничения для файлов PowerPoint; по величине или ширине, вызывая искажения разметки слайда; Некоторые ограничения для PDF файлов
- 113 Использование экранного меню; Использование меню; Установки будут сохранены до следующих изменений.
- 114 Элементы меню; Окна меню и диалоговые окна обычно включают следующие элементы:; открывается соответствующее ей меню.
- 115 Пункты меню
- 120 Ввод текущего проецируемого сигнала в список ввода [ЗАПОМНИТЬ]; Редактирование сигнала из списка ввода [ПРАВКА]
- 121 Удаление сигнала из списка ввода [ВЫРЕЗАТЬ]; Данные из буфера обмена будут вставлены на место сигнала.; Удаление всех сигналов из списка ввода [УДАЛИТЬ ВСЁ]; Откроется подтверждающее сообщение.
- 123 Каждый режим рекомендуется для следующих целей:; Настройка яркости и контраста [ДИНАМИЧЕСКИЙ КОНТРАСТ]
- 124 Подчеркивает детали изображения.
- 125 Служит для ручной настройки параметров ЧАСЫ и ФАЗА.
- 127 Для сигнала компьютера
- 128 СОБСТВЕННОЕ
- 129 Данная функция используется для снижения шума видео.
- 131 Вертикальное искажение можно корректировать вручную. (; Выбор режима угловой коррекции [УГЛОВАЯ КОРРЕКЦИЯ]
- 132 В проекторе предусмотрено наличие двух ламп (система двух ламп).; Настройка энергосберегающего режима [ЭКО РЕЖИМ]
- 133 ПРИМЕЧАНИЕ: Данная опция не отображается в основном меню.; Настройка интервала лампы [РЕЖИМ РАССТОЯНИЯ ЛАМПЫ]; С помощью данной функции можно настроить время смены лампы.
- 135 Для цвета меню возможны две опции: ЦВЕТ и МОНОХРОМНОЕ.; Включение / выключение отображения источника [ДИСПЛЕЙ ИСТОЧНИКА]
- 136 Чтобы закрыть сообщение, нажмите кнопку EXIT.; Выбор времени отображения меню [ВРЕМЯ ПОКАЗА]
- 138 Настройка
- 141 Откроется окно КОНТРОЛЬ ID.
- 145 • Эта функция будет недоступна при следующих условиях:; Выбор источника по умолчанию [ВЫБОР ФАБ УСТАН ИСТОЧ]
- 147 Запасная лампа
- 150 FIRMWARE3
- 153 Меню приложений; IMAGE EXPRESS UTILITY
- 155 Чтобы подключиться к серверу DHCP:
- 158 ОБЗОР САЙТА
- 159 ВЫБОР КЛЮЧА; • Максимальное количество знаков; Опция
- 160 Подготовка перед выполнением настройки
- 161 Появится список «SSID».
- 163 Установка цифрового сертификата; нающем устройстве USB, и нажмите кнопку ENTER.
- 164 Очистка цифрового сертификата, который установлен на проекторе; Появится подтверждающее сообщение.
- 165 • Длина пароля должна быть не более 32 символов.
- 170 СЕРВЕР HTTP
- 171 РЕЖИМ МЕНЮ
- 172 Настройка нового таймера программы; На экране ТАЙМЕР ПРОГРАММЫ используйте кнопку
- 173 не оставлять проектор включенным на долгое время.
- 174 Активация таймера программы; выключения таймера программы.; Изменение запрограммированных настроек; кнопку; Удаление программ; Откроется диалоговое окно подтверждения.
- 175 4 часа и во время запуска проектора.; МЫШЬ
- 176 Установка объектива (продается отдельно); повредив линзы и механизм сдвига объектива.; Установка объектива; Снимите пылезащитный колпачок с проектора.
- 177 Положение объектива будет переведено в исходное.
- 178 Установка и подключение; Подключение; Аналоговое соединение RGB сигнала
- 179 Подключение цифрового RGB-сигнала; кабель Mini DisplayPort
- 180 • Используйте сертифицированный кабель DisplayPort.; Предупреждения при использовании сигнала DVI; исправленный стандарт 1.0. Длина кабеля должна быть в пределах 5 м.
- 182 бражение может отображаться некорректно.
- 185 Пример подключения к проводной локальной сети
- 186 локальной сети к USB-порту на панели разъемов.
- 187 дания, затем выключите главный переключатель питания.
- 189 Пример подключения к беспроводной локальной сети (Тип сети
- 190 бражений были четко видны.
- 191 Снимите резиновые крышки и винты в трех местах.
- 192 Поставьте второй проектор сверху на первый.
- 193 Техническое обслуживание; Чистка фильтров
- 194 С помощью пылесоса удалите пыль с внутренних элементов.
- 195 Чистка объектива; Если он сильно загрязнен, используйте мягкое чистящее средство.; результате к его неисправности.
- 196 Замена лампы и фильтров; можно поражение электрическим током.; Порядок замены лампы и фильтров; Следующая процедура служит примером для замены обеих ламп.
- 197 пытайтесь обойти эту блокировку.
- 198 Установите крышку отсека лампы на место.
- 199 Замена фильтров; привести к его неисправности.; Чтобы заменить фильтры:
- 200 Чтобы сбросить время наработки лампы и время наработки фильтров:; [СБРОС ВРЕМЕНИ НАРАБОТКИ ЛАМПЫ] и обнулите время наработки лампы.
- 201 Установка программного обеспечения; Установка для программного обеспечения Windows; Отобразится окно меню.
- 202 Деинсталляция программного обеспечения; Появится окно Панели управления.
- 203 Virtual Remote Tool/Viewer PPT Converter 3.0
- 204 Установка для программного обеспечения Macintosh; Image Express Utility 2 for Mac поддерживает работу с Mac OS X.; • Деинсталляция программного обеспечения
- 205 Отображение изображений или видео с проектора через; Возможности Image Express Utility 2.0; проводной или беспроводной локальной сети.; сжатия NEC; Использование функции «Easy Connection»*
- 206 Подключение проектора к локальной сети; ) и «9 Меню приложений — СЕТЕВЫЕ НА-
- 207 • Подключение к проектору; [Image Express Utility
- 208 Поставьте отметку (; • Передача изображений
- 209 • Остановка или возобновление передачи изображений; • Окончание передачи изображений; Кликните по пиктограмме проектора (
- 210 Ведение конференций; • Ведение конференций; Проектор отобразит экран компьютера.; • Демонстрация файла участникам конференции.
- 211 • Окончание конференции; Участие в конференции; • Участие в конференциях; вают данную функцию. После этого откроется окно «Meeting List».
- 212 водит проектор, отобразится в окне посетителя.
- 213 • Сохранение полученных изображений; На экране отобразится панель памяток.; Изображение в окне посетителя будет сохранено.
- 214 • Загрузка файла для демонстрации; Откроется окно «File Transfer».; Окно «File Transfer» закроется.
- 215 • Смена ведущего презентации; Статус участника сменится на статус ведущего презентации.; • Выход из конференции
- 216 «Система и безопасность»; Просмотр справки PC Control Utility Pro 4; • Отображение справки с помощью меню Пуск.
- 217 Возможности Image Express Utility 2
- 218 Кликните на меню Apple (
- 220 Остановка/Возобновление передачи изображения; • Остановка передачи изображения; Передача изображения будет приостановлена.; • Возобновление передачи изображения; Передача изображения будет возобновлена.; Выход из программы Image Express Utility 2; Image Express Utility 2 закроется.
- 221 Эксплуатация проектора через локальную сеть (Virtual Remote; Виртуальный пульт дистанционного управления; Подключите проектор к локальной сети.; ) и «9 Меню приложений
- 222 • Кликните два раза по пиктограмме; Запуск из меню «Пуск»
- 223 Выход из Virtual Remote Tool; Нажмите на пиктограмму Virtual Remote Tool; Просмотр справки к Virtual Remote Tool; на панели задач, когда открыто окно Virtual Remote Tool.
- 224 Преобразование файлов PowerPoint в слайды (Viewer PPT; «Все программы»
- 226 Расстояние до проекции и размер экрана; Таблица размеров экрана
- 227 Типы объективов и расстояние до проекции; единица измерения = м; Диапазон проецирования для различных объективов
- 230 Диапазон сдвига объектива; . Объектив можно сдвинуть в приведенном ниже диапазоне.; Проецирование фронтальное/с потолка
- 231 Замена цветового колеса (входит в комплект); Для замены цветового колеса см. следующие инструкции.
- 232 • Вставьте цветовое колесо, входящее в комплект.
- 233 Вставьте крышку отсека цветового колеса на место.; Хранение неиспользуемого цветового колеса:
- 234 Установка дополнительной платы (продается отдельно); Ослабьте два винта на крышке слота панели разъемов.
- 235 Затяните два винта на обеих сторонах слота.
- 236 Перечень совместимых входных сигналов; Аналоговый RGB
- 238 Технические характеристики; Оптические
- 239 Механические
- 240 Возможные объективы
- 241 Габаритные размеры корпуса
- 242 Предназначение выводов входного разъема D-Sub COMPUTER; Номер
- 243 Устранение неисправностей; Показания индикаторов
- 245 Типичные неисправности и способы их устранения
- 247 Если изображение отсутствует или отображается неправильно.; или перейдите к следующему шагу)
- 248 Коды управления и кабельные соединения ПК; Коды управления ПК; Протокол связи
- 249 Контрольный перечень возможных неисправностей; Частота случаев; постоянно; Питание
- 250 Условия установки
- 251 ЗАРЕГИСТРИРУЙТЕ ВАШ ПРОЕКТОР! (для жителей Соединенных; , щелкните на центр поддержки/регистрация продукта и отправьте