Проекторы NEC PA672W - инструкция пользователя по применению, эксплуатации и установке на русском языке. Мы надеемся, она поможет вам решить возникшие у вас вопросы при эксплуатации техники.
Если остались вопросы, задайте их в комментариях после инструкции.
"Загружаем инструкцию", означает, что нужно подождать пока файл загрузится и можно будет его читать онлайн. Некоторые инструкции очень большие и время их появления зависит от вашей скорости интернета.

157
6. Подключение к другому оборудованию
❷
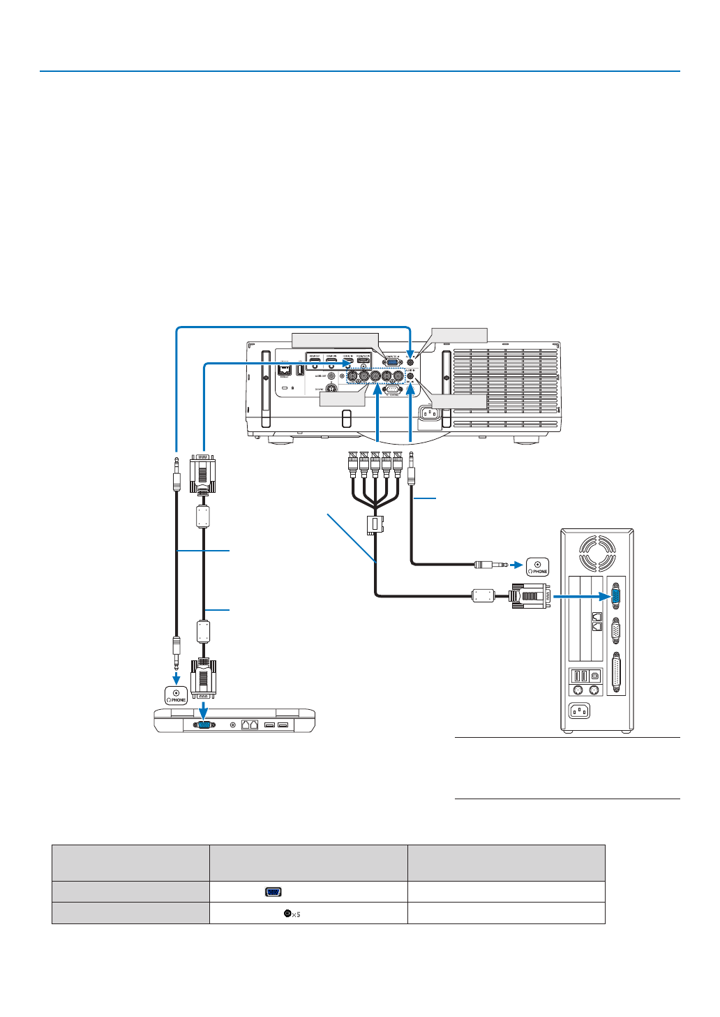
Осуществление подключений
Компьютерный кабель, кабель BNC (5-жильного типа), кабель HDMI или кабель DisplayPort могут использоваться для
подключения к компьютеру.
Соединительный кабель не включен в комплект проектора. Пожалуйста, подготовьте подходящий кабель для соеди-
нения.
Подключение аналогового сигнала RGB
• Подключите компьютерный кабель к клемме вывода отображения (15-штыревой миниатюрный разъем типа D) на
компьютере к входной клемме компьютерного видеосигнала на проекторе. Пожалуйста, используйте компьютер-
ный кабель с ферритовым сердечником.
• При подключении клеммы вывода отображения (15-штыревой миниатюрный разъем типа D) на компьютере к
входной клемме видеосигнала BNC на проекторе используйте переходной кабель, чтобы преобразовать кабель
BNC (5-жильный) в кабель с 15-штыревым миниатюрным разъемом типа D.
• После включения проектора выберите название источника для соответствующего входного разъема.
Входной разъем
Кнопка INPUT на корпусе про-
ектора
Кнопка на пульте дистанционно-
го управления
COMPUTER IN
7:COMPUTER
7/COMPUTER
BNC IN
4:BNC
4/BNC
COMPUTER IN
BNC IN
AUDIO IN
AUDIO IN
Компьютерный кабель (продается отдельно)
Стерео аудиокабель
с мини-штекером (в
комплект поставки не
входит)
Кабель RGB-в-BNC (в
комплект поставки
не входит)
Стерео аудиокабель с мини-штекером (в ком-
плект поставки не входит)
ПРИМЕЧАНИЕ: Пожалуйста, ознакомьтесь с руковод-
ством пользователя компьютера, так как название,
положение и направление разъема могут отличаться
в зависимости от компьютера.
Содержание
- 2 ПРИМЕЧАНИЯ
- 3 Важная информация; Предостережения относительно безопасности; Меры предосторожности; ВНИМАНИЕ; Утилизация использованного изделия
- 4 ii; • Не устанавливайте проектор в следующих условиях:; ПРЕДУПРЕЖДЕНИЕ
- 5 iii; vii
- 6 iv; мягкого футляра может быть поврежден.; Предупреждение по использованию дополнительных объективов
- 7 • Обязательно замените лампу и фильтр, если появится сообщение; Характеристики лампы; лампа перегорела, осколки могут упасть вниз.; Информация о режиме работы на большой высоте
- 8 или более после каждого часа просмотра.; Функция управления питанием; * Модели MM служат в качестве Ethernet портов.
- 9 Пример 2 – При наличии стены сзади проектора.
- 10 viii; Содержание
- 11 ix; Изменение Эко режима/Проверка энергосберегающего эффекта при; Мультиэкранное проецирование
- 12 Подключение к другому оборудованию
- 13 xi; Техническое обслуживание
- 14 xii
- 15 Комплектация
- 16 Знакомство с проектором; Поздравляем с покупкой проектора; . Проектор снабжен беспроводным пультом; Установка; ходящий под конкретные условия эксплуатации; К тому же, объектив можно установить и снять одним движением.
- 17 Видео; динамик; Сеть; проводной локальной сети продается отдельно)
- 19 Символ названия модели
- 20 О параметре проектора [СЕТЕВЫЕ НАСТРОЙКИ]; Или «NETWORK SETTINGS» в HTTP сервере (
- 21 Названия деталей проектора; Лицевая/верхняя сторона; зафиксировать ремешок.
- 22 Тыльная часть
- 24 Элементы панели разъемов; COMPUTER IN/ Компонентный входной разъем; ный порт позволяет осуществлять подачу питания.)
- 25 Названия элементов пульта дистанционного управления; Модель HDBaseT описана на рисунках пульта управления.; Кнопка CLEAR
- 26 Установка элемента питания; Нажмите на защелку и сни
- 28 Порядок проецирования изображения; - Автоматическая оптимизация сигнала компьютера (
- 29 Подключение компьютера/Подсоединение силового кабеля; затем подключите кабель к сети питания.
- 30 Включение проектора; кнопку POWER ON на пульте дистанционного управле
- 31 Примечание об экране запуска (экран выбора языка меню); Для выбора языка меню выполните следующие действия:; С помощью кнопки
- 32 Выбор источника сигнала; Выбор компьютера или источника видеосигнала
- 33 Выбор источника по умолчанию; На экране отобразится меню.
- 34 Регулировка размера и положения изображения; чем позволяет диапазон регулировки сдвига объектива.
- 36 Фокусировка
- 37 Подходящие объективы: NP30ZL; Поверните кольцо фокусировки влево и вправо, что
- 38 Подходящие объективы: NP11FL; Поверните кольцо корректировки искажения влево.; Поверните регулятор фокуса по часовой и против; Используйте кольцо корректировки искажения, чтобы
- 39 Настройка ножек для регулирования наклона; Для настройки покрутите левую и правую ножки для регулиро-; Масштабирование
- 40 Автоматическая оптимизация сигнала компьютера; Настройка изображения с помощью автонастройки; Увеличение или уменьшение громкости; Уровень громкости динамика можно изменять.
- 41 Выключение проектора; Чтобы выключить проектор:; Сначала нажмите на кнопку
- 42 После использования
- 43 Отключение изображения и звука; Нажмите кнопку; Проецируемое видео будет отключено.
- 44 Увеличение картинки; Увеличение картинки возможно до четырехкратного размера.
- 45 Изменение Эко режима/Проверка энергосберегающего эффекта; Описание
- 46 Проверка энергосберегающего эффекта [ИЗМЕРЕНИЕ СО2]; с начала эксплуатации до настоящего времени. Вы
- 47 Использование дополнительного дистанционного ресивера; Подключение дистанционного ресивера мыши к компьютеру; (прокрутка страниц вверх и вниз) на пульте дистанционного
- 48 О режиме перемещения объектов:
- 49 Коррекция горизонтальных и вертикальных трапецеидальных
- 52 Предупреждение несанкционированного использования; Чтобы включить функцию безопасности:
- 54 Чтобы отключить функцию БЕЗОПАСНОСТЬ:
- 55 Проецирование 3D-видео; Правила техники безопасности; слишком близко к экрану увеличит утомление глаз.; Процедура просмотра 3D-видео с помощью данного проектора
- 56 Включите питание 3D-очков и наденьте очки для просмотра видео.
- 57 Когда видео не могут просматриваться в 3D
- 58 Управление проектором с помощью браузера HTTP; Общий обзор; (2) Экран HTTP сервера только для моделей MM; Отобразится меню приложения.
- 59 Подготовка перед началом работы
- 60 Экран настройки проектора для моделей HDBaseT
- 61 ИЗОБРАЖЕНИЕ: Служит для управления настройками видео проектора.
- 62 ПРОВОДНАЯ
- 63 случае проверьте правильность сетевых настроек.
- 64 • СЕТЕВОЙ СЕРВИС; ПРИМЕЧАНИЕ: Если Вы забыли пароль, обратитесь за помощью к дилеру.; • CRESTRON; ROOMVIEW для управления с компьютера.; • ИНФОРМАЦИЯ
- 65 • SETTINGS; WIRED или WIRELESS
- 67 • INFORMATION
- 68 Проецирование изображения экрана компьютера по сети с; Операционная среда; Требования к ОС; Настройки проектора для работы в качестве сетевого проектора; Отобразится экран меню приложения.
- 70 Проецирование изображения с помощью сетевого проектора; В области «Доступные проекторы» появится «PA621U Series»
- 72 Использование проектора для управления компьютером через; на проекционный экран по сети.
- 73 Настройка пароля для учетной записи Windows 7; К записи «Администратор» добавлена запись [Защищена паролем].; Настройка удаленного доступа
- 74 Запуск режима УДАЛЕННЫЙ РАБОЧИЙ СТОЛ
- 76 Выход из режима УДАЛЕННЫЙ РАБОЧИЙ СТОЛ; Работа в режиме удаленного рабочего стола закончена.
- 77 Что можно сделать благодаря мультиэкранному проецированию; Случай 1
- 78 и следующих проекторов.
- 79 бражение на четыре части.
- 81 Отображение двух изображений одновременно; • Автономный экран проецируется, когда включено питание.; • Переключайте главный дисплей на вспомогательный дисплей; Функция картинки в картинке; тельного дисплея
- 82 Выберите входной сигнал с помощью кнопок
- 83 Откройте экран для переключения положения дисплеев.
- 84 • Следующие операции доступны только для главного дисплея.
- 85 Отображение изображения с помощью функции [СМЕШИВАНИЕ; Перед пояснением по использованию функции смешивания краев; Пример: Размещение двух проекторов параллельно
- 86 чтобы не активировать другие проекторы. (; Настройка наложения проекционных экранов; Нажмите кнопку ENTER.
- 88 Воспользуйтесь кнопкой
- 89 Экран переключится на экран настройки уровня черного.
- 90 Центральный проектор
- 91 Использование экранного меню; Использование меню; Для отображения подменю нажимайте кнопки
- 92 Элементы меню; Окна меню и диалоговые окна обычно включают следующие элементы:; на передний план�
- 93 Список пунктов меню
- 99 * Данный экран принадлежит модели HDBaseT.; СПИСОК ВВОДА; Закрытие меню и переключение на экран тестового шаблона.
- 100 Отображение списка ввода
- 101 Редактирование сигнала из списка ввода [ПРАВКА]; или
- 102 Удаление сигнала из списка ввода [ВЫРЕЗАТЬ]; Данные из буфера обмена будут вставлены на место сигнала.; Удаление всех сигналов из списка ввода [УДАЛИТЬ ВСЁ]; Откроется подтверждающее сообщение.
- 104 Каждый режим рекомендуется для следующих целей:; Выбор размера экрана для DICOM SIM [РАЗМЕР ЭКРАНА]
- 105 Подчеркивает детали изображения.
- 107 Служит для ручной настройки параметров ЧАСЫ и ФАЗА.
- 109 Для сигнала компьютера
- 110 стандартным соотношением сторон для видеоисточника.
- 111 и шума�
- 113 ) для получения информации о способе работы.; СТЕРЕО ПРОСМОТР
- 114 ) для получения дополнительной информации о; РЕЖИМ; ) для получения дополнительной информации.
- 116 правлении с помощью сдвига объектива�; устройства изменяется.
- 117 получения дополнительной информации о данном действии.; HORIZONTAL CORNER/VERTICAL CORNER; * Также возможна коррекция при проекции с обратного угла�
- 118 Способ настройки; нажмите кнопку ENTER.; для наведения курсора на [EXIT] на экране
- 119 Настройка искажений кривой проекционного экрана.; ПРОГРАММНОЕ СРЕДСТВО (Для дальнейшей поддержки)
- 121 ) для получения более подробной информации.
- 122 Условия для использования функции управления окнами; • Все проекторы должны выполнять следующие условия.
- 123 Для цвета меню можно выбрать две опции: ЦВЕТ и МОНОХРОМНОЕ.; Включение и выключение сообщений [ИНДИКАТОР СООБЩЕНИЯ]; стр�
- 124 Чтобы закрыть сообщение, нажмите кнопку EXIT.
- 125 опасность, что осколки стекла могут упасть с проектора.
- 127 проектора (рассчитанные с учетом сокращения в по-
- 128 РЕЖИМ АДМИНИСТРАТОРА; РЕЖИМ МЕНЮ
- 129 ТАЙМЕР ПРОГРАММЫ; Настройка нового таймера программы; На экране ТАЙМЕР ПРОГРАММЫ используйте кнопку
- 130 удалите галочку�
- 131 Активация таймера программы; Отобразится экран выбора.; Изменение запрограммированных настроек; Удаление программ; кнопку
- 132 НАСТР. ДАТЫ И ВРЕМЕНИ; 4 часа и во время запуска проектора�
- 134 ID�
- 135 включено, когда этот параметр был установлен на «HDBaseT».; Включение звука кнопок и звука ошибок [ГУДОК]
- 136 Чтобы подключиться к серверу DHCP:
- 140 HTTP СЕРВЕР
- 143 Настройка потребляемой мощности в режиме ожидания.
- 144 компьютера с выбранного входного разъема�; Использование таймера выключения [ВЫКЛ ТАЙМЕР]
- 145 КРОМЕ; Сброс показаний наработки лампы [СБРОС ВРЕМЕНИ НАРАБОТКИ ЛАМПЫ]
- 150 ОСЬ X ������������������������������ Отображение изображения с проектора под углом от −100 до +100; ОСЬ Y ������������������������������ Отображение изображения с проектора под углом от −100 до +100
- 151 ОСЬ Z ������������������������������ Отображение изображения с проектора под углом от −100 до +100; КАЧЕСТВО СИГНАЛА
- 154 страница
- 157 ОБЗОР САЙТА
- 158 ВЫБОР КЛЮЧА; • Максимальное количество знаков; Опция
- 159 Подготовка перед выполнением настройки; Порядок установки
- 160 Появится список «SSID».
- 162 Установка цифрового сертификата; Откроется экран ввода пароля.
- 163 и нажмите кнопку ENTER.; Очистка цифрового сертификата, который установлен на проекторе; Выберите [ОЧИСТИТЬ СЕРТИФИКАТЫ] в нижнем левом углу экрана
- 164 • Длина пароля не более 32 символов.
- 167 ИМЯ ХОСТА
- 168 Настройка пароля при использовании HTTP сервера.
- 169 Установка объектива (продается отдельно); и повредить объектив и механизм сдвига объектива.; Установка объектива; Снимите пылезащитный колпачок с проектора.
- 170 Поверните объектив по часовой стрелке.; Снятие объектива; Нажав на кнопку извлечения объектива на передней панели
- 171 Осуществление подключений; Подключение аналогового сигнала RGB
- 173 • Используйте сертифицированный кабель DisplayPort.
- 174 Если это произойдет, перезапустите компьютер.
- 175 Подключение внешнего монитора
- 177 в экранном меню проектора.
- 180 ложение механизма сдвига объектива в центре (центр объектива).; Конструкция и производственные условия для подставки; Размер отверстия для винтов (измерение по центру): 200 × 250 мм
- 181 Метод фиксации сдвига объектива; Потяните крышку зажимного рычага на себя, чтобы снять ее.
- 182 Сдвиньте зажимной рычаг вверх до упора, а затем поверните
- 183 Пример подключения к проводной локальной сети
- 186 После закрытия потяните крышку фильтра возле кнопок до; Извлечение модуля беспроводной локальной сети; Снимите блок фильтра, следуя выше указанным шагам; Выньте модуль беспроводной локальной сети.
- 188 Чистка фильтров; Нажмите на кнопки слева и справа, а затем потяните; При установке проектора на потолок
- 189 Удерживайте и выньте фильтры, установленные с двух сторон
- 190 Прикрепите четыре новых фильтрующих элемента к обе; Установите собранный блок фильтров обратно в корпус
- 191 Чистка объектива; верхность пластикового объектива.; Чистка корпуса; Если он сильно загрязнен, используйте мягкое чистящее средство.; результате к его неисправности.
- 192 Замена лампы и фильтров; поражение электрическим током.; Порядок замены лампы и фильтров; Замените лампу
- 193 • Винт крышки отсека лампы не вынимается.
- 194 проектора, а затем вставьте корпус до конца.; На этом замена лампы заканчивается.
- 195 Крышка откроется примерно на 90 градусов до упора.
- 196 Удалите пыль с корпусов фильтра и крышки фильтра.; Чтобы сбросить время наработки лампы и время наработки фильтров:; [СБРОС ВРЕМЕНИ НАРАБОТКИ ЛАМПЫ] и обнулите время наработки лампы.
- 197 Рабочая среда для программного обеспечения, которое; Названия и функции комплекта программного обеспечения; Функции
- 200 Установка программного обеспечения; Установка для программного обеспечения Windows; Отобразится окно меню.
- 201 Деинсталляция программного обеспечения; • Для Windows XP; Появится окно Панели управления.
- 202 • Деинсталляция программного обеспечения
- 203 Эксплуатация проектора через локальную сеть. (Virtual Remote; Функции управления; Экран виртуального пульта дистанционного управления
- 204 • Кликните два раза по ярлыку; Запуск из меню «Пуск»
- 205 Выход из Virtual Remote Tool; Просмотр помощи к Virtual Remote Tool; • Отображение помощи с помощью панели задач; Нажмите на иконку Virtual Remote Tool; • Отображение помощи с помощью меню Пуск.; Tool», затем «Справка Virtual Remote Tool» в указанном порядке.
- 206 Управление проектором через локальную сеть (PC Control Utility; Экран программы PC Control Utility Pro 4
- 208 Нажмите «Пуск»; Просмотр Помощи к PC Control Utility Pro 4; • Отображение Справки во время работы с PC Control Utility Pro 4.
- 209 • Отображение Справки во время работы с PC Control Utility Pro 5.; • В строке меню щелкните по «Help» («Справка»); • Отображение Справки с помощью панели Dock
- 210 Проецирование изображения или видео, отображаемых на; или карт памяти SD, без необходимости установки на Ваш компьютер. (; Функции Image Express Utility Lite; подключение компьютера к проектору.; • Возможность передачи аудио (только для Windows); беспроводной локальной сети или через соединение по USB.; • Воспроизведение потокового видео (только для Windows); в «4. Использование режима
- 212 Шаг 2: Подключите проектор к локальной сети.; ) и «9 Управление проектором с помощью браузера HTTP» (; Шаг 3: Запустите Image Express Utility Lite.; Отобразится окно выбора цели.
- 214 Просмотр файла «Помощь» к приложению Image Express Utility Lite
- 216 Шаг 2: Подключите проектор к локальной сети; Управление проектором с помощью браузера HTTP» (; Шаг 3: Запустите Image Express Utility Lite для Mac OS; «END USER LICENSE AGREEMENT».
- 217 Возможности инструментальных средств GCT; четырех вершин картинки с соответствующей вершиной экрана.
- 219 Проецирование изображений с проектора по локальной сети; Функции Image Express Utility 2.0; проводной или беспроводной локальной сети.; сжатия NEC; Использование функции «Easy Connection»*
- 220 Подключение проектора к локальной сети.
- 221 • Подключение к проектору
- 222 Поставьте отметку (; • Передача изображений
- 223 • Остановка или возобновление передачи изображений; • Окончание передачи изображений; Кликните мышью по пиктограмме проектора (
- 224 Ведение конференций; • Ведение конференций; • Демонстрация файла участникам конференции.
- 225 • Окончание конференции; Участие в конференции; • Участие в конференциях
- 227 • Сохранение полученных изображений; На экране отобразится панель памяток.; Изображение в окне посетителя будет сохранено.
- 228 • Загрузка файла для демонстрации; Откроется окно «File Transfer».; Окно «File Transfer» закроется.
- 229 • Изменение ведущего презентации; Из участника вы превратитесь в ведущего презентации.; • Выход из конференции; Выйдите из конференции и Image Express Utility 2.0.
- 230 Функции Desktop Control Utility 1.0; использования Desktop Control Utility 1.0.
- 231 Использование проектора для управления экраном компьютера
- 232 • Работа на компьютере; Отобразится окно «Startup password settings».
- 234 • Эксплуатация проектора (подключение компьютера); Подключите к проектору доступную в продаже мышь с USB разъемом.; Включите проектор.
- 236 Отобразится экран «COMPUTER LIST».
- 237 • Эксплуатация проектора (управление экраном рабочего стола); ��������������������������������������������������������Разрывает соединение с компьютером�; • Эксплуатация проектора (отключение соединений); Нажмите кнопку EXIT, пока отображается экран рабочего стола.
- 238 • Управление проектором (выход из Desktop Control Utility 1.0); Кликните мышью по пиктограмме [
- 239 Использование режима «Просмотр»; Возможности режима ПРОСМОТР; Поддерживаемые графические форматы; Требования к воспроизведению:
- 240 Поддерживаемые файлы в формате PDF; формы и примечания – не будут отображаться.; Поддерживаемые файлы в формате PowerPoint
- 241 Информация относительно папки с общим доступом и медиа-сервера; - Коррекция трапецеидального искажения с помощью кнопок
- 242 Подготовка материалов для презентации; • Информацию о поддерживаемых форматах файлов см. на стр.; • Использование команды печати; Нажмите кнопку «Редактировать» в закладке «Настройки Adobe
- 243 Показ изображений с запоминающего устройства USB; Начало работы режима «Просмотр»; Вставьте запоминающее устройство USB в порт USB
- 246 • Файл Adobe PDF
- 248 Выход из режима ПРОСМОТР; Нажмите на кнопку «INPUT» на пульте дистанционного
- 249 Отображает список устройств, подсоединенных к проектору.; Операции меню; • Воспользуйтесь кнопкой; Операция для окна со списком устройств; , чтобы переместить курсор на список устройств.
- 251 • Окно миниатюр; Операция меню; Операция для окна миниатюр
- 252 Работа панели элементов управления
- 253 Функции панели элементов управления для видео
- 255 при поиске оно обнаруживалось первым.
- 256 • СОРТИРОВКА
- 257 Воспроизведение данных, находящихся в папке с общим доступом; Подготовка; Подключение проектора к папке с общим доступом; Отобразится окно со списком устройств.
- 260 Отключение проектора от папки с общим доступом
- 261 Отображение данных при использовании медиа сервера; Включение функции «Media Sharing» для Windows Media Player 11; Откроется диалоговое окно «Media Sharing».
- 263 Настройка функции «Media Sharing» для Windows Media Player 12; Появится окно «Разрешить всем медиа-устройствам».
- 264 Подключение проектора к медиа серверу; server» на экране миниатюр.
- 265 Отсоединение проектора от медиа-сервера
- 266 Ограничения отображаемых файлов; Некоторые ограничения для файлов PowerPoint; по величине или ширине, вызывая искажения разметки слайда.; Некоторые ограничения для файлов Excel; по размеру или ширине, что может вызвать искажение макета; Некоторые ограничения для PDF файлов
- 267 Расстояние до проекции и размер экрана; Типы объективов и проекционное расстояние
- 269 Диапазон проецирования для различных объективов
- 271 Диапазон сдвига объектива; Проецирование со стола/фронтальное; Проецирование с потолка/фронтальное
- 272 Таблица сдвига объектива; Согласно таблице размеров экрана (
- 273 Перечень совместимых входных сигналов; Аналоговый компьютерный сигнал
- 276 Технические характеристики
- 280 Габаритные размеры корпуса
- 281 Установка крышки кабеля (продается отдельно); кабеля, в результате чего проектор может упасть или нанести вред.; Совместите два круглых выступа на левой и правой сто-; Демонтаж; Выкручивайте винты крышки кабеля против часовой
- 282 Подключение и уровень сигнала каждого вывода; Разъем DisplayPort IN; No вывода
- 283 Протокол связи
- 284 Поиск и устранение неисправностей; Показания индикаторов
- 285 Если сработала защита от перегрева
- 286 Типичные неисправности и способы их устранения
- 288 Если изображение отсутствует или отображается неправильно.; или перейдите к следующему шагу)
- 289 Коды управления ПК и кабельные соединения; Коды управления ПК
- 290 Контрольный перечень для устранения неисправностей; Частота случаев; всегда; Питание; Прочее
- 291 В отведенном ниже месте подробно опишите возникшую проблему.; Стандартный кабель производства NEC или другого изготовителя?
- 292 ЗАРЕГИСТРИРУЙТЕ ВАШ ПРОЕКТОР! (для жителей Соединенных; , щелкните на центр поддержки/регистрация продукта и отправьте












