Проекторы NEC PA550W - инструкция пользователя по применению, эксплуатации и установке на русском языке. Мы надеемся, она поможет вам решить возникшие у вас вопросы при эксплуатации техники.
Если остались вопросы, задайте их в комментариях после инструкции.
"Загружаем инструкцию", означает, что нужно подождать пока файл загрузится и можно будет его читать онлайн. Некоторые инструкции очень большие и время их появления зависит от вашей скорости интернета.

146
6. Установка и подключение
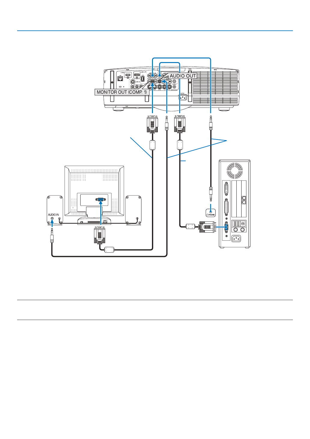
Подключение внешнего монитора
К проектору можно подключить отдельный внешний монитор для параллельного просмотра на мониторе проецируе
-
мого компьютерного аналогового изображения.
ПРИМЕЧАНИЕ:
• Последовательное подключение невозможно.
• Когда подключено звуковое оборудование, динамик проектора заблокирован.
Компью-
терный ка-
бель (VGA)
(входит в
комплект
поставки)
Стерео аудиокабель с мини-
штекером (приобретается
дополнительно)
Компьютерный кабель
(VGA) (приобретается
дополнительно)
Содержание
- 3 Важная информация; Предостережения относительно безопасности; Меры предосторожности; ВНИМАНИЕ; Утилизация использованного изделия
- 4 ii; Важные меры безопасности; • Не устанавливайте проектор в следующих условиях:
- 5 iii; Меры пожарной и электрической безопасности; Соблюдайте осторожность, когда поднимаете проектор.
- 6 iv; Предупреждение по использованию дополнительных объективов
- 7 Характеристики лампы; личивает вероятность снижения ее яркости.; Информация о режиме работы на большой высоте; эксплуатации оптических компонентов, например лампы.; ОБ АВТОРСКИХ ПРАВАХ НА ОРИГИНАЛЬНЫЕ ПРОЕЦИРУЕМЫЕ ИЗОБРАЖЕНИЯ.
- 8 Оглавление
- 9 vii
- 10 viii
- 11 ix
- 12 Комплектация; ратитесь к торговому представителю.
- 13 Знакомство с проектором; Поздравляем с покупкой проектора!; Модель
- 14 Об этом руководстве пользователя
- 15 Название деталей проектора; Лицевая/верхняя часть; зафиксировать ремешок.
- 16 Тыльная часть
- 17 Панель управления/Индикаторы; Индикатор STATUS
- 18 Элементы панели разъемов; Разъем; приведены типичные коды управления с ПК.
- 19 Элементы пульта дистанционного управления
- 21 Рабочая среда для программного обеспечения, которое; Служба загрузки обновлений
- 22 Операционная среда
- 23 Порядок проецирования изображения; - Автоматическая оптимизация сигнала компьютера (
- 24 Подключение компьютера / Подсоединение силового кабеля; способах подключения см. раздел «; время нормальной работы проектора.
- 25 Включение проектора; проектора или кнопку POWER ON на пульте дистанци
- 26 Примечание об экране запуска (экран выбора языка меню); Для выбора языка меню выполните следующие действия:; С помощью кнопки
- 27 Выбор источника сигнала; Выбор компьютера или источника видеосигнала; На экране отобразится меню.
- 28 Регулировка размера и положения изображения; выше, чем позволяет регулятор сдвига объектива.
- 30 Фокус; Кольцо фокуса используется для настройки фокусировки.
- 31 Применимый объектив: NP11FL; установить объектив в центральное положение.
- 32 Настройка ножек для регулирования наклона; Для настройки покрутите левую и правую ножки для регулирования; Зум; Продающийся отдельно объектив NP11FL не имеет кольца зума.
- 33 Коррекция трапецеидальных искажений; Если проектор наклонен по отношению к экрану.
- 35 Автоматическая оптимизация сигнала компьютера; Настройка изображения с помощью кнопки Auto Adjust; Увеличение или уменьшение громкости; Громкость динамика можно изменять.
- 36 Выключение проектора; Чтобы выключить проектор:; Сначала нажмите на кнопку
- 37 После использования; Закройте объектив крышкой.
- 38 Отключение изображения и звука; сигнал на короткое время. Повторное нажатие вернет изображение и; Увеличение картинки; Увеличение картинки возможно до четырехкратного размера.
- 39 Изменение ЭКО режима/Проверка энергосберегающего эффекта; Данная функция позволяет выбирать два режима яркости лампы:
- 40 Проверка энергосберегающего эффекта [ИЗМЕРЕНИЕ СО2]; БЕРЕЖЕНИЕ] показывает общее значение уменьшения выброса CO
- 41 Использование дополнительной удаленной мыши (NP01MR); управления. Очень удобно использовать мышь во время презентаций.; Подключение удаленной мыши к компьютеру; ПРИМЕЧАНИЕ: Кнопки PAGE
- 42 Режим перемещения объектов:
- 43 Коррекция горизонтального и вертикального трапецеидального; Угловая коррекция; Отобразится экран настройки угловой коррекции.
- 46 Отображение двух изображений одновременно; При помощи кнопки; COMPUTER 2
- 47 Просмотр двух изображений; Нажмите кнопку PIP на пульте дистанционного управления.
- 48 Предупреждение несанкционированного использования; Чтобы включить функцию безопасности:
- 50 Чтобы отключить функцию БЕЗОПАСНОСТЬ:
- 51 Управление проектором с помощью браузера HTTP; Общий обзор; ошибке будут посланы по электронной почте.; Подготовка перед началом работы
- 52 Управление адресом для работы через браузер; сети можно получить, указав; НАСТРОЙКА ПРОЕКТОРА; POWER: служит для управления питанием проектора.
- 54 WIRED или WIRELESS
- 55 проводной локальной сети.
- 56 В таком случае проверьте правильность адреса получателя.
- 57 • NETWORK SERVICE; ПРИМЕЧАНИЕ: Если Вы забыли пароль, обратитесь за помощью к дилеру.; • CRESTRON
- 58 Настройки проектора для работы в качестве сетевого проектора; Откроется окно выбора входов.
- 59 или
- 60 Проецирование изображения в режиме сетевого проектора; Появится окно «Подключение к сетевому проектору».
- 61 Выход из режима сетевого проектора; Режим сетевого проектора отключен.
- 62 тера на проекционный экран по сети.; беспроводной клавиатуры и мыши.
- 63 Настройка пароля для учетной записи Windows 7; К записи «Администратор» добавлена запись [Защищена паролем].; Настройка удаленного доступа
- 64 Запуск режима УДАЛЕННЫЙ РАБОЧИЙ СТОЛ
- 66 Выход из режима УДАЛЕННЫЙ РАБОЧИЙ СТОЛ; Работа в режиме удаленного рабочего стола закончена.
- 67 Использование режима «Просмотр»; Возможности режима ПРОСМОТР; Поддерживаемые графические форматы; Требования к воспроизведению:
- 68 формы и примечания – не будут отображаться.; Поддерживаемые файлы в формате PowerPoint
- 69 сетевой кабель или выключая проектор.
- 70 Подготовка материалов для презентации; • Информацию о поддерживаемых форматах файлов см. на стр.; • Использование команды печати; справку к Adobe Acrobat.
- 71 Показ изображений с запоминающего устройства USB; Этот раздел объясняет основные принципы работы режима ПРОСМОТР.; Начало работы режима «Просмотр»; Вставьте запоминающее устройство USB в порт USB
- 72 Откроется окно миниатюр «USB1».
- 73 • Файл видео
- 74 работает следующим образом:; Выход из режима ПРОСМОТР
- 75 Отображает список устройств, подсоединенных к проектору.; Операции меню; • Воспользуйтесь кнопкой; Операция для окна со списком устройств; , чтобы переместить курсор на список устройств.
- 76 Функции
- 77 Операция меню; Операция для окна миниатюр
- 78 Работа панели элементов управления; Воспользуйтесь кнопкой
- 79 Функции панели элементов управления для видео
- 80 ПОДСКАЗКА
- 81 • НАСТРОЙКИ АВТОВОСПРОИЗВЕДЕНИЯ
- 83 Воспроизведение данных, находящихся в папке с общим; Подготовка; Запомните или запишите путь, он понадобится для работы.; Подключение проектора к папке с общим доступом; Нажмите кнопку VIEWER на пульте дистанционного управления.
- 84 Информацию об использовании виртуальной клавиатуры см. на стр.
- 85 Нажмите кнопку
- 87 Отображение данных при использовании медиа сервера; Включение функции «Media Sharing» для Windows Media Player 11; Откроется диалоговое окно «Media Sharing».
- 88 Отметьте «Share my media» в чекбоксе и нажмите OK.
- 89 Появится окно «Разрешить всем медиа-устройствам».
- 90 Нажмите кнопку VIEWER на пульте дистанционного управления.
- 92 Ограничения отображаемых файлов; помощью прикладной программы на компьютере.; Некоторые ограничения для файлов PowerPoint; по величине или ширине, вызывая искажения разметки слайда.; Некоторые ограничения для PDF файлов
- 93 Использование экранного меню; Использование меню; ления или корпусе проектора.
- 94 Элементы меню; Окна меню и диалоговые окна обычно включают следующие элементы:; открывается соответствующее ей меню.
- 95 Пункты меню
- 99 настроек) можно загрузить из списка ввода в любой момент.; Отображение списка ввода; Нажмите кнопку MENU
- 100 Ввод текущего проецируемого сигнала в список ввода [ЗАПОМНИТЬ]; Редактирование сигнала из списка ввода [ПРАВКА]
- 101 Удаление сигнала из списка ввода [ВЫРЕЗАТЬ]; Данные из буфера обмена будут вставлены на место сигнала.; Удаление всех сигналов из списка ввода [УДАЛИТЬ ВСЁ]; Откроется подтверждающее сообщение.
- 103 Каждый режим рекомендуется для следующих целей:; Выбор размера экрана для DICOM SIM [РАЗМЕР ЭКРАНА]; Эта опция позволяет настроить цветовую температуру.; Настройка яркости и контраста [ДИНАМИЧЕСКИЙ КОНТРАСТ]
- 104 Корректирует цвет всех сигналов.
- 105 Служит для ручной настройки параметров ЧАСЫ и ФАЗА.
- 107 Для сигнала компьютера
- 108 чтобы соответствовать размерам экрана.
- 109 Данная функция используется для снижения шума видео.
- 110 устройство подключены.
- 111 Вертикальное искажение можно корректировать вручную. (; Выбор режима угловой коррекции [УГЛОВАЯ КОРРЕКЦИЯ]; полнительного изображения на основном изображении.
- 112 которого отличается от белого.; Настройка энергосберегающего режима [ЭКО РЕЖИМ]; на изображение проектора в режимах Видео или S-Видео.; Использование таймера выключения [ВЫКЛ ТАЙМЕР]
- 113 Для цвета меню возможны две опции: ЦВЕТ и МОНОХРОМНОЕ.; Включение / выключение отображения источника [ДИСПЛЕЙ ИСТОЧНИКА]
- 114 Чтобы закрыть сообщение, нажмите кнопку EXIT.; Выбор времени отображения меню [ВРЕМЯ ПОКАЗА]; является значением по умолчанию.; Выбор ориентации проектора с помощью параметра [ОРИЕНТАЦИЯ]; РЕЖИМ ВЕНТИ
- 116 Настройка; Спроецируйте изображение с двух или более проекторов.
- 117 Опция позволяет включать или выключать функцию БЕЗОПАСНОСТЬ.; Выбор скорости передачи данных [СКОРОСТЬ КОММУНИКАЦИИ]; потребуется уменьшить — это зависит от оборудования).; Установка идентификатора проектора [КОНТРОЛЬ ID]; нужно присвоить каждому проектору идентификационный номер.
- 118 Присвоение или изменение контроля ID; Откроется окно КОНТРОЛЬ ID.
- 119 ростной режим и режим Большая высота.
- 120 идентифицировать сигнал автоматически.; Звуковой сигнал выполнения операций или ошибки [ГУДОК]; ошибки, или выполнение некоторых операций, перечисленных далее.
- 122 или корпусе проектора для включения проектора.; Выбор источника по умолчанию [ВЫБОР ФАБ УСТАН ИСТОЧ]; будет обращаться всякий раз при включении.
- 123 Содержится следующая информация:; Запасная лампа
- 126 FIRMWARE3
- 127 КРОМЕ; Сброс показаний наработки лампы [СБРОС ВРЕМЕНИ НАРАБОТКИ ЛАМПЫ]
- 128 нужно сбрасывать время использования фильтра.
- 129 Меню приложений; страница; IMAGE EXPRESS UTILITY; использования Image Express Utility.; DESKTOP CONTROL UTILITY; обходимые для использования Desktop Control Utility.
- 130 использования сетевого проектора.; ПОДКЛЮЧЕНИЕ К УДАЛЕННОМУ РАБОЧЕМУ СТОЛУ
- 131 Подсказка для установки соединения по локальной сети; Чтобы подключиться к серверу DHCP:
- 134 могут быть доступными для посторонних лиц.
- 135 ВЫБОР КЛЮЧА; • Максимальное количество знаков; Опция
- 136 Подготовка перед выполнением настройки; ровой сертификат на проектор.; Порядок установки
- 137 Появится список «SSID».
- 138 Пароль
- 139 Установка цифрового сертификата; нающем устройстве USB и нажмите кнопку ENTER.
- 140 устройстве USB и нажмите кнопку ENTER.; Очистка цифрового сертификата, который установлен на проекторе; Выберите [ОЧИСТИТЬ СЕРТИФИКАТЫ] в нижнем левом углу экрана
- 141 • Длина пароля не более 32 символов.
- 145 Ниже приведен пример сообщения, которое посылается с
- 147 будет выбрано для источника по
- 148 в определенное время.; Настройка нового таймера программы; На экране ТАЙМЕР ПРОГРАММЫ используйте кнопку
- 149 Таким образом, настройки будут завершены.
- 150 Активация таймера программы; Запрограммированные настройки будут изменены.; Изменение порядка программ; Удаление программ; кнопку
- 151 ожидания часы не остановятся.; МЫШЬ
- 152 Подключение к другому оборудованию; Установка объектива (продается отдельно); и повредить объектив и механизм сдвига объектива.; Установка объектива; Снимите пылезащитный колпачок с проектора.
- 153 Снятие объектива; Нажав на кн опк у о своб о жд ения объектива на
- 154 Установка и подключение; ПРИМЕЧАНИЕ: Для подключения к порту видеосигнала; Подключение; Аналоговое соединение RGB сигнала
- 156 • Используйте сертифицированный кабель DisplayPort.; Предупреждения при использовании сигнала DVI; исправленный стандарт 1.0. Длина кабеля должна быть в пределах 5 м.
- 157 мого компьютерного аналогового изображения.
- 158 бражение может отображаться некорректно.
- 161 мощью сетевого кабеля.; Пример подключения к локальной сети; Пример подключения к проводной локальной сети
- 162 необходимо установить IP-адрес и выполнить другие настройки.; Порядок настройки беспроводной локальной сети; локальной сети к USB-порту на панели разъемов.
- 163 , чтобы установить проектор в режим ожидания,
- 164 Выньте модуль беспроводной локальной сети.
- 165 Пример подключения к беспроводной локальной сети
- 166 Техническое обслуживание; Чистка фильтров; чтобы освободить корпус фильтра, и выньте его.
- 167 - Фильтры нельзя вынуть, нажимая на левые и правые
- 168 Установите крышку фильтра обратно на корпус проек
- 169 Чистка объектива; • Перед чисткой выключите проектор.; Чистка корпуса; Если он сильно загрязнен, используйте мягкое чистящее средство.; результате к его неисправности.
- 170 Замена лампы и фильтров; поражение электрическим током.; Порядок замены лампы и фильтров; Замените лампу
- 171 пытайтесь обойти эту блокировку.; Прежде чем снимать корпус лампы, убе
- 172 На этом замена лампы заканчивается.; После обнуления счетчика индикатор LAMP погаснет.
- 173 В комплекте с запасной лампой поставляются четыре фильтра.
- 174 • Фильтры нельзя вынуть, нажимая на левые и правые края.; На этом замена фильтра завершена.; Чтобы сбросить время наработки лампы и время наработки фильтров:; Сбросьте время наработки лампы и время наработки фильтров.
- 175 Установка программного обеспечения; Установка для программного обеспечения Windows; Windows Vista и Windows XP.
- 176 Программное обеспечение User Supportware; Начнется установка.; Деинсталляция программного обеспечения; • Для Windows 7/Windows Vista; • Для Windows XP; Появится окно Панели управления.
- 177 Image Express Utility 2 for Mac поддерживает работу с Mac OS X.; • Деинсталляция программного обеспечения
- 178 Эксплуатация проектора через локальную сеть. (Virtual Remote; Функции управления; Подключите проектор к локальной сети.
- 179 • Кликните два раза по пиктограмме; Запуск из меню «Пуск»; подключения к беспроводной локальной сети.
- 180 Просмотр помощи к Virtual Remote Tool; • Отображение помощи с помощью панели задач.; Нажмите на пиктограмму Virtual Remote Tool; • Отображение помощи с помощью меню Пуск.; Tool», затем «Virtual Remote Tool Помощь» в указанном порядке.
- 181 Отображение экрана Вашего компьютера с проектора через; Функции Image Express Utility Lite; Запустится Image Express Utility Lite.
- 182 «Help» в окне коррекции трапецеидальных искажений.
- 183 Проецирование изображения с угловой позиции (Geometric; Возможности GCT; • У инструмента GCT есть три функции; Parameters Correction:; подготовленных правил трансформирования.; Проецирование изображения с угловой позиции (GCT); Нажмите на пиктограмму «
- 184 ] в необходимое место и отпустите кнопку мыши.
- 185 Отображение изображений или видео с проектора через; Функции Image Express Utility 2.0; проводной или беспроводной локальной сети.; сжатия NEC; Использование функции «Easy Connection»*
- 186 Подключение проектора к локальной сети.
- 187 • Подключение к проектору; вают данную функцию. После этого откроется окно «Projector List».
- 188 Поставьте отметку (; Проектор отобразит экран Вашего компьютера.; • Передача изображений
- 189 • Остановка или возобновление передачи изображений; • Окончание передачи изображений; Кликните мышью по пиктограмме проектора (
- 190 • Ведение конференций; • Демонстрация файла участникам конференции.
- 191 Файл в выбранной папке будет отражен в списке файлов для передачи.; • Окончание конференции; Участие в конференции; • Участие в конференциях; вают данную функцию. После этого откроется окно «Meeting List».
- 192 дить проектор, отобразится в окне посетителя.
- 193 • Сохранение полученных изображений; На экране отобразится панель памяток.; Изображение в окне посетителя будет сохранено.
- 194 • Загрузка файла для демонстрации; Откроется окно «File Transfer».; Окно «File Transfer» закроется.
- 195 • Изменение ведущего презентации; В приведенном ниже примере выбрана настройка «Not Approved».; • Выход из конференции; Выйдите из конференции и Image Express Utility 2.0.
- 196 Использование проектора для управления компьютером через; Функции Desktop Control Utility 1.0; В ОС Windows XP нажмите на [Панель управления]
- 198 Отобразится окно «Startup password settings».
- 199 Отобразится окно «Current password».
- 200 Подключите к проектору доступную в продаже мышь с USB разъемом.; Включите проектор.
- 201 Отобразится экран меню «DESKTOP CONTROL UTILITY».
- 202 дистанционного управления.
- 203 Нажмите кнопку EXIT, пока отображается экран рабочего стола.
- 204 Кликните мышью по пиктограмме [
- 205 • Отображение Помощи во время работы с PC Control Utility Pro 4.
- 206 Преобразование файлов PowerPoint в слайды (Viewer PPT; • Запуск
- 207 знаки и файлы с длинным именем.
- 208 Отображение экрана Вашего компьютера Mac с проектора через; Функции Image Express Utility 2; Запоминающее устройство
- 209 ) на панели меню Macintosh, затем кликните на «Включить AirPort».; Если статус AirPort не отображается на панели меню (; Кликните на меню Apple (
- 210 Отобразится окно «Архитектура».
- 211 • Остановка передачи изображения; Передача изображения будет приостановлена.; • Повторная передача изображения; Передача изображения будет возобновлена.; Выход из программы Image Express Utility 2; Image Express Utility 2 закроется .
- 212 Расстояние до проекции и размер экрана; Типы объективов и расстояние до проекции
- 214 Диапазон проецирования для различных объективов
- 216 Диапазон сдвига объектива; Проецирование фронтальное/со стола
- 218 Перечень совместимых входных сигналов; Аналоговый RGB
- 220 Технические характеристики
- 222 Габаритные размеры корпуса
- 223 Установка крышки кабеля (продается отдельно); кабеля может упасть, повредиться и стать причиной травмы.; Установка; Совместите два круглых выступа на боковых сторонах; Демонтаж; Выкручивайте винты крышки кабеля против часовой
- 224 Предназначение выводов входного разъема D-Sub COMPUTER; No вывода
- 225 Устранение неисправностей; Показания индикаторов
- 227 Типичные неисправности и способы их устранения; Неисправность; Проектор отключается
- 229 Если изображение отсутствует или отображается неправильно.; ектору ноутбук не был выключен.
- 230 Коды управления и кабельные соединения ПК; Коды управления ПК; Протокол связи
- 231 Контрольный перечень возможных неисправностей; постоянно; Питание
- 233 TravelCare Guide; TravelCare - a service for international travelers












