Проекторы NEC M403H - инструкция пользователя по применению, эксплуатации и установке на русском языке. Мы надеемся, она поможет вам решить возникшие у вас вопросы при эксплуатации техники.
Если остались вопросы, задайте их в комментариях после инструкции.
"Загружаем инструкцию", означает, что нужно подождать пока файл загрузится и можно будет его читать онлайн. Некоторые инструкции очень большие и время их появления зависит от вашей скорости интернета.

124
6. Установка и подключение
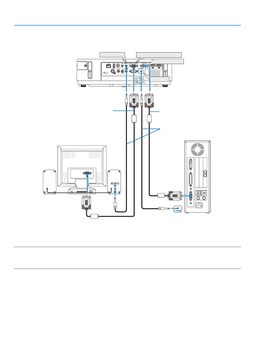
Подключение внешнего монитора
К проектору можно подключить отдельный внешний монитор для параллельного просмотра на мониторе проецируе-
мого компьютерного аналогового изображения.
ПРИМЕЧАНИЕ:
• Мини-гнездо AUDIO OUT не поддерживает разъем для наушников.
• Последовательное подключение невозможно.
• В то время, когда подключено звуковое оборудование, динамик проектора заблокирован
Разъем Monitor out и спящий режим:
• Разъем MONITOR OUT (COMP.) не будет работать, если [НОРМАЛЬНОЕ] выбрано для [РЕЖИМ ОЖИДАНИЯ].
Разъем MONITOR OUT (COMP.) будет работать только в спящем режиме.
Подача сигнала с разъема COMPUTER IN переведет проектор в спящий режим, который позволяет использовать
разъем MONITOR OUT (COMP.) и мини-джек AUDIO OUT. Звук с входного разъема микрофона будет выведен на мини-
джек AUDIO OUT.
Спящий режим является одним из режимов ожидания. Спящий режим не может быть выбран из меню.
• В режиме ожидания сети будет слышаться звук для последнего просмотренного источника компьютерного или
видеосигнала.
Сигнал, преобразованный из BNC в D-SUB, не будет выводиться в режиме ожидания и в спящем режиме.
MONITOR OUT(COMP.)
AUDIO OUT
AUDIO IN
COMPUTER IN
Компьютерный кабель (VGA)
(входит в комплект поставки)
Стереофонический аудиокабель с мини-
штекером (не входит в комплект)
Компьютерный кабель (VGA)
(в комплект поставки не входит)
Содержание
- 2 ПРИМЕЧАНИЯ
- 3 Важная информация; Предостережения относительно безопасности; Меры предосторожности; ВНИМАНИЕ; Утилизация использованного изделия; Для стран Евросоюза:
- 4 ii; Важные меры безопасности
- 5 iii; Меры пожарной и электрической безопасности; Соблюдайте осторожность, когда поднимаете проектор.
- 6 iv; Замена лампы; [ПЕРИОД ЭКСПЛУАТАЦИИ ЛАМПЫ ПОДОШЕЛ К КОНЦУ.
- 7 эксплуатации оптических компонентов, например лампы.; ОБ АВТОРСКИХ ПРАВАХ НА ОРИГИНАЛЬНЫЕ ПРОЕЦИРУЕМЫЕ ИЗОБРАЖЕНИЯ.
- 8 отсутствует на всех входах или не выполняются никакие операции.; Номер модели устройства беспроводной локальной сети
- 9 vii; Оглавление
- 10 viii
- 11 ix
- 12 Комплектация
- 13 Ознакомление с проектором; Поздравляем с покупкой проектора!; Не пытайтесь прикрепить проектор к потолку самостоятельно.; Проектор оснащен следующими функциональными возможностями:; • Измерение CO2
- 14 в сообщении на экране.; Об этом руководстве пользователя
- 15 Сравнительная таблица основных функций; ПОДСКАЗКА: Имя модели расположено на корпусе проектора.
- 16 Название деталей проектора; Передняя/верхняя часть; Сдвиньте крышку объектива вправо, чтобы открыть объектив.
- 17 Задняя часть
- 19 Важнейшие функции; / Кнопки регулирования громкости
- 20 Функции разъемов; COMPUTER IN/ Компонентный входной разъем; приведены типичные коды управления с ПК.
- 21 Элементы пульта дистанционного управления; ) Кнопка FOCUS не работает в
- 22 Правила обращения с пультом дистанционного управления; Установка элемента питания
- 23 Программное обеспечение, включенное на компакт-диске; Служба загрузки и рабочая среда
- 24 Порядок проецирования изображения; - Автоматическая оптимизация сигнала компьютера (
- 25 Подключение компьютера / Подсоединение силового кабеля; Подсоедините прилагаемый силовой кабель к проектору.
- 26 Включение проектора; Сдвиньте крышку объектива вправо, чтобы открыть
- 27 Примечание об экране запуска (экран выбора языка меню); Для выбора языка меню выполните следующие действия:; ляторы, после чего на экране появится изображение.
- 28 Выбор источника; Выбор компьютера или источника видеосигнала; На экране отобразится меню.
- 29 Регулировка размера и положения изображения; В этом разделе чертежи и кабели не указаны для большей ясности.
- 30 Настройка ножки для регулирования наклона; Для удлинения ножки для регулирования наклона нажмите и удер-
- 31 Масштабирование; Отобразится индикатор ЦИФРОВОЙ ФОКУС.
- 32 Фокус; Колесико FOCUS используется для настройки фокусировки.
- 33 Коррекция трапециевидных искажений вручную; или
- 34 Настройка с помощью пульта дистанционного управления; Появится панель настройки трапецеидального искажения.
- 37 Автоматическое обнаружение сигнала компьютера; Настройка изображения с помощью кнопки Auto Adjust; Увеличение или уменьшение громкости; Громкость динамика можно изменять.
- 38 Выключение проектора; Чтобы выключить проектор:; Нажмите на кнопку
- 39 По завершении использования; защищен от повреждений.
- 40 Отключение изображения и звука; жения, яркость лампы может не вернуться к исходному уровню.; Фиксация изображения; бражения изображения.; Увеличение изображения; Увеличение картинки возможно до четырехкратного размера.
- 41 Область увеличенного изображения будет перемещаться
- 42 Изменение режима ЭКО/Проверка энергосберегающего эффекта; Описание
- 43 Проверка энергосберегающего эффекта [ИЗМЕРЕНИЕ СО2]
- 44 Предупреждение несанкционированного использования; Чтобы активировать функцию безопасности:
- 45 Для включения проектора при включенной функции [БЕЗОПАСНОСТЬ]:
- 47 Использование компьютерного кабеля (VGA) для управления; Функции управления; Виртуальный пульт дистанционного управления
- 48 Шаг 1: Установка Virtual Remote Tool на компьютер; Отобразится окно меню.
- 50 Установка Virtual Remote Tool; Кликните «Пуск», а затем «Панель управления».; Шаг 2: Подсоедините проектор к компьютеру; ектора непосредственно с разъемом выхода монитора компьютера.
- 51 Нажмите два раза на пиктограмму; Запуск из меню «Пуск»; Следуйте указаниям на экранах.
- 52 Выход из Virtual Remote Tool; Просмотр помощи к Virtual Remote Tool; • Отображение помощи, используя панель задач.; • Отображение помощи, используя меню Пуск.; Появится окно Помощь.
- 53 Кнопка PAGE
- 54 Проецирование изображения экрана компьютера через кабель; • Откройте крышку объектива проектора или крышку объектива.
- 56 Управление проектором с помощью браузера HTTP; Общий обзор; будут посланы по электронной почте.; Подготовка перед началом работы
- 57 Управление адресом для работы через браузер; в столбце адреса или столбце ввода URL-адреса.; PROJECTOR ADJUSTMENT; POWER: служит для управления питанием проектора.
- 59 WIRED или WIRELESS
- 60 беспроводной локальной сети.
- 61 верьте правильность сетевых настроек.; • NETWORK SERVICE
- 63 Управление проектором через локальную сеть (PC Control Utility; Экран программы PC Control Utility Pro 4
- 65 «Система и безопасность»; Просмотр Помощи к PC Control Utility Pro 4; • Отображение Помощи во время работы с PC Control Utility Pro 4.
- 66 Шаг 2: Подключите проектор к локальной сети; Управление проектором с помощью браузера; Шаг 3: Запустите PC Control Utility Pro 5; • Из меню щелкните на «Help»; • Отображение справки с помощью док
- 67 или карт памяти SD, без необходимости установки на Ваш компьютер. (; Функции Image Express Utility Lite; дной/беспроводной LAN или через соединение по USB.
- 68 Шаг 2: Подключите проектор к локальной сети.; ) и «9 Управление проектором с помощью браузера
- 69 Шаг 3: Запустите Image Express Utility Lite.; чения; Просмотр файла «Помощь» к приложению Image Express Utility Lite
- 71 Загрузка Image Express Utility Lite через сервер HTTP; Отобразится страница загрузки.
- 72 Шаг 3: Запустите Image Express Utility Lite для Mac OS
- 74 Возможности инструментальных средств GCT; тырех вершин картинки с соответствующей вершиной экрана.; Parameters Correction:; считанных комбинаций правил преобразования.
- 77 Просмотр 3D изображений; ОСТОРОЖНО; смотра делайте перерыв продолжительностью не менее 15 минут.; Шаги для просмотра 3D-изображений на проекторе; более подробной информации.; Экранное меню для 3D изображений; Будет отображено экранное меню.
- 79 Использование 3D излучателя; Подключите 3D излучатель к разъему 3D SYNC проектора.
- 81 Подключение Вашего микрофона
- 82 Проецирование фотографий или документов, сохраненных на; Для Android
- 83 D E; • Каждое нажатие кнопки
- 84 Использование функции «Просмотр»; Возможности режима Просмотр; Возможности режима Просмотр.
- 86 Показ изображений с запоминающего устройства USB; ) имеет настройки по; Начало работы режима Просмотр; Вставьте запоминающее устройство USB в USB-A порт
- 88 Если меню не отображается нажмите кнопку EXIT.; Выход из режима Просмотр; Нажмите кнопку MENU с пиктограммой Слайд или
- 90 Воспользуйтесь кнопкой; Панель инструментов миниатюр
- 92 Использование меню; Установки будут сохранены до следующих изменений.; Использование экранного меню
- 93 Элементы меню; Окна меню и диалоговые окна обычно включают следующие элементы:
- 94 Пункты меню
- 99 Каждый режим рекомендуется для следующих целей:; Выбор размера экрана для DICOM SIM [РАЗМЕР ЭКРАНА]; Эта опция позволяет настроить цветовую температуру.; Настройка яркости и контраста [ДИНАМИЧЕСКИЙ КОНТРАСТ]
- 101 Служит для ручной настройки параметров Часы и Фаза.
- 102 ДАННЫЕ] и восстановите настройки по умолчанию.
- 103 следующая страница
- 104 является стандартным аспектным отношением для видеоисточника.
- 105 ПРИМЕЧАНИЕ: Эта функция доступна, только когда выбран сигнал SDTV.
- 107 ЭКО РЕЖИМ; АВТО ЗАТЕМНЕНИЕ; NORMAL OPTION
- 108 ПАРАМЕТР ЭКО; Настройка закрытого титра [ЗАКРЫТЫЙ ТИТР]; • Режим закрытого титра недоступен при таких условиях:; Использование таймера выключения [ВЫКЛ ТАЙМЕР]; Для экранных инструкций можно выбрать один из 29 языка.
- 109 Для цвета меню возможны две опции: ЦВЕТ и МОНОХРОМНОЕ.
- 110 зависимо от этого выбора.
- 111 ФРОНТАЛЬНАЯ СО СТОЛА
- 112 Присвоение или изменение контроля ID; Откроется окно КОНТРОЛЬ ID.
- 113 Выбор режима вентилятора [РЕЖИМ ВЕНТИЛЯТОРА]; близительно 5500 футов/1700 метров над уровнем моря или выше.
- 114 IN, снова выберите на проекторе источник ввода HDMI1 или HDMI2.; Выключение звукового сигнала при нажатии кнопок и ошибках [ГУДОК]
- 116 функцию в комбинации с функцией АВТО ВЫКЛ. ПИТАНИЯ.
- 118 Выберите технологию 3D очков.
- 119 Измените настройку, если Вы плохо видите 3D изображения.
- 120 присвоены компьютеру с Вашего сервера DHCP.
- 122 Чтобы подключиться к серверу DHCP:; Воспользуйтесь функцией сервера HTTP, чтобы открыть веб-браузер (
- 127 ЗА ИСКЛЮЧЕНИЕМ ТАКИХ
- 128 Установка и подключение; Настроить экран и проектор.; Настройка экрана и проектора; Выбор месторасположения; • Подробнее о расстоянии до проекции см. на стр.
- 129 • Подробнее о расстоянии до проекции см. стр.
- 131 B = вертикальное расстояние между центром
- 132 к травме и серьезно повредить сам проектор.; Отражение изображения; на корпусе проектора или пульте дистанционного управления. (
- 133 Подключение других устройств; граммного обеспечения для управления питанием.; Включение внешнего экрана компьютера
- 137 Входной разъем
- 139 Пример подключения к проводной локальной сети
- 141 Заранее приготовьте крестообразную отвертку.
- 142 Беспроводная LAN ПРОФИЛЬ 1 или ПРОФИЛЬ 2)
- 143 Техническое обслуживание; Чистка объектива; ПРЕДУПРЕЖДЕНИЕ; привести к возгоранию.; Чистка корпуса; Если он сильно загрязнен, используйте слабое чистящее средство.
- 144 Для заказа запасной лампы укажите тип Вашей лампы.; Порядок замены лампы; Замените лампу
- 145 пытайтесь обойти эту блокировку.
- 146 [СБРОС ВРЕМЕНИ НАРАБОТКИ ЛАМПЫ] и сбросьте время наработки лампы.
- 147 Устранение неисправностей; Показания индикаторов; Индикатор Power; * Для получения дополнительной информации о «спящем режиме» см. стр.; Защита от превышения допустимой температуры
- 148 Типичные неисправности и способы их устранения
- 149 Если изображение отсутствует или отображается неправильно.; или перейдите к следующему шагу)
- 150 Технические характеристики; Оптический
- 151 Механические характеристики
- 152 Электрические параметры
- 155 Спецификация на продукцию может изменяться без уведомления.
- 156 Габаритные размеры корпуса
- 158 Присоединение дополнительной крышки кабеля (NP05CV); силового кабеля, что может стать причиной пожара.; Присоединение крышки кабеля; • Будьте внимательны, не зажмите кабели между крышкой и проектором.; Снятие крышки кабеля
- 159 Предназначение штырьков входного разъема D-Sub COMPUTER; 5-штырьковый разъем D-Sub соединительного устройства; Номер кон
- 160 Перечень совместимых входных сигналов; Аналоговый RGB
- 161 Коды управления и кабельные соединения ПК; Коды управления ПК; Протокол связи
- 162 Контрольный перечень возможных неисправностей; постоянно; Питание
- 164 Сертификат качества ТСО; html
- 165 ЗАРЕГИСТРИРУЙТЕ ВАШ ПРОЕКТОР! (для жителей Соединенных