Проекторы NEC M322H - инструкция пользователя по применению, эксплуатации и установке на русском языке. Мы надеемся, она поможет вам решить возникшие у вас вопросы при эксплуатации техники.
Если остались вопросы, задайте их в комментариях после инструкции.
"Загружаем инструкцию", означает, что нужно подождать пока файл загрузится и можно будет его читать онлайн. Некоторые инструкции очень большие и время их появления зависит от вашей скорости интернета.

123
6. Установка и подключение
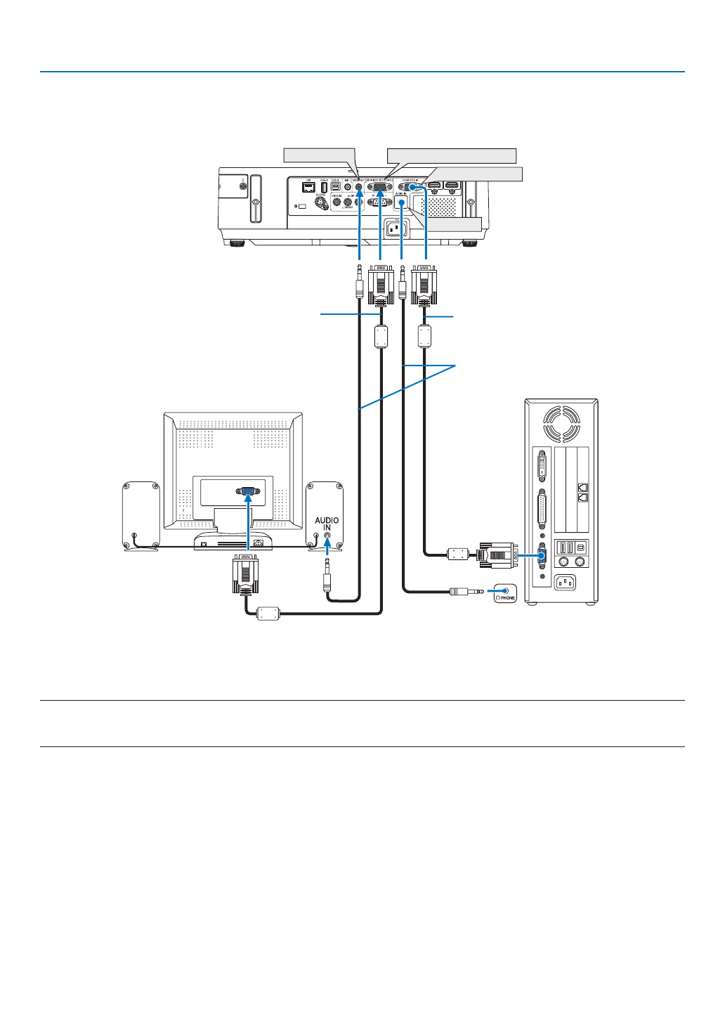
Подключение внешнего монитора
К проектору можно подключить отдельный внешний монитор для параллельного просмотра на мониторе проецируе-
мого компьютерного аналогового изображения.
ПРИМЕЧАНИЕ:
• Последовательное подключение невозможно.
• В то время, когда подключено звуковое оборудование, динамик проектора заблокирован
Разъем Monitor out и спящий режим:
• Разъем MONITOR OUT (COMP.) не будет работать, если [НОРМАЛЬНОЕ] выбрано для [РЕЖИМ ОЖИДАНИЯ].
Разъем MONITOR OUT (COMP.) будет работать только в спящем режиме.
Подача сигнала с разъема COMPUTER IN переведет проектор в спящий режим, который позволяет использовать
разъем MONITOR OUT (COMP.) и мини-джек AUDIO OUT. Звук с входного разъема микрофона будет выведен на мини-
джек AUDIO OUT.
Спящий режим является одним из режимов ожидания. Спящий режим не может быть выбран из меню.
• В режиме ожидания сети будет слышаться звук для последнего просмотренного источника компьютерного или
видеосигнала.
Сигнал, преобразованный из BNC в D-SUB, не будет выводиться в режиме ожидания и в спящем режиме.
MONITOR OUT(COMP.)
AUDIO OUT
AUDIO IN
COMPUTER IN
Компьютерный кабель (VGA)
(входит в комплект поставки)
Стереофонический аудиокабель с мини-
штекером (не входит в комплект)
Компьютерный кабель (VGA)
(в комплект поставки не входит)
Содержание
- 2 ПРИМЕЧАНИЯ
- 3 Важная информация; Предостережения относительно безопасности; Меры предосторожности; ВНИМАНИЕ; Утилизация использованного изделия
- 4 ii; Важные меры безопасности
- 5 iii; Меры пожарной и электрической безопасности; Соблюдайте осторожность, когда поднимаете проектор.
- 6 iv; проектор длительное время.; мягкого футляра может быть поврежден.; Замена лампы; лампа перегорела, осколки могут упасть вниз.
- 7 эксплуатации оптических компонентов, например лампы.; ОБ АВТОРСКИХ ПРАВАХ НА ОРИГИНАЛЬНЫЕ ПРОЕЦИРУЕМЫЕ ИЗОБРАЖЕНИЯ.
- 8 отсутствует на всех входах или не выполняются никакие операции.; Номер модели устройства беспроводной локальной сети
- 9 vii; Оглавление
- 10 viii
- 11 ix
- 12 Комплектация
- 13 Ознакомление с проектором; Поздравляем с покупкой проектора!; Не пытайтесь прикрепить проектор к потолку самостоятельно.; Проектор оснащен следующими функциональными возможностями:; • Срок службы лампы составляет до 8 000 часов*
- 14 для получения дополнительной информации.; Об этом руководстве пользователя
- 15 Сравнительная таблица основных функций; ПОДСКАЗКА: Имя модели расположено на корпусе проектора.
- 16 Название деталей проектора; Передняя/верхняя часть; Сдвиньте крышку объектива вправо, чтобы открыть объектив.
- 17 Задняя часть
- 19 Важнейшие функции; / Кнопки регулирования громкости
- 20 Функции разъемов; COMPUTER IN/ Компонентный входной разъем; приведены типичные коды управления с ПК.
- 21 Элементы пульта дистанционного управления; клавиатуры/Кнопка CLEAR
- 22 Правила обращения с пультом дистанционного управления; Установка элемента питания
- 23 Рабочая среда для программного обеспечения, содержащегося; Названия и функции встроенного программного обеспечения; Служба загрузки обновлений
- 24 Операционная среда
- 26 Порядок проецирования изображения; - Автоматическая оптимизация сигнала компьютера (
- 27 Подключение компьютера / Подсоединение силового кабеля; Подсоедините прилагаемый силовой кабель к проектору.
- 28 Включение проектора; Сдвиньте крышку объектива вправо, чтобы открыть
- 29 Примечание об экране запуска (экран выбора языка меню); Для выбора языка меню выполните следующие действия:; ляторы, после чего на экране появится изображение.
- 30 Выбор источника; Выбор компьютера или источника видеосигнала; На экране отобразится меню.
- 31 Регулировка размера и положения изображения; В этом разделе чертежи и кабели не указаны для большей ясности.
- 32 Настройка ножки для регулирования наклона; Для удлинения ножки для регулирования наклона нажмите и удер-
- 33 Масштабирование; Отобразится индикатор ЦИФРОВОЙ ФОКУС.
- 34 Фокус; Колесико FOCUS используется для настройки фокусировки.
- 35 Коррекция трапециевидных искажений вручную; или
- 36 Настройка с помощью пульта дистанционного управления; Появится панель настройки трапецеидального искажения.
- 37 • Используйте более короткую сторону проецируемо
- 39 Автоматическое обнаружение сигнала компьютера; Настройка изображения с помощью кнопки Auto Adjust; Увеличение или уменьшение громкости; Громкость динамика можно изменять.
- 40 Выключение проектора; Чтобы выключить проектор:; Нажмите на кнопку
- 41 По завершении использования; защищен от повреждений.
- 42 Отключение изображения и звука; жения, яркость лампы может не вернуться к исходному уровню.; Фиксация изображения; бражения изображения.; Увеличение изображения; Увеличение картинки возможно до четырехкратного размера.
- 43 Область увеличенного изображения будет перемещаться
- 44 Изменение режима ЭКО/Проверка энергосберегающего эффекта; Описание
- 45 Проверка энергосберегающего эффекта [ИЗМЕРЕНИЕ СО2]
- 46 Предупреждение несанкционированного использования; Чтобы активировать функцию безопасности:
- 47 Для включения проектора при включенной функции [БЕЗОПАСНОСТЬ]:
- 49 Использование компьютерного кабеля (VGA) для управления; Виртуальный пульт дистанционного управления
- 50 Шаг 1: Установка Virtual Remote Tool на компьютер; Отобразится окно меню.
- 52 Установка Virtual Remote Tool; • Для Windows 7/Windows Vista; Шаг 2: Подсоедините проектор к компьютеру
- 53 Нажмите два раза на пиктограмму; Запуск из меню «Пуск»; Следуйте указаниям на экранах.
- 54 Выход из Virtual Remote Tool; Просмотр помощи к Virtual Remote Tool; • Отображение помощи, используя панель задач.; • Отображение помощи, используя меню Пуск.; Появится окно Помощь.
- 55 Кнопка PAGE
- 56 Проецирование изображения экрана компьютера через кабель; • Откройте крышку объектива проектора или крышку объектива.
- 57 * Когда подсоединен кабель USB, «HTTP Server» выбрать нельзя.
- 58 Управление проектором с помощью браузера HTTP; Общий обзор; будут посланы по электронной почте.; Подготовка перед началом работы
- 59 Управление адресом для работы через браузер; в столбце адреса или столбце ввода URL-адреса.; Структура сервера HTTP; POWER: служит для управления питанием проектора.
- 61 WIRED или WIRELESS
- 62 беспроводной локальной сети.
- 63 верьте правильность сетевых настроек.; • NETWORK SERVICE
- 65 Управление проектором через локальную сеть (PC Control Utility; Экран программы PC Control Utility Pro 4
- 67 «Система и безопасность»; Просмотр Помощи к PC Control Utility Pro 4; • Отображение Помощи во время работы с PC Control Utility Pro 4.
- 68 Шаг 2: Подключите проектор к локальной сети; Управление проектором с помощью браузера; Шаг 3: Запустите PC Control Utility Pro 5; • Из меню щелкните на «Help»; • Отображение справки с помощью док
- 69 или карт памяти SD, без необходимости установки на Ваш компьютер. (; Функции Image Express Utility Lite; ческое подключение компьютера к проектору.; • Возможность передачи аудио (только для Windows); дной/беспроводной LAN или через соединение по USB.
- 70 Шаг 2: Подключите проектор к локальной сети.; ) и «9 Управление проектором с помощью браузера
- 71 Шаг 3: Запустите Image Express Utility Lite.; Запустится Image Express Utility Lite.; Просмотр файла «Помощь» к приложению Image Express Utility Lite; «Image Express Utility Lite»
- 73 Загрузка Image Express Utility Lite через сервер HTTP; Процедура загрузки, когда проектор подключен к сети Интернет.
- 74 Шаг 3: Запустите Image Express Utility Lite для Mac OS; «END USER LICENSE AGREEMENT».
- 76 Возможности инструментальных средств GCT; тырех вершин картинки с соответствующей вершиной экрана.
- 78 Просмотр 3D изображений; ОСТОРОЖНО; смотра делайте перерыв продолжительностью не менее 15 минут.; Шаги для просмотра 3D-изображений на проекторе; более подробной информации.
- 82 Подключение Вашего микрофона
- 83 Использование функции «Просмотр»; Возможности режима Просмотр; Возможности режима Просмотр.
- 85 Показ изображений с запоминающего устройства USB; ) имеет настройки по; Начало работы режима Просмотр; Вставьте запоминающее устройство USB в USB-A порт
- 87 Если меню не отображается нажмите кнопку EXIT.; Выход из режима Просмотр; Нажмите кнопку MENU с пиктограммой Слайд или
- 89 Воспользуйтесь кнопкой; Панель инструментов миниатюр
- 91 Использование меню; Установки будут сохранены до следующих изменений.; Использование экранного меню
- 92 Элементы меню; Окна меню и диалоговые окна обычно включают следующие элементы:
- 93 Пункты меню
- 98 Каждый режим рекомендуется для следующих целей:; Выбор размера экрана для DICOM SIM [РАЗМЕР ЭКРАНА]; Эта опция позволяет настроить цветовую температуру.; Настройка яркости и контраста [ДИНАМИЧЕСКИЙ КОНТРАСТ]
- 100 Служит для ручной настройки параметров Часы и Фаза.
- 101 ДАННЫЕ] и восстановите настройки по умолчанию.
- 102 следующая страница
- 103 является стандартным аспектным отношением для видеоисточника.
- 104 ПРИМЕЧАНИЕ: Эта функция доступна, только когда выбран сигнал SDTV.
- 106 ЭКО РЕЖИМ; АВТО ЗАТЕМНЕНИЕ; NORMAL OPTION
- 107 ПАРАМЕТР ЭКО; Настройка закрытого титра [ЗАКРЫТЫЙ ТИТР]; тиры в область экрана.; Использование таймера выключения [ВЫКЛ ТАЙМЕР]; Для экранных инструкций можно выбрать один из 29 языка.
- 108 Для цвета меню возможны две опции: ЦВЕТ и МОНОХРОМНОЕ.
- 109 зависимо от этого выбора.
- 110 ФРОНТАЛЬНАЯ СО СТОЛА
- 111 Присвоение или изменение контроля ID; Откроется окно КОНТРОЛЬ ID.
- 112 Выбор режима вентилятора [РЕЖИМ ВЕНТИЛЯТОРА]; близительно 5500 футов/1700 метров над уровнем моря или выше.
- 113 IN, снова выберите на проекторе источник ввода HDMI1 или HDMI2.; Выключение звукового сигнала при нажатии кнопок и ошибках [ГУДОК]
- 115 функцию в комбинации с функцией АВТО ВЫКЛ. ПИТАНИЯ.
- 117 Выберите технологию 3D очков.
- 118 Измените настройку, если Вы плохо видите 3D изображения.
- 119 присвоены компьютеру с Вашего сервера DHCP.
- 120 Подключение по беспроводной локальной сети будет отключено.
- 127 Установка и подключение; Настроить экран и проектор.; Настройка экрана и проектора; Выбор месторасположения; • Подробнее о расстоянии до проекции см. на стр.
- 128 • Подробнее о расстоянии до проекции см. стр.
- 130 B = вертикальное расстояние между центром
- 131 к травме и серьезно повредить сам проектор.; Отражение изображения; на корпусе проектора или пульте дистанционного управления. (
- 132 Подключение других устройств; граммного обеспечения для управления питанием.; Включение внешнего экрана компьютера
- 136 Входной разъем
- 138 Пример подключения к проводной локальной сети
- 140 Заранее приготовьте крестообразную отвертку.
- 141 Пример подключения к беспроводной локальной сети (Тип сети
- 142 Техническое обслуживание; Чистка объектива; ПРЕДУПРЕЖДЕНИЕ; привести к возгоранию.; Чистка корпуса; Если он сильно загрязнен, используйте слабое чистящее средство.
- 143 Для заказа запасной лампы укажите тип Вашей лампы.; Порядок замены лампы; Замените лампу
- 144 пытайтесь обойти эту блокировку.
- 145 [СБРОС ВРЕМЕНИ НАРАБОТКИ ЛАМПЫ] и сбросьте время наработки лампы.
- 146 Устранение неисправностей; Показания индикаторов; Индикатор Power; * Для получения дополнительной информации о «спящем режиме» см. стр.; Защита от превышения допустимой температуры
- 147 Типичные неисправности и способы их устранения
- 148 Если изображение отсутствует или отображается неправильно.; или перейдите к следующему шагу)
- 149 Технические характеристики; Оптический
- 150 Механические характеристики
- 151 Электрические параметры
- 152 Спецификация на продукцию может изменяться без уведомления.
- 155 Габаритные размеры корпуса
- 157 Присоединение дополнительной крышки кабеля (NP05CV); силового кабеля, что может стать причиной пожара.; Присоединение крышки кабеля; • Обязательно хорошо затяните винты.; Снятие крышки кабеля
- 158 Предназначение штырьков входного разъема D-Sub COMPUTER; 5-штырьковый разъем D-Sub соединительного устройства; такта
- 159 Перечень совместимых входных сигналов; Аналоговый RGB
- 160 Коды управления и кабельные соединения ПК; Коды управления ПК; Протокол связи
- 161 Контрольный перечень возможных неисправностей; постоянно; Питание
- 163 Сертификат качества ТСО; html
- 164 ЗАРЕГИСТРИРУЙТЕ ВАШ ПРОЕКТОР! (для жителей Соединенных