Посудомоечные машины Smeg LP364X - инструкция пользователя по применению, эксплуатации и установке на русском языке. Мы надеемся, она поможет вам решить возникшие у вас вопросы при эксплуатации техники.
Если остались вопросы, задайте их в комментариях после инструкции.
"Загружаем инструкцию", означает, что нужно подождать пока файл загрузится и можно будет его читать онлайн. Некоторые инструкции очень большие и время их появления зависит от вашей скорости интернета.

Инструкции
для
пользователя
10
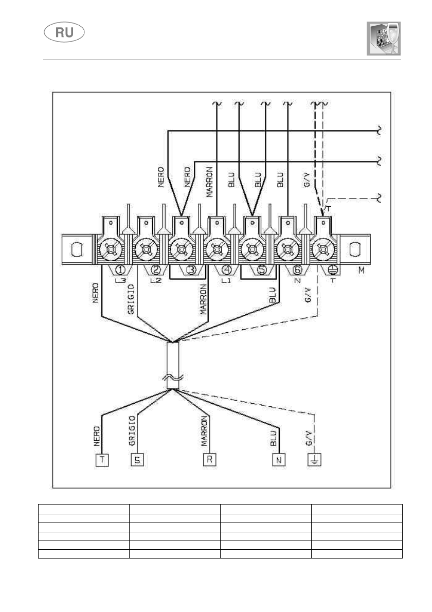
СХЕМА
однофазного
ПОДКЛЮЧЕНИЯ
(
по
умолчанию
)
230V/50Hz/1/N/PE
COLORE DEI FILI
COLEUR DE FIL
WIRE COLOR
ADERNFABER
GRIGIO
GRIS
GREY
GRAU
BLU
BLEU
BLUE
BLAU
MARRON
MARRON
BROW N
BRAUN
NERO
NOIR
BLACK
SCHWARZ
G/V GIALLO/VERDE
JEUNE/VERT
YELLOW /GREEN
GELB/GRUN
Характеристики
Остались вопросы?Не нашли свой ответ в руководстве или возникли другие проблемы? Задайте свой вопрос в форме ниже с подробным описанием вашей ситуации, чтобы другие люди и специалисты смогли дать на него ответ. Если вы знаете как решить проблему другого человека, пожалуйста, подскажите ему :)













