Посудомоечные машины MAUNFELD MLP-12IMROI - инструкция пользователя по применению, эксплуатации и установке на русском языке. Мы надеемся, она поможет вам решить возникшие у вас вопросы при эксплуатации техники.
Если остались вопросы, задайте их в комментариях после инструкции.
"Загружаем инструкцию", означает, что нужно подождать пока файл загрузится и можно будет его читать онлайн. Некоторые инструкции очень большие и время их появления зависит от вашей скорости интернета.

УСТАНОВКА ПРИБОРА
www.maunfeld.ru
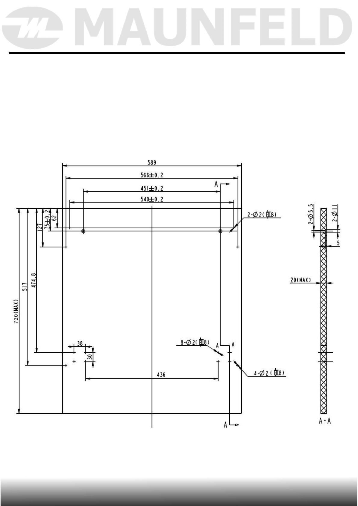
При встраивании посудомоечной машины для установки декоративной
панели (кухонного фасада) на дверцу прибора воспользуйтесь монтажным
трафаретом, который идет в комплекте.
Декоративный кухонный фасад должен соответствовать размерам,
указанным на рисунке (единицы измерения: мм).
УСТАНОВКА ДЕКОРАТИВНОЙ ПАНЕЛИ
-17-
Содержание
- 3 СОДЕРЖАНИЕ
- 5 Внимательно ознакомьтесь с; МЕРЫ БЕЗОПАСНОСТИ; ОБЩИЕ МЕРЫ БЕЗОПАСНОСТИ
- 8 СПЕЦИАЛЬНЫЕ МЕРЫ БЕЗОПАСНОСТИ
- 9 ОПИСАНИЕ ПРИБОРА; ТЕХНИЧЕСКИЕ ХАРАКТЕРИСТИКИ
- 10 ВНЕШНИЙ ВИД И КОМПЛЕКТАЦИЯ
- 12 ПАНЕЛЬ УПРАВЛЕНИЯ; КНОПКИ УПРАВЛЕНИЯ
- 14 ЛУЧ НА ПОЛУ
- 15 УСТАНОВКА ПРИБОРА; ПОДГОТОВКА К УСТАНОВКЕ
- 16 УСТАНОВКА ПРИБОРА В НИШУ
- 18 УСТАНОВКА ДЕКОРАТИВНОЙ ПАНЕЛИ
- 21 НАСТРОЙКА УПРУГОСТИ ПРУЖИНЫ ДВЕРЦЫ
- 22 ВЫРАВНИВАНИЕ ПРИБОРА ПО ГОРИЗОНТАЛИ
- 23 ПОДКЛЮЧЕНИЕ К СИСТЕМЕ ВОДОСНАБЖЕНИЯ; МЕСТО ПОДСОЕДИНЕНИЯ
- 24 ПОДКЛЮЧЕНИЕ К ДРЕНАЖНОЙ СИСТЕМЕ
- 26 ТРЕБОВАНИЯ К ЭЛЕКТРИЧЕСКОМУ ПОДКЛЮЧЕНИЮ; ПОДСОЕДИНЕНИЕ К ЭЛЕКТРОСЕТИ
- 27 ЭКСПЛУАТАЦИЯ ПРИБОРА; ВКЛЮЧЕНИЕ ПРИБОРА В ПЕРВЫЙ РАЗ
- 28 СМЯГЧИТЕЛЬ ВОДЫ
- 29 ТАБЛИЦА ЖЕСТКОСТИ ВОДЫ И НАСТРОЙКИ СМЯГЧИТЕЛЯ
- 30 ЗАГРУЗКА СОЛИ В КОНТЕЙНЕР
- 31 НАПОЛНЕНИЕ ДИСПЕНСЕРА ОПОЛАСКИВАТЕЛЯ
- 33 РЕГУЛИРОВКА ДИСПЕНСЕРА ОПОЛАСКИВАТЕЛЯ
- 35 МОЮЩЕЕ СРЕДСТВО В ТАБЛЕТКАХ
- 36 ДИСПЕНСЕР МОЮЩЕГО СРЕДСТВА
- 38 РЕГУЛИРОВКА ПОЛОЖЕНИЯ ВЕРХНЕЙ КОРЗИНЫ
- 40 ЗАГРУЗКА НИЖНЕЙ КОРЗИНЫ
- 41 ЛОТОК ДЛЯ СТОЛОВЫХ ПРИБОРОВ
- 44 ДОБАВЛЕНИЕ ПОСУДЫ В ПРОЦЕССЕ РАБОТЫ; ОТЛОЖЕННЫЙ СТАРТ
- 45 АВТОМАТИЧЕСКОЕ ОТКРЫВАНИЕ ДВЕРЦЫ
- 48 ПОСЛЕ ЗАВЕРШЕНИЯ ЦИКЛА ПРОГРАММ
- 49 УХОД И ОБСЛУЖИВАНИЕ; СИСТЕМА ФИЛЬТРОВ
- 51 ЧИСТКА РАЗБРЫЗГИВАЮЩИХ КОРОМЫСЕЛ
- 52 ЧИСТКА ПРИБОРА
- 53 УСТРАНЕНИЕ НЕПОЛАДОК
- 57 КОДЫ ОШИБОК
- 59 УТИЛИЗАЦИЯ
- 60 ИНФОРМАЦИЯ ОТ ПРОИЗВОДИТЕЛЯ; XXXXXXXXXXXX
Характеристики
Остались вопросы?Не нашли свой ответ в руководстве или возникли другие проблемы? Задайте свой вопрос в форме ниже с подробным описанием вашей ситуации, чтобы другие люди и специалисты смогли дать на него ответ. Если вы знаете как решить проблему другого человека, пожалуйста, подскажите ему :)