Посудомоечные машины Maunfeld MLP-08S - инструкция пользователя по применению, эксплуатации и установке на русском языке. Мы надеемся, она поможет вам решить возникшие у вас вопросы при эксплуатации техники.
Если остались вопросы, задайте их в комментариях после инструкции.
"Загружаем инструкцию", означает, что нужно подождать пока файл загрузится и можно будет его читать онлайн. Некоторые инструкции очень большие и время их появления зависит от вашей скорости интернета.

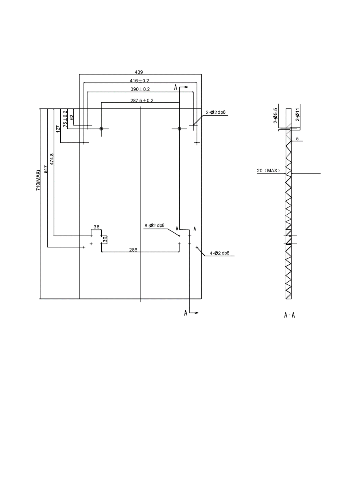
РАЗМЕРЫ И УСТАНОВКА ВНЕШНЕЙ ПАНЕЛИ
1.
Установите внешнюю панель, как это показано на рисунке 3
Внешняя панель должна быть установлена в соответствии с размерами, указанными на рисунке 3.
Установите крюк на внешней панели и вставьте его в отверстие на дверце посудомоечной машины
(рис 4а). Установив панель, закрепите ее на дверце машины при помощи гаек и болтов (рис. 4b).
Содержание
- 3 ИНСТРУКЦИЯ ПО ИСПОЛЬЗОВАНИЮ; ПАНЕЛЬ УПРАВЛЕНИЯ
- 4 Перед первым включением посудомоечной машинки, необходимо:; РЕГУЛИРОВКА ПОТРЕБЛЕНИЯ СОЛИ
- 5 СМЯГЧИТЕЛЬ ВОДЫ
- 6 ЗАГРУЗКА СОЛИ; Если немного воды выльется из контейнера для соли - это нормально.; ДЕЙСТВИЕ СРЕДСТВА ДЛЯ ПОЛОСКАНИЯ.
- 7 Индикатор Ополаскивателя
- 8 Наполните диспенсер средством для полоскания. Не перелейте его!
- 9 РЕГУЛИРОВКА ДИСПЕНСЕРА ДЛЯ ОПОЛАСКИВАТЕЛЯ; МОЮЩЕЕ СРЕДСТВО; Обычные алкалиновые чистящие средства, содержащие щелочь.; МОЮЩИЕ СРЕДСТВА В ТАБЛЕТКАХ
- 10 КОЛИЧЕСТВО МОЮЩЕГО СРЕДСТВА
- 11 НАПОЛНЕНИЕ ДИСПЕНСЕРА ДЛЯ МОЮЩЕГО СРЕДСТВА; Закройте крышку и надавите на нее, пока она не встанет на место.
- 12 ВИДЫ МОЮЩИХ СРЕДСТВ; Существует 3 вида моющих средств:
- 13 Овальные тарелки; РЕГУЛИРОВКА ВЕРХНЕЙ КОРЗИНЫ
- 14 Верхнее положение корзины Нижнее положение корзины; ЗАГРУЗКА НИЖНЕЙ КОРЗИНЫ
- 15 СКЛАДЫВАЮЩИЕСЯ СКОБЫ
- 16 КОРЗИНА ЯЩИК ДЛЯ СТОЛОВЫХ ПРИБОРОВ; НЕ ПОДЛЕЖАТ МЫТЬЮ В ПОСУДОМОЕЧНОЙ МАШИНЕ
- 17 ЗАВЕРШЕНИЕ ЦИКЛА МОЙКИ
- 18 ЗАПУСК ПРОГРАММЫ МОЙКИ; ТАБЛИЦА РАБОЧИХ ЦИКЛОВ МОЙКИ; ИЗМЕНЕНИЕ ПРОГРАММЫ МОЙКИ
- 19 СИСТЕМА ФИЛЬТРОВ
- 20 ВНИМАНИЕ: НЕ ПЕРЕВОРАЧИВАЙТЕ ТОНКИЙ ФИЛЬТР СНИЗУ ВВЕРХ.
- 21 СБОРКА ФИЛЬТРОВ
- 22 УХОД ЗА МАШИНОЙ; ЗАЩИТА ОТ ЗАМЕРЗАНИЯ; Отключите электропитание посудомоечной машины.
- 25 РИСУНОК 1; Размеры кухонной стойки; РИСУНОК 2
- 29 НАСТРОЙКА УПРУГОСТИ ПРУЖИНЫ ДВЕРЦЫ ПОСУДОМОЕЧНОЙ МАШИНЫ; РИСУНОК 5
- 30 РИСУНОК 6; УСТАНОВКА ПОСУДОМОЕЧНОЙ МАШИНЫ; Подсоедините всасывающий шланг к источнику подачи воды.
- 31 МАКСИМАЛЬНАЯ РЕГУЛИРУЕМАЯ ВЫСОТА НОЖЕК 60 ММ.
- 32 ТРЕБОВАНИЯ К ЭЛЕКТРИЧЕСКОМУ ПОДКЛЮЧЕНИЮ
- 33 О БЕЗОПАСНОМ ВПУСКНОМ ШЛАНГЕ
- 35 УСТРАНЕНИЕ НЕПОЛАДОК
- 36 Пена в отстойнике
- 39 З А Г Р У З К А П О С У Д О М О Е Ч Н О Й М А Ш И Н Ы В С О О Т В Е Т С Т В И И С Н О Р М А М И E N 5 0 2 4 2 :; Тарелки для супа
- 41 ОКРУЖАЮЩАЯ СРЕДА
- 42 Гарантийная карта
- 43 Гарантия не действительна в результате:












