Посудомоечные машины MAUNFELD MLP-083D - инструкция пользователя по применению, эксплуатации и установке на русском языке. Мы надеемся, она поможет вам решить возникшие у вас вопросы при эксплуатации техники.
Если остались вопросы, задайте их в комментариях после инструкции.
"Загружаем инструкцию", означает, что нужно подождать пока файл загрузится и можно будет его читать онлайн. Некоторые инструкции очень большие и время их появления зависит от вашей скорости интернета.

www.maunfeld.ru
ПОДКЛЮЧЕНИЕ К ДРЕНАЖНОЙ СИСТЕМЕ
-22-
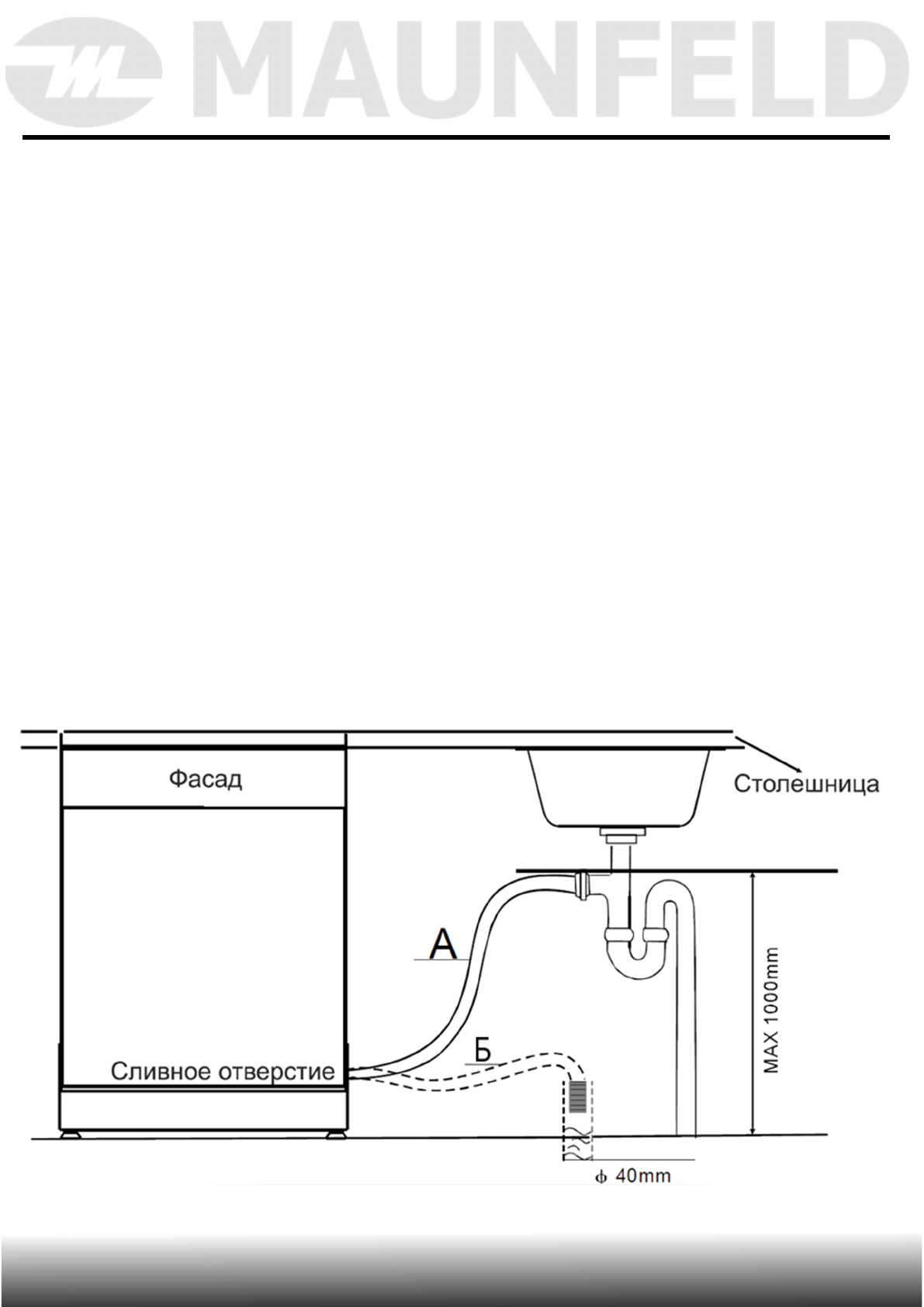
УСТАНОВКА ПРИБОРА
•
Разместите и подключите сливной шланг одним из указанных ниже
способов (А или Б).
•
Сливной шланг должен быть правильно установлен, чтобы избежать
протечки воды. Проследите, чтобы на сливном шланге отсутствовали
перегибы и его ничто не пережимало. Конец сливного шланга должен
быть закреплен специальным хомутом и не должен быть погружен
в воду. Проверьте надежность крепления сливного шланга, затяните
крепежный хомут.
•
Для варианта «Б»: вставьте сливной шланг в трубу слива минимального
диаметра 40 мм, используйте пластиковый держатель, идущий
в комплекте.
Верхняя часть шланга должна находится на высоте
от 40 до 100 см, но обязательно выше уровня слива, чтобы
отработанная вода не затекала в машину.
Содержание
- 3 СОДЕРЖАНИЕ
- 5 Внимательно ознакомьтесь с; МЕРЫ БЕЗОПАСНОСТИ; ОБЩИЕ МЕРЫ БЕЗОПАСНОСТИ
- 8 СПЕЦИАЛЬНЫЕ МЕРЫ БЕЗОПАСНОСТИ
- 9 ОПИСАНИЕ ПРИБОРА; ТЕХНИЧЕСКИЕ ХАРАКТЕРИСТИКИ
- 10 ВНЕШНИЙ ВИД И КОМПЛЕКТАЦИЯ
- 12 ПАНЕЛЬ УПРАВЛЕНИЯ; ИНДИКАТОРЫ
- 14 УСТАНОВКА ПРИБОРА; ПОДГОТОВКА К УСТАНОВКЕ
- 15 УСТАНОВКА ПРИБОРА В НИШУ
- 17 УСТАНОВКА ДЕКОРАТИВНОЙ ПАНЕЛИ
- 20 НАСТРОЙКА УПРУГОСТИ ПРУЖИНЫ ДВЕРЦЫ
- 21 ВЫРАВНИВАНИЕ ПРИБОРА ПО ГОРИЗОНТАЛИ
- 22 ПОДКЛЮЧЕНИЕ К СИСТЕМЕ ВОДОСНАБЖЕНИЯ; МЕСТО ПОДСОЕДИНЕНИЯ
- 23 ПОДКЛЮЧЕНИЕ К ДРЕНАЖНОЙ СИСТЕМЕ
- 25 ТРЕБОВАНИЯ К ЭЛЕКТРИЧЕСКОМУ ПОДКЛЮЧЕНИЮ; ПОДСОЕДИНЕНИЕ К ЭЛЕКТРОСЕТИ
- 26 ЭКСПЛУАТАЦИЯ ПРИБОРА; ВКЛЮЧЕНИЕ ПРИБОРА В ПЕРВЫЙ РАЗ
- 27 СМЯГЧИТЕЛЬ ВОДЫ
- 28 ТАБЛИЦА ЖЕСТКОСТИ ВОДЫ И НАСТРОЙКИ СМЯГЧИТЕЛЯ
- 29 ЗАГРУЗКА СОЛИ В КОНТЕЙНЕР
- 30 НАПОЛНЕНИЕ ДИСПЕНСЕРА ОПОЛАСКИВАТЕЛЯ
- 32 РЕГУЛИРОВКА ДИСПЕНСЕРА ОПОЛАСКИВАТЕЛЯ
- 34 МОЮЩЕЕ СРЕДСТВО В ТАБЛЕТКАХ
- 35 ДИСПЕНСЕР МОЮЩЕГО СРЕДСТВА
- 37 РЕГУЛИРОВКА ПОЛОЖЕНИЯ ВЕРХНЕЙ КОРЗИНЫ
- 39 ЗАГРУЗКА НИЖНЕЙ КОРЗИНЫ
- 40 ЛОТОК ДЛЯ СТОЛОВЫХ ПРИБОРОВ
- 43 ДОБАВЛЕНИЕ ПОСУДЫ В ПРОЦЕССЕ РАБОТЫ; ОТЛОЖЕННЫЙ СТАРТ
- 46 ПОСЛЕ ЗАВЕРШЕНИЯ ЦИКЛА ПРОГРАММ
- 47 УХОД И ОБСЛУЖИВАНИЕ; СИСТЕМА ФИЛЬТРОВ
- 49 ЧИСТКА РАЗБРЫЗГИВАЮЩИХ КОРОМЫСЕЛ
- 50 ЧИСТКА ПРИБОРА
- 51 УСТРАНЕНИЕ НЕПОЛАДОК
- 55 КОДЫ ОШИБОК
- 57 УТИЛИЗАЦИЯ
- 58 ИНФОРМАЦИЯ ОТ ПРОИЗВОДИТЕЛЯ; XXXXXXXXXXXX
Характеристики
Остались вопросы?Не нашли свой ответ в руководстве или возникли другие проблемы? Задайте свой вопрос в форме ниже с подробным описанием вашей ситуации, чтобы другие люди и специалисты смогли дать на него ответ. Если вы знаете как решить проблему другого человека, пожалуйста, подскажите ему :)