Посудомоечные машины Krona Kaskata 60 BI - инструкция пользователя по применению, эксплуатации и установке на русском языке. Мы надеемся, она поможет вам решить возникшие у вас вопросы при эксплуатации техники.
Если остались вопросы, задайте их в комментариях после инструкции.
"Загружаем инструкцию", означает, что нужно подождать пока файл загрузится и можно будет его читать онлайн. Некоторые инструкции очень большие и время их появления зависит от вашей скорости интернета.
Загружаем инструкцию

Инструкция по установке и эксплуатации
Инструкция по установке и эксплуатации
ПОСУДОМОЕЧНЫЕ МАШИНЫ
19
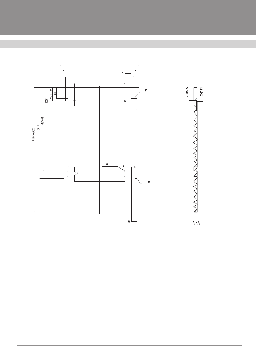
Рис. 3b. K ASK ATA 45 Bl
dp8
439
416 0.2
f
390 0.2
f
287.5 0.2
f
286
3 8
8 - 2
dp8
4 - 2
dp8
2 - 2
20 MAX
(
)
5
Содержание
- 2 ПОСУДОМОЕЧНЫЕ МАШИНЫ; Благодарим Вас за приобретение продукции; KRONAsteel; соответствует всем стандартам ЕЭС.
- 3 Инструкция по установке и эксплуатации; СОДЕРЖАНИЕ; Гарантийный талон, условия гарантийного обслуживания; сертифицировано СЕ, T
- 4 ЗАЗЕМЛЕНИЕ; СОВЕТЫ И УКАЗАНИЯ ПО БЕЗОПАСНОСТИ
- 5 Во время загрузки посуды:; * комплектация посудомоечной машины
- 6 ТЕХНИЧЕСКИЕ ХАРАКТЕРИСТИКИ; сти дверцы посудомоечной машины и видна после открытия дверцы.; Модель; K ASK ATA 45 Bl; Класс энергоэффективности; ПАНЕЛЬ УПРАВЛЕНИЯ; Вид панели управления посудомоеч-
- 7 УСТРОЙСТВО ПОСУДОМОЕЧНОЙ; Не открывайте дверцу посудомоечной
- 8 О завершении рабочего режима посу-; Если случайно Вы все же открыли; Auto
- 9 Таблица режимов работы*
- 10 СМЯГЧИТЕЛЬ ВОДЫ
- 11 МОЮЩЕЕ СРЕДСТВО
- 12 Расход моющего стредства; Количество моющего средства может; Удаление накипи; Средство для полоскания используется
- 13 Регулировка дозатора; Во время последнего полоскания ис-; Когда заправлять дозатор; Если на панели управления нет лампоч-
- 14 ЗАГРУЗКА ПОСУДЫ
- 15 Для наилучшего расположения ка-; *в зависимости от модели
- 17 УХОД ЗА
- 18 Для чистки грубого фильтра и филь-; Чистка дверцы; Для чистки края дверцы, Вы должны; Уход за Вашей; После каж дой мойки выключите по-; Если Вы уезжаете в отпуск
- 19 ВНИМАТЕЛЬНО ПРОЧИТАЙТЕ; Место установки посудомоечной ма-; УСТАНОВКА; При размещении посудомоечной
- 20 РАЗМЕРЫ И УСТАНОВКА; После размещения декоративной па-
- 22 РЕГУЛИРОВКА НАТЯЖЕНИЯ; На заводе натяжение пружины внеш-
- 23 ПОДКЛЮЧЕНИЕ СЛИВНОГО ШЛАНГА
- 24 Безопасный впускной шланг имеет две
- 26 ИНСТРУКЦИЯ ПО УСТАНОВКЕ; — показаны винты,; СОВЕТЫ ПО УСТРАНЕНИЮ НЕПОЛАДОК; Проблема; Низкое давление воды
- 29 Сервисные коды
- 30 Перелив
- 32 ЧТО НЕЛЬЗЯ МЫТЬ В ПОСУДОМОЕЧНОЙ МАШИНЕ