Посудомоечные машины Korting KDI 6045 - инструкция пользователя по применению, эксплуатации и установке на русском языке. Мы надеемся, она поможет вам решить возникшие у вас вопросы при эксплуатации техники.
Если остались вопросы, задайте их в комментариях после инструкции.
"Загружаем инструкцию", означает, что нужно подождать пока файл загрузится и можно будет его читать онлайн. Некоторые инструкции очень большие и время их появления зависит от вашей скорости интернета.

22
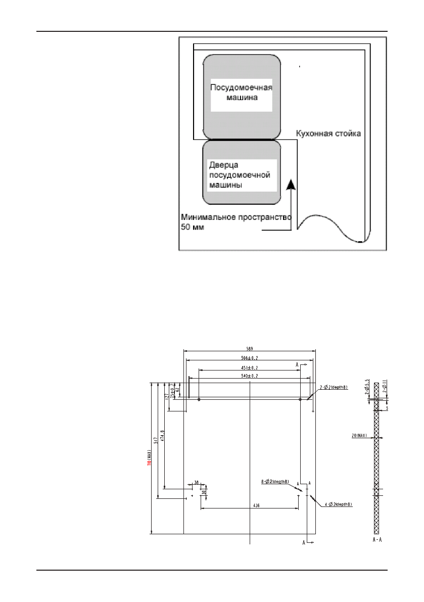
Р И СУ Н О К 2
Минимальное пространство,
необходимое для открытия двери.
РА З М Е Р Ы И УСТА Н О В КА В Н Е Ш Н Е Й П А Н Е Л И
1. Установите внешнюю панель, как это показано на рисунке 3
Внешняя панель должна быть установлена в соответствии с размерами, указанными на рисун2.
Установите крюк на внешней панели и вставьте его в отверстие на дверце посудомоечной машины
(рис 4а). Установив панель, закрепите ее на дверце машины при помощи гаек и болтов (рис. 4b).
Р И СУ Н О К 3












