Посудомоечные машины Korting KDF 60578 - инструкция пользователя по применению, эксплуатации и установке на русском языке. Мы надеемся, она поможет вам решить возникшие у вас вопросы при эксплуатации техники.
Если остались вопросы, задайте их в комментариях после инструкции.
"Загружаем инструкцию", означает, что нужно подождать пока файл загрузится и можно будет его читать онлайн. Некоторые инструкции очень большие и время их появления зависит от вашей скорости интернета.

17
Подключение к холодному водоснабжению
Подсоедините шланг подачи холодной воды к коннектору с резьбой 3/4 (дюйма) и убедитесь,
что он плотно закреплен. Если водопроводные трубы новые или не использовались в течение дли
-
тельного периода времени, то дайте воде стечь и убедитесь, что вода чистая. Эта мера предосторож
-
ности необходима во избежание риска засорения впускного отверстия для воды и повреждения
прибора.
Защитный шланг
Предохранительный шланг имеет двойную стенку. Шланг устроен таким образом, что поток воды
блокируется в случае разрыва питающего шланга и заполнения промежутка между самим питаю
-
щим шлангом и внешним гофрированным шлангом водой.
В Н И М А Н И Е! Ш Л А Н Г, П ОД СО Е Д И Н Е Н Н Ы Й К РА К О В И Н Е, М О Ж Е Т Л О П Н У Т Ь,
Е С Л И О Н УС ТА Н О В Л Е Н Н А ТО Й Ж Е Л И Н И И В ОД О П Р О В ОД А , Ч ТО И П О СУД О М О
-
Е Ч Н А Я М А Ш И Н А . В ЭТО М С Л У Ч А Е Р Е К О М Е Н ДУ Е ТС Я ОТСО Е Д И Н И Т Ь Ш Л А Н Г И П О
-
С ТА В И Т Ь З А Г Л У Ш К У В ОТ В Е Р С Т И Е.
Как подключить шланг с предохранительным клапаном
1. Полностью вытащите шланги из отсека, расположенного в задней части посудомоечной машины.
2. Подсоедините шланг к муфте с резьбой 3/4 дюйма и затяните винты.
3. Включите воду перед запуском посудомоечной машины.
Как отсоединить шланг с предохранительным клапаном
1. Выключите воду.
2. Отсоедините шланг от муфты.
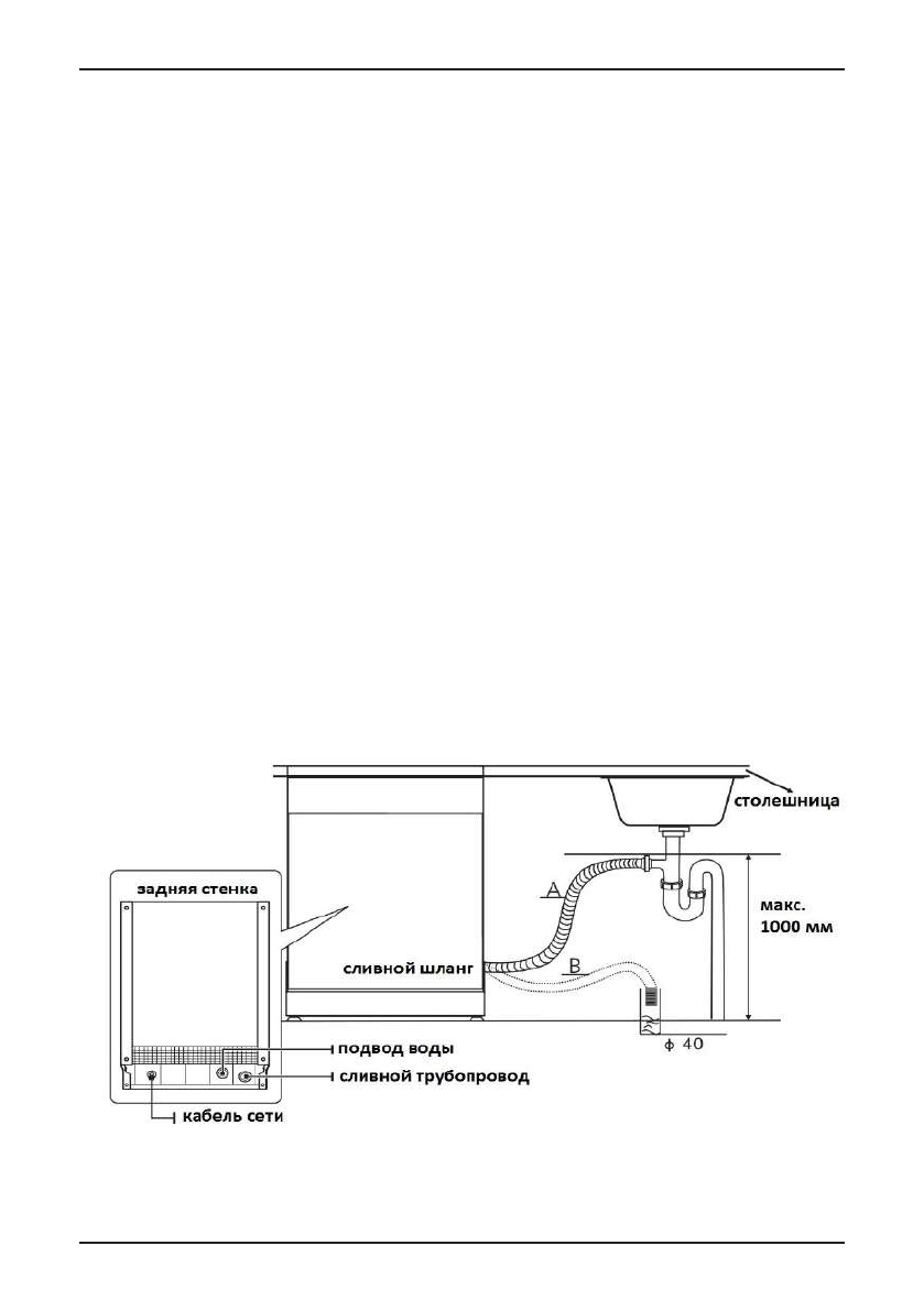
ПОДСОЕДИНЕНИЕ СЛИВНЫХ ШЛАНГОВ
Вставьте сливной шланг в сливную трубу диаметром не менее 4 см или положите его в ракови
-
ну и дайте воде стечь; постарайтесь не гнуть и не сгибать шланг. Высота сливной трубы должна
быть не более 1000 мм. Свободный конец шланга не должен быть погружен в воду во избежание
обратного тока воды.
Надежно закрепите сливной шланг либо в положении A, либо в положении B
Вставьте сливной шланг в сливную трубу диаметром не менее 4 см или
положите его в раковину и дайте воде стечь
;
постарайтесь
не гнуть
и не сгибать
шланг. Высота сливной трубы должна быть не более 1000 мм.
Свободный конец
шланга не должен быть погружен в воду
во избежание обратного тока воды.
Надежно закрепите сливной шланг либо в положении A, либо в положении B
.
Как слить лишнюю воду из шлангов
Если раковина находится на высоте
1000
см от
пола, то слить лишнюю воду
из шлангов непосредственно в раковину
не получится. Необходимо будет
слить излишки воды из шлангов в емкость или подходящий контейнер
снаружи
ниже уровня раковины.
Отведение воды
Подсоедините шланг для слива воды. Сливной шланг должен быть
правильно установлен
во избежание
протечек.
Убедитесь, что шланг для
слива воды не перекручен и не сдавлен.
Удлинительный шланг
Если вам требуется удлинитель сливного шланга, обязательно используйте
аналогичный сливной шланг. Он
не должен
быть длиннее 4 метров; в
противном случае снижается эффективность работы посудомоечной
машины.
Сифон
Отвод
отработанной воды
должен быть на уровне не выше 100 см
(максимум). Шланг для слива воды должен быть закреплен.
Характеристики
Остались вопросы?Не нашли свой ответ в руководстве или возникли другие проблемы? Задайте свой вопрос в форме ниже с подробным описанием вашей ситуации, чтобы другие люди и специалисты смогли дать на него ответ. Если вы знаете как решить проблему другого человека, пожалуйста, подскажите ему :)