Kaiser S 60 I 83 XL - Инструкция по эксплуатации - Страница 14

Посудомоечные машины Kaiser S 60 I 83 XL - инструкция пользователя по применению, эксплуатации и установке на русском языке. Мы надеемся, она поможет вам решить возникшие у вас вопросы при эксплуатации техники.

Если остались вопросы, задайте их в комментариях после инструкции.

"Загружаем инструкцию", означает, что нужно подождать пока файл загрузится и можно будет его читать онлайн. Некоторые инструкции очень большие и время их появления зависит от вашей скорости интернета.
Страница:
/ 104
Загружаем инструкцию
background image

 

14 

 

 

EN 

 

 
 
 
 
 
 
 
 
 
 
 
 
 
 

 

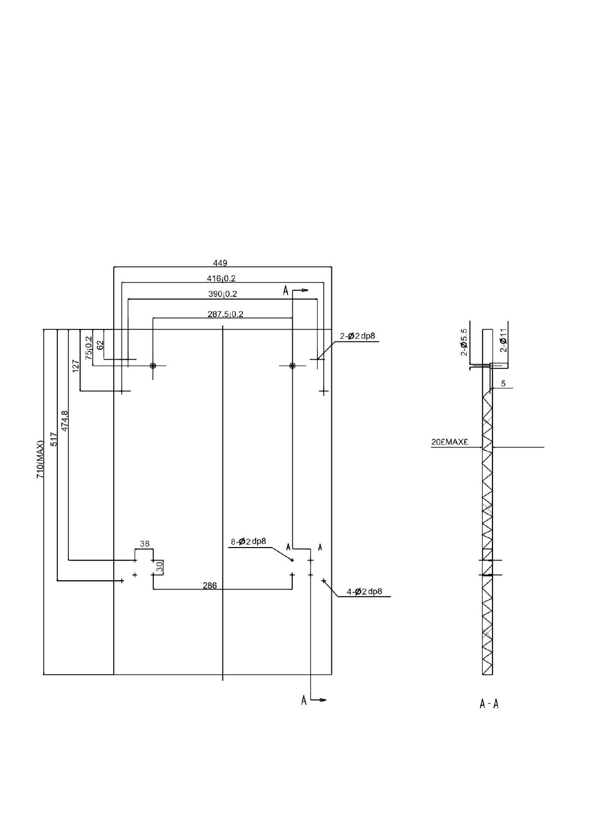
Furniture door's installation 
 

  The aesthetic panel should be processed in 

accordance with the illustrated dimensions. 

 
 

 

The 

dimensions 

are given in mm. 

 
 
 
 
 
 
 

S 45 I … 

Полезные видео

Характеристики

Оцените статью
tehnopanorama.ru
Остались вопросы?

Не нашли свой ответ в руководстве или возникли другие проблемы? Задайте свой вопрос в форме ниже с подробным описанием вашей ситуации, чтобы другие люди и специалисты смогли дать на него ответ. Если вы знаете как решить проблему другого человека, пожалуйста, подскажите ему :)

Задать вопрос

Часто задаваемые вопросы
Как посмотреть инструкцию к Kaiser S 60 I 83 XL?
Необходимо подождать полной загрузки инструкции в сером окне на данной странице
Руководство на русском языке?
Все наши руководства представлены на русском языке или схематично, поэтому вы без труда сможете разобраться с вашей моделью
Как скопировать текст из PDF?
Чтобы скопировать текст со страницы инструкции воспользуйтесь вкладкой "HTML"