Посудомоечные машины Kaiser S 4581 XL - инструкция пользователя по применению, эксплуатации и установке на русском языке. Мы надеемся, она поможет вам решить возникшие у вас вопросы при эксплуатации техники.
Если остались вопросы, задайте их в комментариях после инструкции.
"Загружаем инструкцию", означает, что нужно подождать пока файл загрузится и можно будет его читать онлайн. Некоторые инструкции очень большие и время их появления зависит от вашей скорости интернета.

10
EN
1
Connecting hot water
The inlet hose of the appliance can be also
connected to the hot water supply provided the
temperature doesn’t exceed 60°C.
In this case, both the wash cycle time and the
power consumption are reduced.
For hot water connection follow the same
procedure as that for cold water.
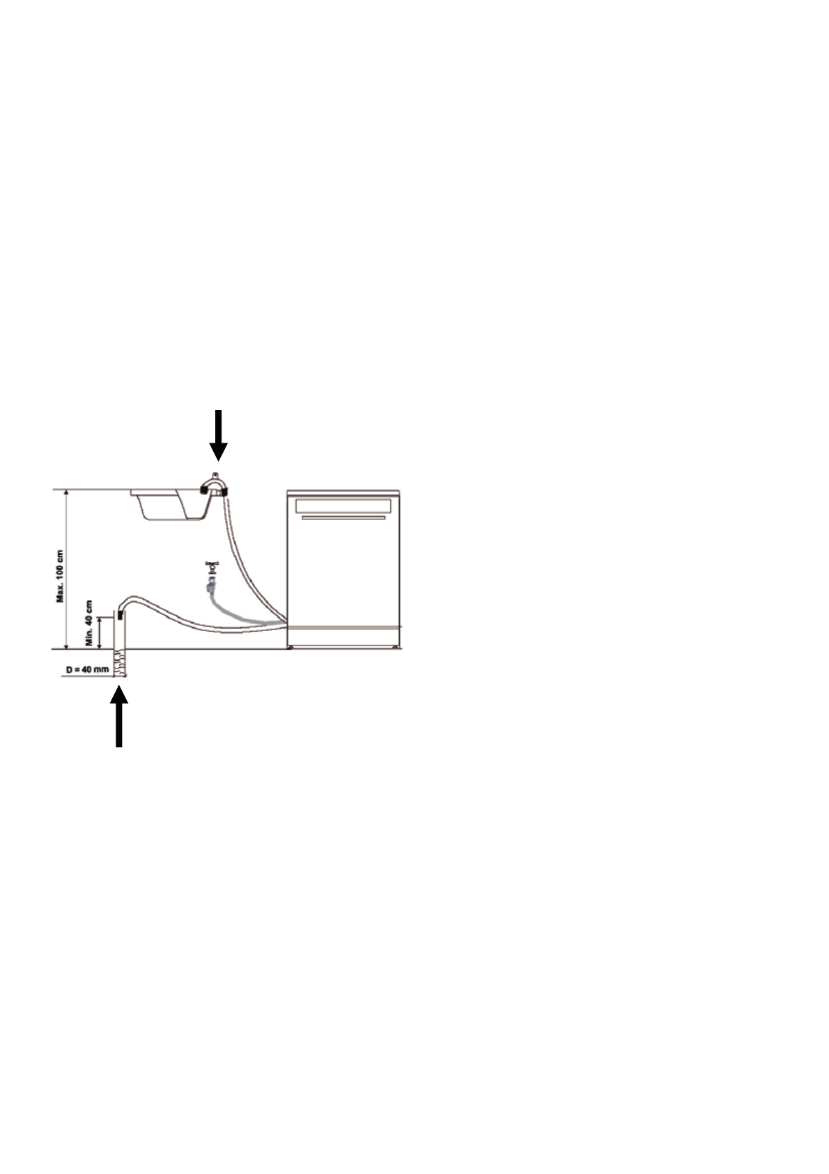
Connecting drain hose
x
Connect the drain hose to the drain pipe
1
,
diameter: 40 mm min., or let it run directly
into the sink
2
.
Use the special plastic hose support which is
delivered with the appliance.
The free end of the hose must be at a height of 40
to 100 cm and must not be immersed. Make sure
that the hose is free from being bent or flattened.
Disconnecting from water supply and
sewerage
To disconnect the Aqua-Stop inlet hose, cut off
water supply by turning off the faucet, screw out
the nut of the safety inlet hose which adjusts it to
the faucet.
Put the hose into the special storage compartment
at the back of the dishwasher.
In case the free end of the hose is put directly into
the sink, pay attention to the following:
If the sink is mounted at the height of 100 cm from
the floor, the excess water cannot be drained
directly into the sink.
To drain the excess water from the hose in this
case, you need a pail or any other suitable
container which should be put below the sink at
the side of it.
1
2
Характеристики
Остались вопросы?Не нашли свой ответ в руководстве или возникли другие проблемы? Задайте свой вопрос в форме ниже с подробным описанием вашей ситуации, чтобы другие люди и специалисты смогли дать на него ответ. Если вы знаете как решить проблему другого человека, пожалуйста, подскажите ему :)













