Посудомоечные машины Kaiser S 4570 XLGR - инструкция пользователя по применению, эксплуатации и установке на русском языке. Мы надеемся, она поможет вам решить возникшие у вас вопросы при эксплуатации техники.
Если остались вопросы, задайте их в комментариях после инструкции.
"Загружаем инструкцию", означает, что нужно подождать пока файл загрузится и можно будет его читать онлайн. Некоторые инструкции очень большие и время их появления зависит от вашей скорости интернета.

15
DE
RU
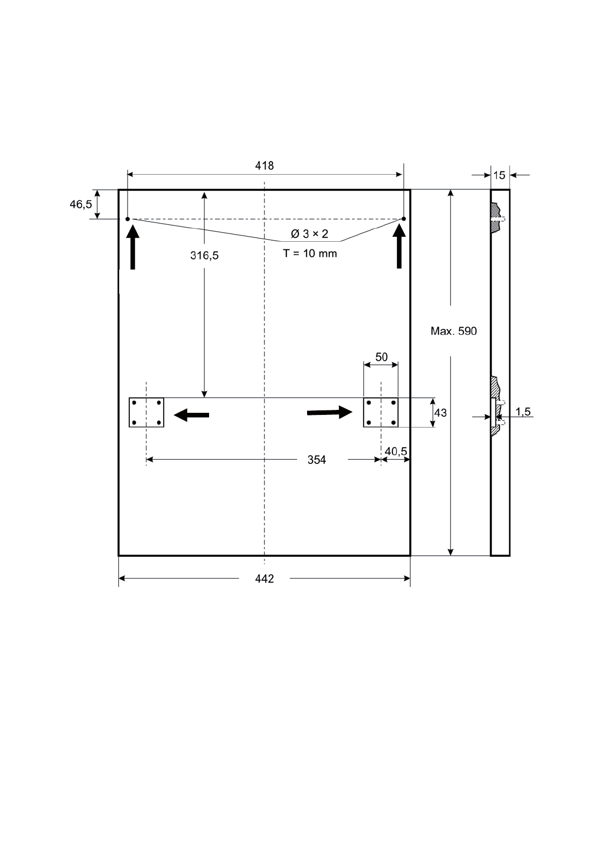
Montage der dekorativen Abdeckplatte
Bereiten Sie die Vertiefungen
1
und
2
für
Fixierung der dekorativen Abdeckplatte
entsprechend der genannten Maßen vor.
Maßen sind in
mm
angegeben.
Fixieren Sie die Befestigungen mit Hilfe der
Senkkopfschrauben an der Innenseite der
Abdeckplatte
3
.
:;%"'>)% (&)'?%;#>"'< .%"&*#
$ $
1
2
" .
" "
$$
.
J !
$
"
3
.
1
1
2
2