Kaiser S 45 I 70 XL - Инструкция по эксплуатации - Страница 13

Посудомоечные машины Kaiser S 45 I 70 XL - инструкция пользователя по применению, эксплуатации и установке на русском языке. Мы надеемся, она поможет вам решить возникшие у вас вопросы при эксплуатации техники.

Если остались вопросы, задайте их в комментариях после инструкции.

"Загружаем инструкцию", означает, что нужно подождать пока файл загрузится и можно будет его читать онлайн. Некоторые инструкции очень большие и время их появления зависит от вашей скорости интернета.
Страница:
/ 96
Загружаем инструкцию
background image

 

13

 

DE 

RU 

 

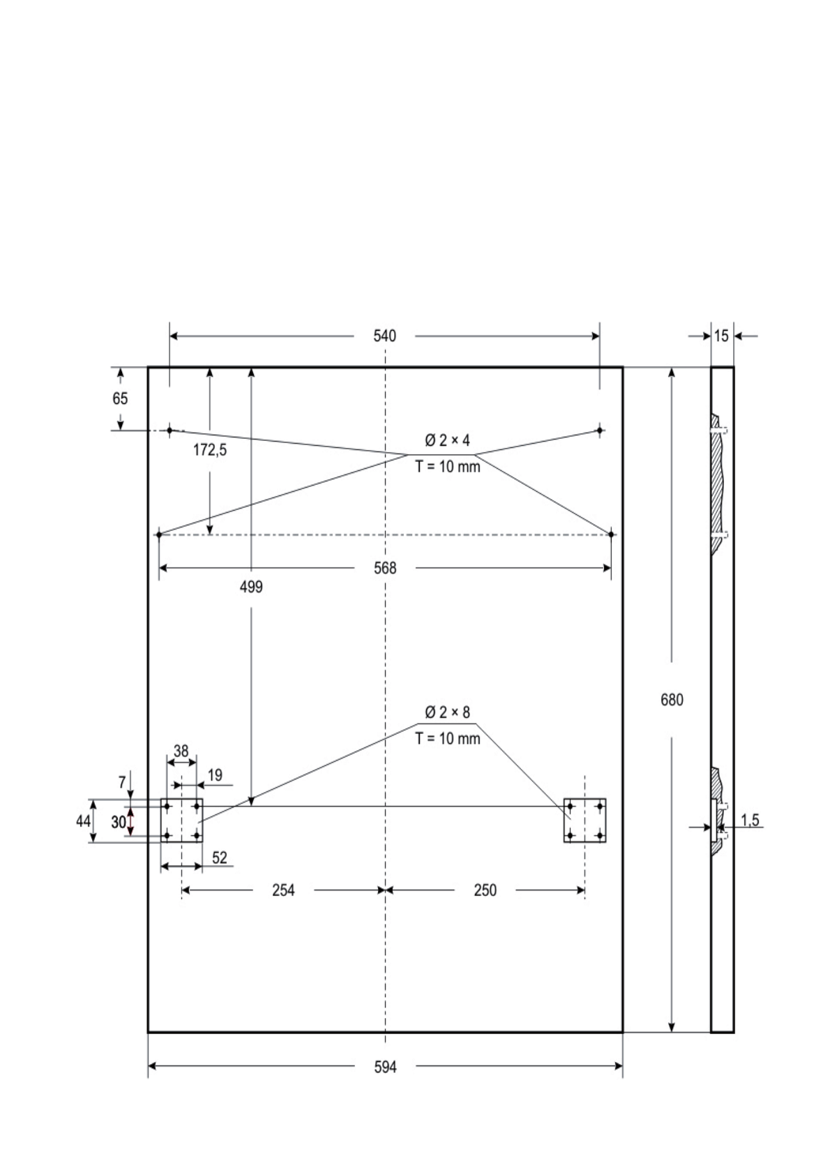
Montage der dekorativen Abdeckplatte 
 

x

  Bereiten Sie die Abdeckplatte gemäß der 

angegebenen Maßen. 

 
 

 

Die Maßen sind in 

mm

 angegeben. 

 
 
 
 
 
 
 
 

/:*'>"* !&"?*:(>'< )*'&#( 
 

x

 

$       
   "  .

 

 
 

 

 " "  

;;

 
 

 

S 60 I … 

Полезные видео

Характеристики

Оцените статью
tehnopanorama.ru
Остались вопросы?

Не нашли свой ответ в руководстве или возникли другие проблемы? Задайте свой вопрос в форме ниже с подробным описанием вашей ситуации, чтобы другие люди и специалисты смогли дать на него ответ. Если вы знаете как решить проблему другого человека, пожалуйста, подскажите ему :)

Задать вопрос

Часто задаваемые вопросы
Как посмотреть инструкцию к Kaiser S 45 I 70 XL?
Необходимо подождать полной загрузки инструкции в сером окне на данной странице
Руководство на русском языке?
Все наши руководства представлены на русском языке или схематично, поэтому вы без труда сможете разобраться с вашей моделью
Как скопировать текст из PDF?
Чтобы скопировать текст со страницы инструкции воспользуйтесь вкладкой "HTML"