Посудомоечные машины Hyundai Electronics HBD 450 - инструкция пользователя по применению, эксплуатации и установке на русском языке. Мы надеемся, она поможет вам решить возникшие у вас вопросы при эксплуатации техники.
Если остались вопросы, задайте их в комментариях после инструкции.
"Загружаем инструкцию", означает, что нужно подождать пока файл загрузится и можно будет его читать онлайн. Некоторые инструкции очень большие и время их появления зависит от вашей скорости интернета.

13
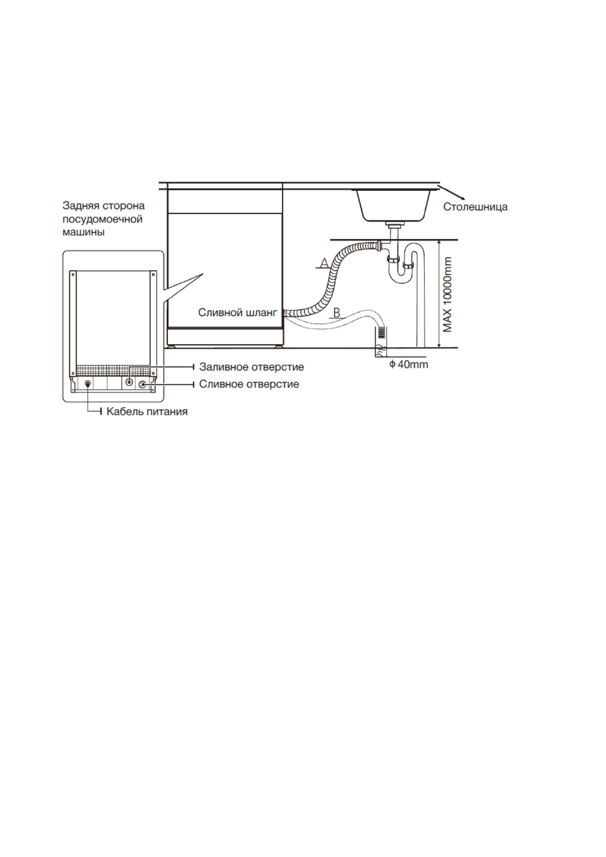
жат. При монтаже сливного шланга в колено мойки (способ А) верхняя точка слив-
ного шланга машины должна быть расположена на расстоянии не более 1000 мм
от уровня пола.
Свободный конец шланга не должен быть погружен в воду чтобы избежать обрат-
ного потока воды.
Надежно закрепите сливной шланг в положении A или B.
Как слить лишнюю воду из шлангов
Если раковина расположена выше 1 м от уровня установки посудомоечной ма-
шины, лишняя вода в шлангах не может быть слита прямо в раковину. В этом слу-
чае необходимо сливать лишнюю воду из шлангов в емкость, которая находится
снаружи и ниже раковины.
Слив воды
Подсоедините шланг для слива воды. Сливной шланг должен быть надежно за-
креплен, чтобы избежать утечки воды. Убедитесь, что шланг для слива воды не
перекручен и не сдавлен.
Удлинение сливного шланга
Если вам требуется удлинить сливной шланг, обязательно используйте аналогич-
ный. Общая длина не должна превышать 4 метров; в противном случае качество
мойки ухудшится.
Подсоединение к сифону
Соединение для слива должно быть на высоте не более 100 см от нижней части
устройства. Шланг для слива воды должен быть надежно закреплен.
