Посудомоечные машины Hansa ZIM 4677 EV - инструкция пользователя по применению, эксплуатации и установке на русском языке. Мы надеемся, она поможет вам решить возникшие у вас вопросы при эксплуатации техники.
Если остались вопросы, задайте их в комментариях после инструкции.
"Загружаем инструкцию", означает, что нужно подождать пока файл загрузится и можно будет его читать онлайн. Некоторые инструкции очень большие и время их появления зависит от вашей скорости интернета.

23
• Размеры и установка отделочной панели
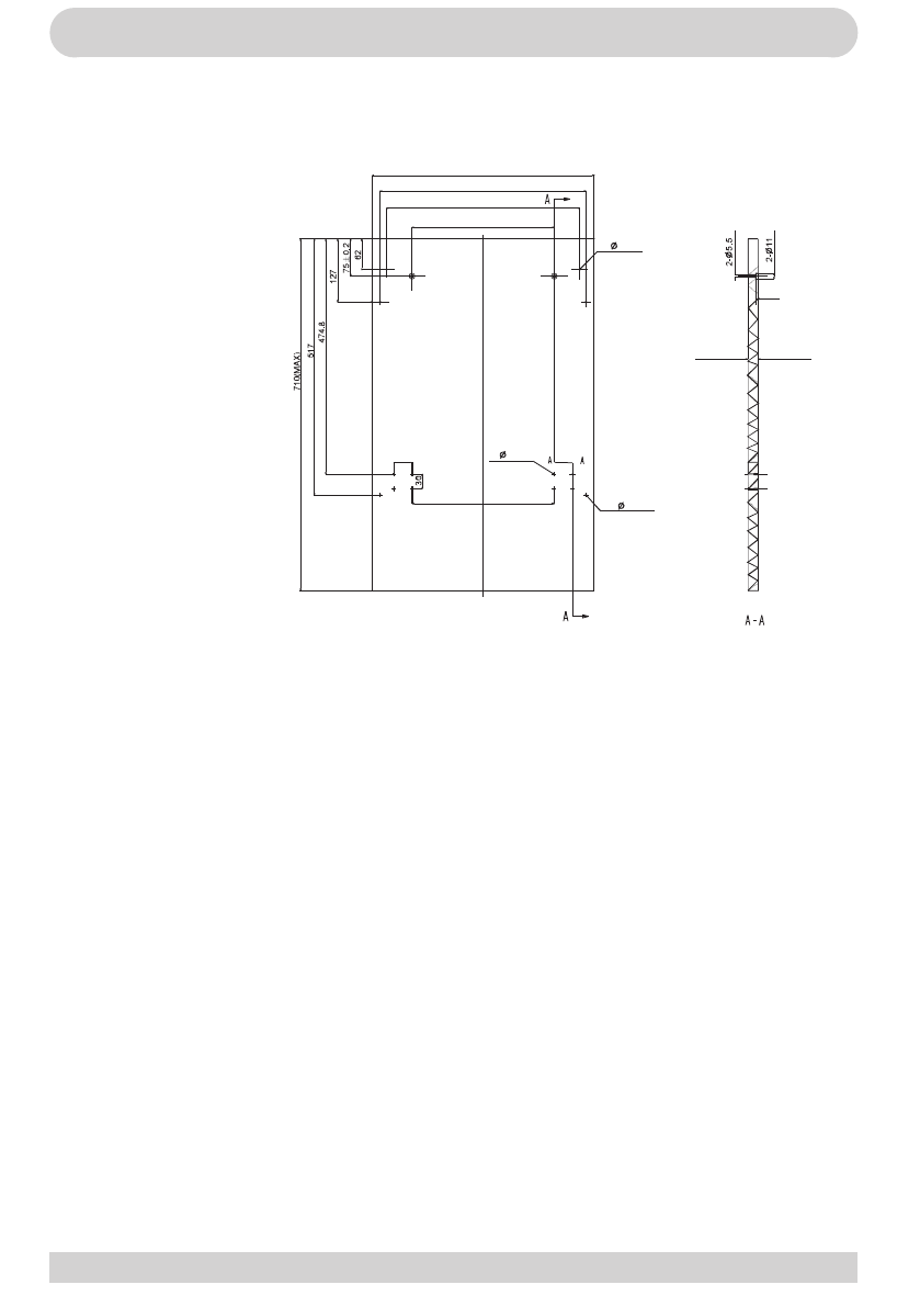
1 Деревянная отделочная панель должна быть подготовлена к установке согласно с рис. 3.
[Рис. 3a]
Модели с шириной 45
см- Отделочная панель
должна быть подготовлена
к установке согласно с
указанными на рисунке
размерами.
(единица измерения : мм)
dp8
439
416
0.2
±
390
0.2
±
287.5
0.2
±
286
3 8
8 - 2
dp8
4 - 2
dp8
2 - 2
20
MAX
(
)
5
ПОДГОТОВКА УСТАНОВКИИ МОНТАЖА ПОСУДОМОЕЧНОЙ МАШИНЫ
 
 
 
 
 
 
 
 
 
 
 
 
 
 
 
 
 
 
 
 
 
 
 
 
 
 
 
 











