Посудомоечные машины DEXP DW-F60N6AVL/W - инструкция пользователя по применению, эксплуатации и установке на русском языке. Мы надеемся, она поможет вам решить возникшие у вас вопросы при эксплуатации техники.
Если остались вопросы, задайте их в комментариях после инструкции.
"Загружаем инструкцию", означает, что нужно подождать пока файл загрузится и можно будет его читать онлайн. Некоторые инструкции очень большие и время их появления зависит от вашей скорости интернета.

.
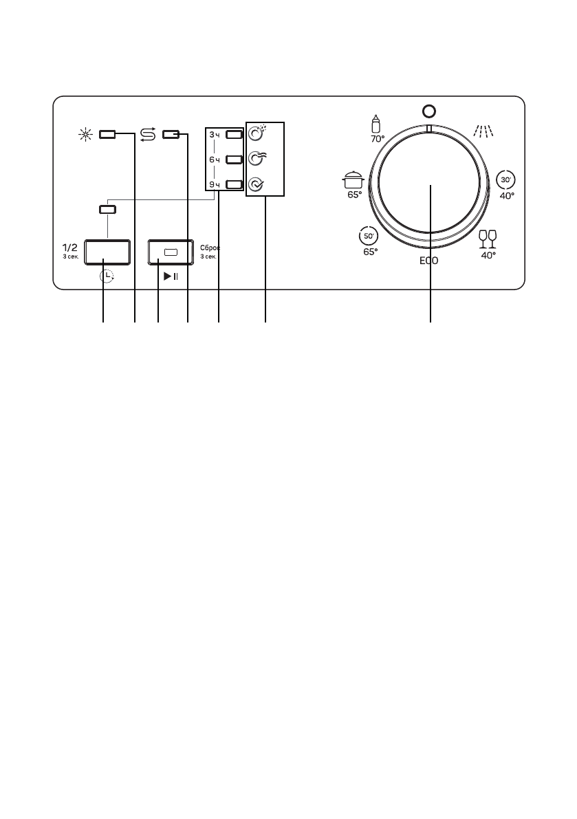
Панель управления
1. Кнопка отложенного старта/половинной загрузки.
2. Индикатор низкого уровня ополаскивателя.
3. Кнопка «Старт/Пауза».
4. Индикатор низкого уровня смягчителя.
5. Индикаторы времени отложенного старта.
6. Индикаторы выполнения программы мойки.
7. Поворотный регулятор выбора программы мойки.
Описание кнопок и режимов работы
Поворотный регулятор выбора программы мойки
Для включения посудомоечной машины и выбора подходящей программы
мойки поверните регулятор.
Для выключения устройства поверните регулятор в положение О.
Кнопка отложенного старта половинной/полной
загрузки
• Нажмите на эту кнопку для выбора времени отсрочки мойки (от 3 до 9 ч).
• Нажмите и держите эту кнопку в течение 3 секунд для выбора режима
половинной загрузки.
1 2 3 4 5 6
7