Посудомоечные машины Candy CDI 9P50-S - инструкция пользователя по применению, эксплуатации и установке на русском языке. Мы надеемся, она поможет вам решить возникшие у вас вопросы при эксплуатации техники.
Если остались вопросы, задайте их в комментариях после инструкции.
"Загружаем инструкцию", означает, что нужно подождать пока файл загрузится и можно будет его читать онлайн. Некоторые инструкции очень большие и время их появления зависит от вашей скорости интернета.

26
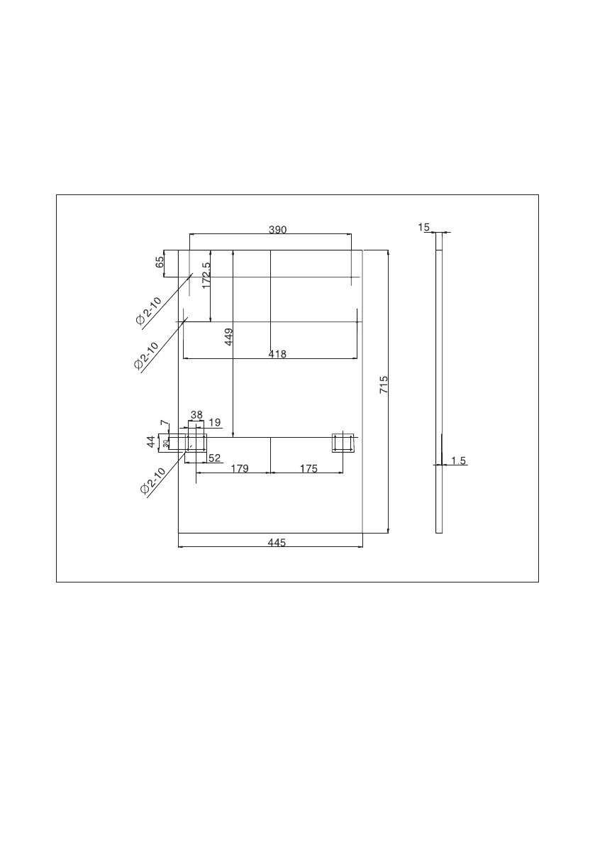
размеры и установка декоративной панели
1.
декоративная деревянная панель монтируется, как показано на рис. 3.
2.
Закрепите застежки на декоративной деревянной панели, вставьте их в гнезда
на дверце (см. рис. 4а). Установленную панель закрепите на дверце винтами и
гайками (см. рис. 4б).
рис. 3.
Размеры для монтажа декоративной деревянной панели (мм).












