Polaris MERCURY IDF 50V - Инструкция по эксплуатации

Polaris MERCURY IDF 50V

Водонагреватель Polaris MERCURY IDF 50V - инструкция пользователя по применению, эксплуатации и установке на русском языке. Мы надеемся, она поможет вам решить возникшие у вас вопросы при эксплуатации техники.

Если остались дополнительные вопросы — свяжитесь с нами через контактную форму.

1 Страница 1
2 Страница 2
3 Страница 3
4 Страница 4
5 Страница 5
6 Страница 6
7 Страница 7
8 Страница 8
9 Страница 9
10 Страница 10
11 Страница 11
12 Страница 12
13 Страница 13
14 Страница 14
15 Страница 15
16 Страница 16
17 Страница 17
18 Страница 18
19 Страница 19
20 Страница 20
21 Страница 21
22 Страница 22
23 Страница 23
24 Страница 24
25 Страница 25
26 Страница 26
27 Страница 27
28 Страница 28
29 Страница 29
30 Страница 30
31 Страница 31
32 Страница 32
33 Страница 33
34 Страница 34
35 Страница 35
36 Страница 36
37 Страница 37
38 Страница 38
39 Страница 39
40 Страница 40
41 Страница 41
42 Страница 42
43 Страница 43
44 Страница 44
45 Страница 45
46 Страница 46
47 Страница 47
48 Страница 48
49 Страница 49
50 Страница 50
51 Страница 51
Страница: / 51

Содержание:

  • Страница 2 – Оглавление
  • Страница 3 – СФЕРА ИСПОЛЬЗОВАНИЯ; в местах постоянного и временного проживания; Обратите внимание; ажные; УКАЗАНИЯ ПО БЕСОПАСНОСТИ ДАННОГО ПРИБОРА; сети соответствует требованиям,; ) Прибор должен быть надежно заземлен.
  • Страница 6 – Водонагреватель электрический накопительного типа (с баком из
  • Страница 7 – Способ крепления; Модель
  • Страница 8 – осуществляется
  • Страница 9 – Внимание: если водонагреватель не будет
  • Страница 11 – Водонагреватель начинает нагрев воды.; ТЕХНИЧЕСКОЕ ОБСЛУЖИВАНИЕ
  • Страница 12 – комплектом, получаемым у изготовителя или его агента.
  • Страница 16 – водонагревателя 7 лет от даты приобретения изделия, при условии
  • Страница 17 – Износа деталей c ограниченным сроком использования
Загрузка инструкции

1

"Загрузка инструкции" означает, что нужно подождать пока файл загрузится и можно будет его читать онлайн. Некоторые инструкции очень большие и время их появления зависит от вашей скорости интернета.

Краткое содержание

Страница 2 - Оглавление

2 Водонагреватель электрический накопительного типа POLARIS MERCURY IDF 30V, MERCURY IDF 50V, MERCURY IDF 80V, MERCURY IDF 100V Руководство по эксплуатации Благодарим Вас за выбор продукции, выпускаемой под торговой маркой “POLARIS”. Наши изделия разработаны в соответствии с высокими требованиями, п...

Страница 3 - СФЕРА ИСПОЛЬЗОВАНИЯ; в местах постоянного и временного проживания; Обратите внимание; ажные; УКАЗАНИЯ ПО БЕСОПАСНОСТИ ДАННОГО ПРИБОРА; сети соответствует требованиям,; ) Прибор должен быть надежно заземлен.

3 2. СФЕРА ИСПОЛЬЗОВАНИЯ  Прибор предназначен для бытового применения в соответствии с данным руководством:  в местах постоянного и временного проживания;  в гостиницах и других местах, предназначенных для ночлега и завтрака.  Производитель не несет ответственности за ущерб, возникший в результа...

Страница 6 - Водонагреватель электрический накопительного типа (с баком из

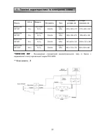
6 6. ТЕХНИЧЕСКИЕ ХАРАКТЕРИСТИКИ И ЭЛЕКТРИЧЕСКАЯ СХЕМА Модель Объем Напряжение/Частота Мощность Давление Размеры прибора (ВхШхГ), мм Размеры упаковки , мм MERCURY IDF 30V 30 л. 220-230 В, 50 Гц 2500 Вт 7 бар (0,7 МРа) 603 x 380 x 270 670 x 465 x 340 MERCURY IDF 50V 50 л. 220-230 В, 50 Гц 2500 Вт 7 ба...

Характеристики

Другие модели - Водонагреватели Polaris

Все водонагреватели Polaris