Страница 3 - Обратите
3 Назначение и область применения Обратите внимание 1) Непосредственно перед включением заполните водонагреватель водой . Чтобы наполнить водонагреватель водой необходимо открыть общий вентиль водопроводной сети и вентиль использования горячей воды . Аппарат полностью заполнен водой , когда она на п...
Страница 5 - Содержание
5 Для правильной установки и правильной эксплуатации изделия вам предоставляется следующая информация . 1. Технические характеристики и электрическая схема ……..……7 2 Устройство и название деталей , комплектация ………….….…...9 3 Монтаж ……………………………………………………….……10 3.1 Способ крепления ……………………………………… 10 ...
Страница 6 - Технические
6 220 В Желтый / зеленый Защита от перегрева Красный Голубой к Плата управления Красный Голубой И нди ка то рн ая ла м по чка Н аг ре ва те ль ный эл ем ент Цифр . дисплей Температурный датчик *FDS (FD) – Водонагреватель электрический накопительного типа ( с баком из нержавеющей стали ) торговой мар...
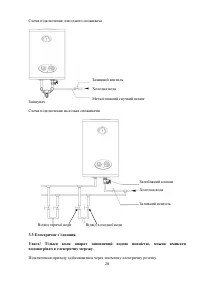
Страница 9 - Подсоединение
9 3.1.1. Крепление модели FD-20V : а ) Используя винты - саморезы (4 шт .), прикрепите пластину к стене . б ) Навесьте нагреватель , отрегулируйте крепления пластины и угол винтов , проверьте их затяжку , убедитесь в том , что нагреватель надежно закреплен . 3.1.2. Крепление модели FDS-50V, FDS-80V,...
Страница 11 - Использование
11 4. Сетевая розетка и штепсель должны быть сухими и предотвращать утечку электричества . 5. Подключение прибора производится через двухполюсный автоматический выключатель . 6. Запрещается производить подключение прибора с использованием удлинителей , тройников и других нештатных временных устройст...
Страница 12 - Режимы
12 - Кнопка « Вкл .– Выкл .»/ « ON-OFF » ( расположена справа от дисплея ) используется для включения и выключения водонагревателя . - Кнопка « регулировки температуры » « t o » ( расположена слева от цифрового дисплея ) используется для контроля и установки температуры . - Кнопка установки мощности...
Страница 13 - Обслуживание
13 Внимание ! Если при работе водонагревателя произошло отключение и последующее включение электропитания , то прибор перейдёт в режим ожидания . Если вы не используете нагреватель в течение длительного времени , установите переключатель Off, перекройте вентиль подачи холодной воды и отключите прибо...
Страница 15 - Внимание; УЗО
15 Вид неисправности Причина неисправности Устранение неисправности При подсоединении электропитания отсутствуют показания на экране дисплея . Сработала защита УЗО ( модели FDS-50V, FDS-80V, FDS-100V) Протестируйте УЗО , нажав кнопку «test». В случае , если УЗО прошло тестирование , нажмите на кнопк...
Страница 16 - Texton Corporation LLC -; Срок
16 - Для тестирования УЗО нажмите кнопку TEST (2). Индикатор Power (1) будет отключен . - Для перезапуска УЗО нажмите кнопку (3). Внимание ! При возникновении таких неисправностей как : протечка бака водонагревателя , частое срабатывание защитного устройства и других неисправностей , требующих специ...
Страница 17 - «Texton Corporation LLC»; Гарантийное
17 Настоящая гарантия предоставляется изготовителем в дополнение к правам потребителя , установленным действующим законодательством , и ни в коей мере не ограничивает их . Настоящая гарантия действует : • на бак водонагревателя 7 лет от даты приобретения изделия , при условии правильной эксплуатации...
Страница 19 - Інструкція
19 ТЕХНІКА ЗАТИШНОГО ЖИТТЯ Інструкція з експлуатації / Гарантія Manual instruction / Warranty FD- 20V, FDS- 50V, FDS- 80V, FDS- 100V Водонагрівач електричний накопичувального типу ( з внутрішнім баком з нержавіючої сталі )
Страница 23 - Примітка
23 1. Технічні характеристики та електрична схема Модел ь Об ’ є м Напруга , В Потужніс ть Тиск Зовнішні розміри приладу , мм Розміри упаковки , мм FD-20 V 20 л 220 В , 50 Гц 2000 Вт 6 бар (0,6 МПа ) 610 x 322 x 202 660 x 375 x 260 FD-50 V 50 л 220 В , 50 Гц 2000 Вт 6 бар (0,6 МПа ) 898 x 380 x 270 ...