Polaris FDE-80V - Инструкция по эксплуатации

Polaris FDE-80V

Водонагреватель Polaris FDE-80V - инструкция пользователя по применению, эксплуатации и установке на русском языке. Мы надеемся, она поможет вам решить возникшие у вас вопросы при эксплуатации техники.

Если остались дополнительные вопросы — свяжитесь с нами через контактную форму.

1 Страница 1
2 Страница 2
3 Страница 3
4 Страница 4
5 Страница 5
6 Страница 6
7 Страница 7
8 Страница 8
9 Страница 9
10 Страница 10
11 Страница 11
12 Страница 12
13 Страница 13
14 Страница 14
15 Страница 15
16 Страница 16
17 Страница 17
18 Страница 18
19 Страница 19
20 Страница 20
21 Страница 21
22 Страница 22
23 Страница 23
24 Страница 24
25 Страница 25
26 Страница 26
27 Страница 27
28 Страница 28
29 Страница 29
30 Страница 30
31 Страница 31
32 Страница 32
33 Страница 33
34 Страница 34
35 Страница 35
36 Страница 36
37 Страница 37
38 Страница 38
39 Страница 39
40 Страница 40
41 Страница 41
42 Страница 42
43 Страница 43
Страница: / 43

Содержание:

  • Страница 2 – Мы уверены, что Вы будете довольны приобретением; Сохраняйте эту инструкцию вместе с гарантийным талоном и
  • Страница 3 – Обратите внимание; ажные; Только когда аппарат заполнен водой полностью, можно включать в; указанным в технических характеристиках; ) Прибор должен быть надежно заземлен.
  • Страница 4 – Назначение и область применения; Требования безопасности
  • Страница 5 – Содержание
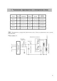
  • Страница 6 – Технические характеристики и электрическая схема
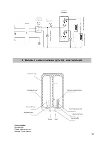
  • Страница 7 – Устройство и названия основных деталей, комплектация
  • Страница 8 – Способ крепления
  • Страница 10 – Внимание: если водонагреватель не
  • Страница 12 – Внимание! Вода может быть горячей.; При его обратной установке соблюдайте следующие действия:
  • Страница 13 – Розетки должны иметь надежное заземление.; электрического накопительного водонагревателя.; Наиболее часто встречающиеся неисправности и их
  • Страница 14 – Гарантийное обязательство
  • Страница 15 – на бак; водонагревателя 7 лет от даты приобретения изделия,; Настоящая гарантия не действует на предохранительный клапан.; Износа деталей c ограниченным сроком использования
Загрузка инструкции

1

"Загрузка инструкции" означает, что нужно подождать пока файл загрузится и можно будет его читать онлайн. Некоторые инструкции очень большие и время их появления зависит от вашей скорости интернета.

Краткое содержание

Страница 2 - Мы уверены, что Вы будете довольны приобретением; Сохраняйте эту инструкцию вместе с гарантийным талоном и

2 v2.0 Благодарим Вас за выбор продукции, выпускаемой под торговой маркой “POLARIS”. Наши изделия разработаны в соответствии с высокими требованиями, предъявляемыми к качеству, функциональности и дизайну. Многолетний опыт производства по европейским стандартам, использование современных материалов, ...

Страница 3 - Обратите внимание; ажные; Только когда аппарат заполнен водой полностью, можно включать в; указанным в технических характеристиках; ) Прибор должен быть надежно заземлен.

3 Обратите внимание В ажные меры предосторожности и инструкции, содержащиеся в данном руководстве, не охватывают все возможные условия и ситуации, которые могут возникнуть в процессе эксплуатации водонагревателя. Следует учитывать, что невозможно предусмотреть такие факторы, как здравый смысл, предо...

Страница 4 - Назначение и область применения; Требования безопасности

4 Назначение и область применения Электрический накопительный водонагреватель предназначен для обеспечения горячего водоснабжения квартир, дач, бань и других бытовых помещений. 1. Требования безопасности  Изготовитель предупреждает, что ненадлежащее выполнение требований данной инструкции, а также ...

Характеристики

Другие модели - Водонагреватели Polaris

Все водонагреватели Polaris