Patriot REMEZA СБ 4/С-100 LB 75 - Инструкция по эксплуатации

Patriot REMEZA СБ 4/С-100 LB 75

Компрессор Patriot REMEZA СБ 4/С-100 LB 75 - инструкция пользователя по применению, эксплуатации и установке на русском языке. Мы надеемся, она поможет вам решить возникшие у вас вопросы при эксплуатации техники.

Если остались дополнительные вопросы — свяжитесь с нами через контактную форму.

1 Страница 1
2 Страница 2
3 Страница 3
4 Страница 4
5 Страница 5
6 Страница 6
7 Страница 7
8 Страница 8
9 Страница 9
10 Страница 10
11 Страница 11
12 Страница 12
13 Страница 13
14 Страница 14
15 Страница 15
16 Страница 16
17 Страница 17
18 Страница 18
19 Страница 19
20 Страница 20
21 Страница 21
22 Страница 22
23 Страница 23
24 Страница 24
25 Страница 25
26 Страница 26
27 Страница 27
28 Страница 28
29 Страница 29
30 Страница 30
31 Страница 31
32 Страница 32
33 Страница 33
34 Страница 34
Страница: / 34

Содержание:

  • Страница 4 – Указание мер безопасности
  • Страница 8 – Подготовка компрессора к работе
  • Страница 13 – Остановка; Для остановки компрессора необходимо:; Устройство и порядок работы
  • Страница 23 – 3 Очистка компрессора от пыли и загрязнений
  • Страница 24 – Возможные неисправности и способы их устранения; Наименование; Нарушения в цепи питания
  • Страница 25 – Гарантии изготовителя
  • Страница 29 – Рисунок А.1 - Схема электрическая принципиальная компрессоров
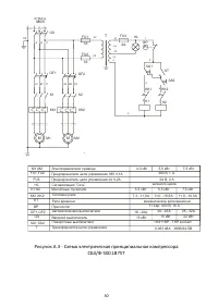
  • Страница 30 – Рисунок А.3 - Схема электрическая принципиальная компрессора
  • Страница 31 – Журнал учета проведения обслуживания; Карта учета проведения обслуживания
  • Страница 33 – Гарантийный талон; ремонт компрессорного оборудования; Уважаемый покупатель!
  • Страница 34 – Для проведения гарантийного ремонта предъявите:; Свидетельство о приемке и упаковывании.; Гарантийные обязательства изготовителя прекращаются, в случае:; Нарушения; Гарантийные обязательства не распространяется:
Загрузка инструкции


УСТАНОВКА КОМПРЕССОРНАЯ


СБ4/С-100.LB75

СБ4/Ф-270.LB75
СБ4/Ф-500.LB75

СБ4/Ф-270.LB75В

СБ4/Ф-500.LB75ТБ

СБ4/Ф-500.LB75Т



РУКОВОДСТВО ПО ЭКСПЛУАТАЦИИ


Свидетельство о приемке и упаковывании

Установка компрессорная укомплектована ресивером

_________

л. зав. №

________________________ ,

электродвигателями:

____________________

зав. №№

____________________ , _______________________ ,

блоком LB75-4 ;

арматура, контрольно-измерительные приборы, предохранительные устройства соответствуют разделу 12;

в состоянии поставки установка компрессорная

заправлена маслом марки

____________________________________________________;

соответствует требованиям технической документации и признана годной к эксплуатации.

Упаковку произвёл

_________________________


Дата выпуска

"_____"_________________ 20 г.



Отметка ОТК

________________________

М.П.

ИЗГОТОВИТЕЛЬ ЗАО "РЕМЕЗА"

Республика Беларусь, 247672, г. Рогачев,
ул. Пушкина, д. 62, тел/факс (02339) 3-43-20,
тел. (02339) 3-43-94, 3-94-74

http://www.remeza.com



ISO 9001:2008

4383004200
Изм.19-03.2016

"Загрузка инструкции" означает, что нужно подождать пока файл загрузится и можно будет его читать онлайн. Некоторые инструкции очень большие и время их появления зависит от вашей скорости интернета.

Краткое содержание

Страница 4 - Указание мер безопасности

4 3 Указание мер безопасности 3.1 Предупреждающие знаки на компрессоре должны постоянно поддерживаться в читаемом состоянии. Знаки имеют следующее значение: Осторожно! Электрическое напряжение Осторожно! Высокая температура Осторожно! Находится под давлением Обслуживающий персонал должен прочитать п...

Страница 8 - Подготовка компрессора к работе

8 Таблица 3 Модель компрессора Масса сплава серебра Ag-CdO (90%-10%), г СБ4/Ф-100.LB75, СБ4/Ф-270.LB75, СБ4/Ф-270.LB75В, СБ4/Ф-500.LB75 1,014 СБ4/Ф-500.LB75ТБ 2,028 СБ4/Ф-500.LB75Т 6,138 СБ4/Ф-500.LB75Т с реле времени и автоматическим выключателем 5SQ, 5SX C20A производства SIEMENS Германия 5,538 5....

Страница 13 - Остановка; Для остановки компрессора необходимо:; Устройство и порядок работы

13 6.6.5 При необходимости настройте регулятор давления (при его наличии) в соответствии с 7.3.1. 6.7 Остановка ПРЕДУПРЕЖДЕНИЕ: НЕ ОТСОЕДИНЯЙТЕ ОТ ЭЛЕКТРИЧЕСКОЙ СЕТИ ВИЛКУ ПИТАЮЩЕГО КАБЕЛЯ ПРИ РАБОТАЮЩЕМ КОМПРЕССОРЕ! 6.7.1 Для остановки компрессора необходимо: 1 Выключить компрессор выключателем на ...

Характеристики

Другие модели - Компрессоры Patriot

Все компрессоры Patriot